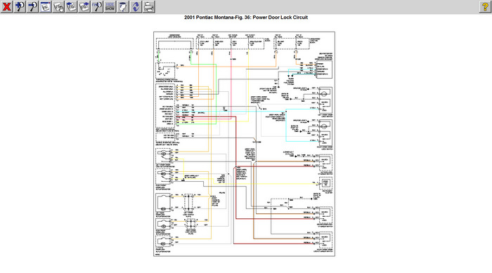
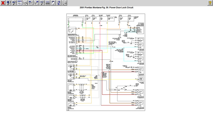
2001 Pontiac Montana - the trunk will not latch shut. It did close earlier today and now it will not. I think the latch has ceased. There is nothing obstructing the doors path. How do I get it to shut?
Jan 5, 2011 at 3:36 PM
