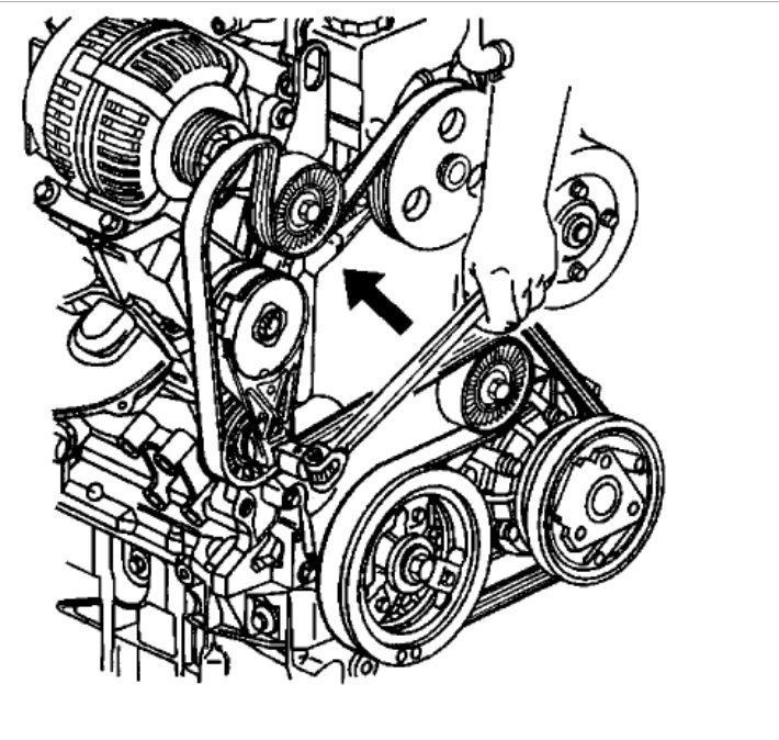
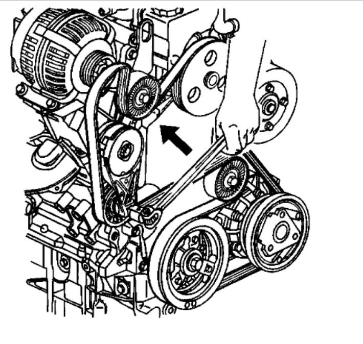
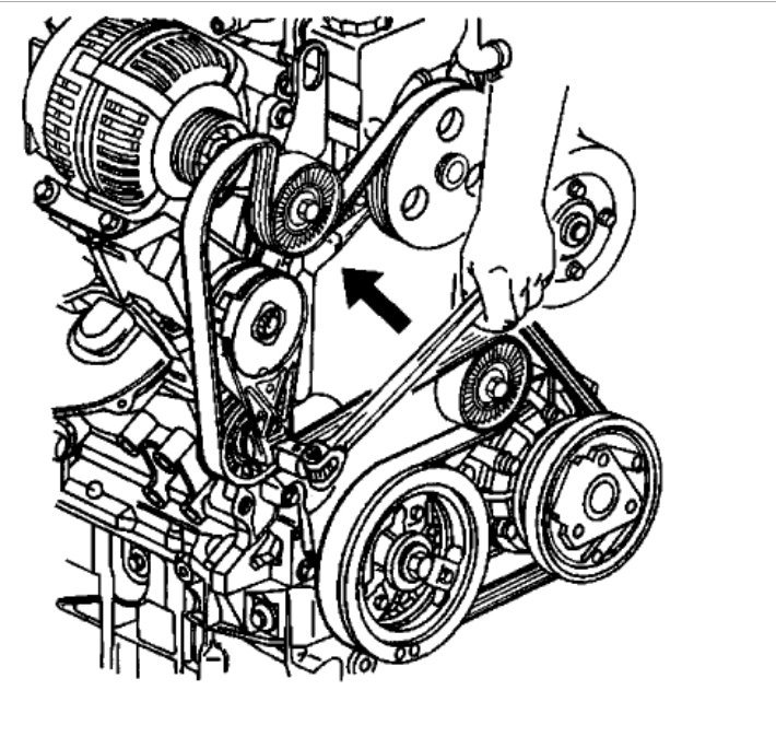
Belt routing diagram, showing pulleys. 2001 Pontiac Montana. How do you get the pulley to that position? when you install the pulley it faces the front of the engine block and you can't get the tool in to move the pulley. if you do get the pulley to move it only pulls up not push down?
Mar 10, 2011 at 2:54 PM

