radiator cooling fan relay location?

2001 PONTIAC GRAND AM
90,000 MILES
Avatar
PACKMILTON
  • MEMBER
  • 1 POST
Where is the cooling fan relay (or switch) located. I want to replace it in an attempt to get the fans to work again. Where is it located. The radiator cooling fans will not come and it causes overheating. It may be the fan relay or switch (whatever it is called). My problem is trying to locate it. Is it near the battery or where is it so I can install the one sold to me by Autozone automotive parts store. Can you help me and perhaps include a diagram so I will know it is and how the thing works.
Nov 2, 2013 at 8:40 AM
Advertisement
Avatar
HMAC300
  • CERTIFIED EXPERT
  • 48,601 POSTS
both are located in the under hood fuse box. see pic below

Heres a guide for testing relays, it will help

https://www.2carpros.com/articles/how-to-check-an-electrical-relay-and-wiring-control-circuit

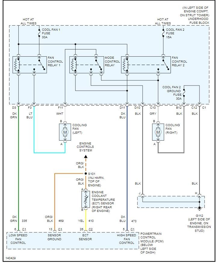
Also attached is the full wiring diagram for the cooling fans
Nov 2, 2013 at 11:22 AM
Avatar
NW53
  • MEMBER
  • 2 POSTS
3.4L V6 I replace the water pump, the thermostat (twice), the cooling senor (twice) replace all fan relays, but the fans will not come on till it reach 220-225.


What else can I try?????? Is there another senor somewhere???? I replace the one at the thermostat.
Jan 13, 2021 at 10:55 AM (Merged)
Advertisement
Avatar
IMPALASS
  • CERTIFIED EXPERT
  • 3,112 POSTS
Hello –

It looks like, based off of what you are saying, the fans are not coming on low….which is about 212 degrees. That is controlled by fan relay #1.

I am not sure how your gauge looks, but that is only a 8 degree difference. Is the car running hot?

When you start the car and turn on the AC, do both fans start up?

What I have done is give you information on the fan operation. The very detailed one names several relays, about 4 I think. So not sure if you have checked all of those.

Also, looks like you may have some recalls on your vehicle. The dealer may fix these for free. Please contact the dealer service department, give them the VIN number of your car and have them check on these to see if they apply to you.

Get back with us if this doesn’t help.

Electric Cooling Fan System Notes

Dual electric cooling fans aid air flow through the radiator. The fans are driven by electric motors that attach to the fan shroud.

The fan motors are activated by the cooling fan relays.

Caution: An electric fan under the hood can start up even when the engine is not running and can injure you. Keep hands, clothing and tools away from any underhood electric fan.

If diagnosis is to be performed on a coolant fan electrical malfunction, refer to Powertrain Management.

Circuit Description
The electric cooling fan(s) are controlled by the Body Control Module (BCM) which enables the fans through the PCM. The PCM enables the ground path for the three cooling fan relays. The relay(s) are used to control the high current flow to power the cooling fan motors. When minimum cooling is required, the BCM will command the PCM to energize cooling fan relay #1 and since both fans are connected in series through the Mode Control relay, both fans will operate at low speed. When maximum cooling is required, the BCM will command the PCM to energize all three cooling fan relays. Power is supplied to the left fan through cooling fan relay #1 and is grounded through the Mode Control relay. The right fan is powered directly through cooling fan relay #2 causing both fans to operate at high speed.

Jan 13, 2021 at 10:55 AM (Merged)
Avatar
NW53
  • MEMBER
  • 2 POSTS
Reply to your questions

"It looks like, based off of what you are saying, the fans are not coming on low"
The fans are always running on low when they do come on. The only way to get them to run on hi is to unplug the cooling senor. And I try another #1 fan too

"Is the car running hot?"
yes and no. With a 15 lbs cap at times it will boil the water out .

"When you start the car and turn on the AC, do both fans start up?"
Yes.

"The very detailed one names several relays, about 4 I think. "
They are three relays a fan mode 5pin, #1 fan 4pin and #2 fan 4pin. All been replace

Is there another cooling/temp senor somewhere ????? I only know of one senor. It also works the temp gage too
Jan 13, 2021 at 10:55 AM (Merged)
Avatar
IMPALASS
  • CERTIFIED EXPERT
  • 3,112 POSTS
Hello - Okay, first, is your Grand AM the SE or GT?? I know you have the 3.4L so I am going to assume it is the GT but want to make sure and what the 8th digit of your VIN and the 4th digit for body code. The only switches/sensors I show is the coolant level sensor, the Engine - Coolant Temperature Sensor/Switch that you replaced, an engine temp sensor located on the dash, and the gauge. I have attached the wiring diagram in two parts so you can read it. The first is the top of the second. Next, you run Dex-cool in that. The problem they have found with that is it gums up. It is supposed to be flushed about every 30K. Your radiator may be clogged thus the overheating and boil over also causing your car to run hot, poor circulation. It may be throwing the sensors off especially if the coolant has broken down. I would definitely do a really good flush, me, I would replace the radiator if I had Dex-Cool in it all these miles, but that's me. The a good mix of the green, Prestone. Are your heater hoses going in and coming out of the firewall both hot and do you have plenty of heat in the car with the heater on? Let me know what you think about a good flush and do one other thing, please go to Auto Zone or O'Reilly's and for FREE they can pull the codes to the car. Most important: Once they check your codes, if they find something and you don't get it fixed and need to get back with us, please make sure you tell us exactly what the code was, number and all. Example, if the code was E0568 O2 Sensor bad. Then make sure you give us all of that. While there for FREE also they can bring their tester out and check your battery, alternator and starter.


https://www.2carpros.com/forum/automotive_pictures/248015_Wire_1_1.jpg


https://www.2carpros.com/forum/automotive_pictures/248015_Wire_2_1.jpg

Jan 13, 2021 at 10:56 AM (Merged)
Avatar
CODY GORECKI
  • MEMBER
  • 1 POST
Where is the cooling fan relay located??
Jan 13, 2021 at 10:56 AM (Merged)
Avatar
BLUELIGHTNIN6
  • CERTIFIED EXPERT
  • 16,542 POSTS
right rear of engine compartment


https://www.2carpros.com/forum/automotive_pictures/261618_Noname_1952.jpg

Jan 13, 2021 at 10:56 AM (Merged)
Avatar
ALPHA227
  • MEMBER
  • 7 POSTS
one day the ac and cooling fan worked the next it didnt. when i turn the ac on the ac and cooling fan dont kick on like they did b4. i checked the fuses and all ok. cchanged the relay connected to the front on the car under the hood by the fan still doesnt work..any sugestions? thanks in advance for the help
Jan 13, 2021 at 10:56 AM (Merged)
Avatar
BLUELIGHTNIN6
  • CERTIFIED EXPERT
  • 16,542 POSTS
check engine coolant temperature sensor. if fuse, relay and ECT sensor are good than its either the fan motor itself or the PCM.
Jan 13, 2021 at 10:56 AM (Merged)
Avatar
ALPHA227
  • MEMBER
  • 7 POSTS
how does that effect the ac? fuses ok. dont know where relay is for ac compresser. changed relay on front top of cooling fan but still wont work.read 1st question again please
Jan 13, 2021 at 10:56 AM (Merged)
Avatar
BLUELIGHTNIN6
  • CERTIFIED EXPERT
  • 16,542 POSTS
you said cooling fan is not coming on when a/c is turned on......?
Jan 13, 2021 at 10:56 AM (Merged)
Avatar
ALPHA227
  • MEMBER
  • 7 POSTS
yes but the ac doesnt work either. they both came on when i turned on the ac yesterday but today neither work. they dont click on like yesterday. where are the relays for the ac? and or coolant fan. are the both oin same relay. been told they were??? sorry for any confusion.
Jan 13, 2021 at 10:56 AM (Merged)
Avatar
BLUELIGHTNIN6
  • CERTIFIED EXPERT
  • 16,542 POSTS
ah sorry about that, long day.. anyway you have one cooling fan relay and one a/c compressor clutch relay. they are both located in the same area but they are 2 separate relays. a diagram is below highlighting each..hope this helps


https://www.2carpros.com/forum/automotive_pictures/261618_Noname_2911.jpg

Jan 13, 2021 at 10:56 AM (Merged)
Avatar
ALPHA227
  • MEMBER
  • 7 POSTS
could they both go out same time. this all happened after i spraywashed the engine. worked b4 i did it..didnt afterwards. i may hav knocked something off. can a relay be tested? thanks for diagram..
Jan 13, 2021 at 10:56 AM (Merged)
Avatar
BLUELIGHTNIN6
  • CERTIFIED EXPERT
  • 16,542 POSTS
Possibly could go bad at same time especially with water being sprayed all over them, I have always scringed when someone says they powewashed their engine. The only way I ever wash the engine is with my hands to ensure I only get the cleaning solvant where I want it to go. You can learn how to test a relay at https://www.2carpros.com/how_to/how_do_i_check_a_relay.htm
Jan 13, 2021 at 10:56 AM (Merged)
Avatar
SLIMCHODE
  • MEMBER
  • 1 POST
i just replaced the water pump on my 1997 grand am 2.4L. I also replaced the cooling fan relay and the coolant temperature sensor the fan only comes on when i unplug the coolant temperature sensor could i have gotten a bad sensor or does it have something to do with the wiring.
Jan 13, 2021 at 10:56 AM (Merged)
Avatar
RASMATAZ
  • CERTIFIED EXPERT
  • 75,992 POSTS
Test the coolant temperature sensor and also the PCM control relay


https://www.2carpros.com/forum/automotive_pictures/12900_relay_15.jpg

Jan 13, 2021 at 10:56 AM (Merged)
Avatar
ALPHA227
  • MEMBER
  • 7 POSTS
oops...thanks for the help. i've never had a problem spraywashing an engine..luckey till now i guess.. thanks so much for your help. probly have to have it looked at by a pro. u dont live in indy do ya??
Jan 13, 2021 at 10:56 AM (Merged)
Avatar
BLUELIGHTNIN6
  • CERTIFIED EXPERT
  • 16,542 POSTS
nope sorry, im in kentucky
Jan 13, 2021 at 10:56 AM (Merged)
Avatar
ALPHA227
  • MEMBER
  • 7 POSTS
there are 4 relays right next to eachother. any way to tell which is ac and coolant fan?
Jan 13, 2021 at 10:56 AM (Merged)
Avatar
BLUFFHUNTER
  • MEMBER
  • 14 POSTS
The engine cooling fan is operating all of the time and it is not on defrost, or AC mode. I assume it is probably a sensor or relay possibly. Any information will be greatly appreciated. Thank you
Jan 13, 2021 at 10:56 AM (Merged)
Avatar
WRENCHTECH
  • CERTIFIED EXPERT
  • 20,761 POSTS
That fan is controlled by the same temp sensor that the rest of the operating system uses. You would need a scan tool to verify what temp the computer is seeing but a bad sensor would likely cause a check engine light and an overfueling condition in the engine.
Jan 13, 2021 at 10:56 AM (Merged)
Avatar
BLUFFHUNTER
  • MEMBER
  • 14 POSTS
The coolant temp. sensor was the problem. Fan operates properly now.
Thanks again for the advise.
Jan 13, 2021 at 10:57 AM (Merged)
Avatar
WRENCHTECH
  • CERTIFIED EXPERT
  • 20,761 POSTS
That must have been effecting your fuel mileage too.
Jan 13, 2021 at 10:57 AM (Merged)
Avatar
BLUFFHUNTER
  • MEMBER
  • 14 POSTS
Wrenchtech, We really didn't notice to much fuel difference, but we normally only drive this car 3 miles into town and back. I will mention that the check engine light hasn't came back on since fixing it, and while I was at it I noticed a small amount of anti freeze on one of the heater hoses, so after $55.00 for the hoses ( two hoses joined with a plastic piece )and $22.00 for the sensor, and aprox. 4 hours of my time. I think the problem is solved.
Thank you for the advise you gave me Wrenchtech !
Jan 13, 2021 at 10:57 AM (Merged)
Avatar
WRENCHTECH
  • CERTIFIED EXPERT
  • 20,761 POSTS
Your welcome, Positive feedback is always appreciated.
Jan 13, 2021 at 10:57 AM (Merged)
Avatar
OMG123HELPME
  • MEMBER
  • 1 POST
My cars temp went in the red zone. I figured out the fan isn't working. I want to try to switch the relay out first but can't find it. Any one know where it's at?
Jan 13, 2021 at 10:57 AM (Merged)
Avatar
HMAC300
  • CERTIFIED EXPERT
  • 48,601 POSTS
The radiator coolant fan relay is located on the fire wall here is a guide to help you test it

https://www.2carpros.com/articles/how-to-check-an-electrical-relay-and-wiring-control-circuit

Check out the diagrams (Below)

Please let us know if you need anything else to get the problem fixed.

Cheers
Jan 13, 2021 at 10:57 AM (Merged)