Radiator cooling fans not working

2001 PONTIAC AZTEK
170,000 MILES
Avatar
STILTS69
  • MEMBER
  • 1 POST
Okay so I've been to a few places to have them checked out getting tired of paying people to get me some bull answer and trying to get more money.

Okay so problem is the cooling fans won't come on even when the ac is engaged but they do come on when I disconnect the temperature sending unit so I thought that was the problem so I replaced it but no go I've replace all my relays to the fans still no go I replaced the thermostat and again nothing so I don't know where to go from here

After a flush and fill on the cooling system and messing around I noticed my fans did come on but at the instrument cluster it shows I'm out of the normal range just a little under the dot right before the red and that's when the engine temperature's at 220 so I'm guessing my clusters not accurate and I do hear two clicks and all the needles move to those click's so what's the best way for a repair or should I just replace the whole cluster?

me I got the book from GM and have been doing my home work but still can't find the problem any advice would be awesome and greatly appreciated
Sep 9, 2013 at 4:29 PM
Advertisement
Avatar
STRAILER
  • CERTIFIED EXPERT
  • 53,854 POSTS
Hello,

Yes the fans come on a little late in some models which is normal. You are right about the cluster gauge being a little off which has been our experience as well. You can try replacing the cluster but don't be surprised if the gauge is doing the same thing. I would let it go if the engine is not overheating then there is no problem.

Please let us know what happens.

Best, Ken
Mar 29, 2017 at 3:08 PM
Avatar
  • MEMBER
  • 0 POST
the coolant fans on my pontiac aztek are not coming on i have already purchased a new relay fuse and its still not coming on what else can i do or try
Mar 29, 2017 at 3:13 PM (Merged)
Advertisement
Avatar
JDL
  • CERTIFIED EXPERT
  • 16,098 POSTS
Unplug the coolant temp sensor, then see if fan will turn on? Will the fan run if you turn on the ac? Check for applicable trouble codes. Some of the national brand autostores will check codes for free. Have you checked for voltage and ground at the radiator fan connector?
Mar 29, 2017 at 3:13 PM (Merged)
Avatar
RAGSDALE70
  • MEMBER
  • 1 POST
Electrical problem
2001 Pontiac Aztek 6 cyl Two Wheel Drive Automatic 102000 miles
----------------------------------------------------------------
radiator fans stop working
Mar 29, 2017 at 3:13 PM (Merged)
Avatar
JACOBANDNICKOLAS
  • CERTIFIED EXPERT
  • 110,175 POSTS
Hi:
Check to see if you are getting power to the motors. Also, is the temp gauge in the car working?
Mar 29, 2017 at 3:13 PM (Merged)
Avatar
STRAILER
  • CERTIFIED EXPERT
  • 53,854 POSTS
Hello,

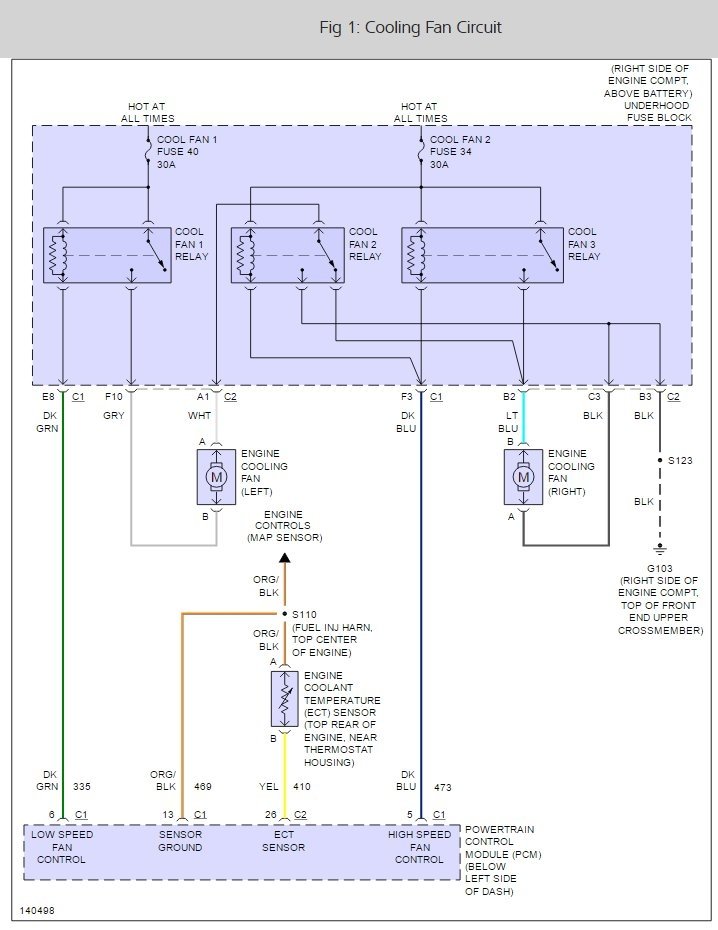
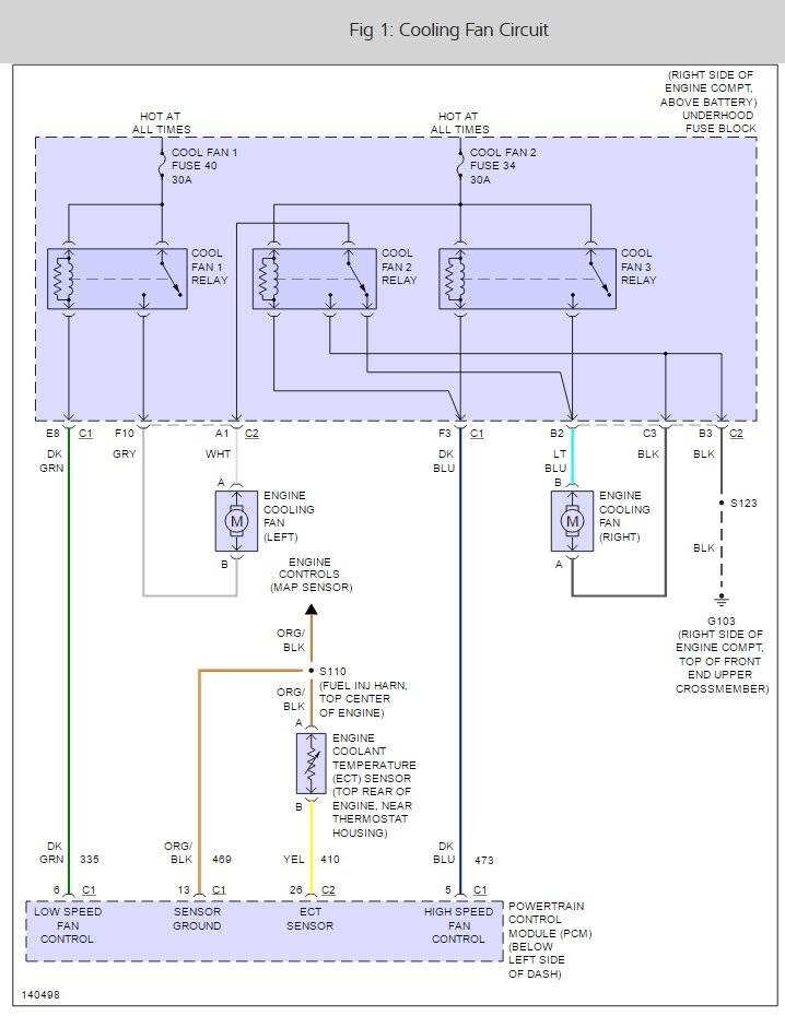
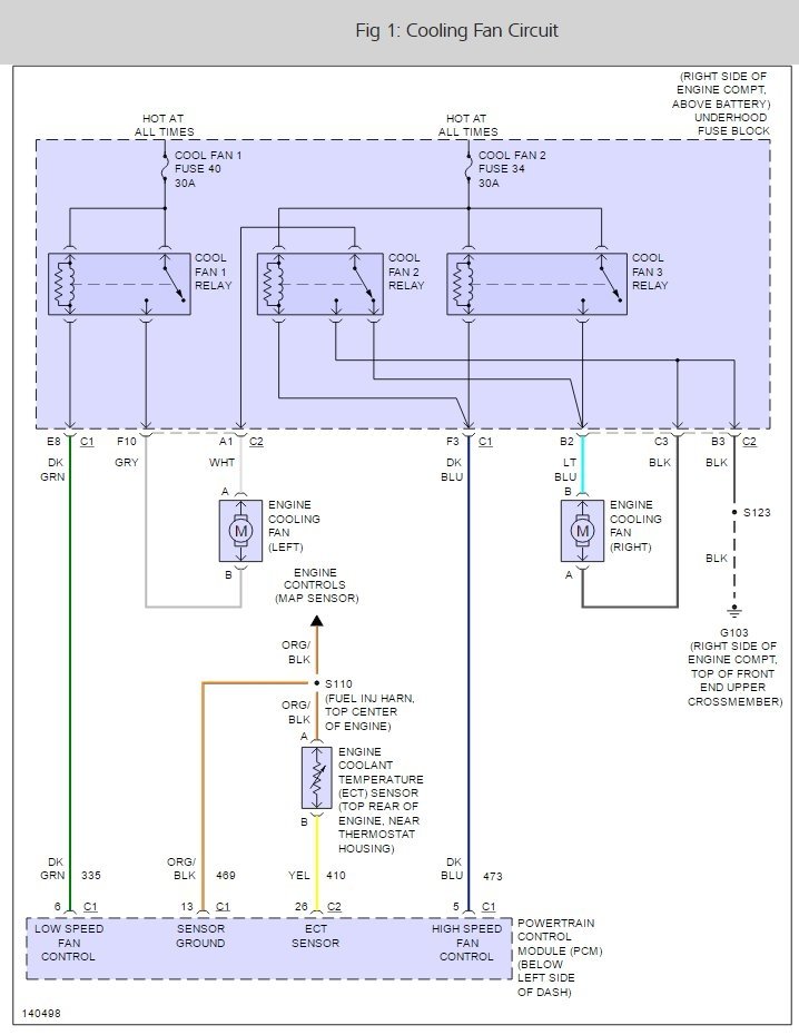
It could be the cooling fan shorted out or one of the relays has stopped working. Is a guide and wiring diagram that will help you get the problem fixed.

https://www.2carpros.com/articles/how-to-check-wiring

and

https://www.2carpros.com/articles/how-to-check-an-electrical-relay-and-wiring-control-circuit

Please let us know what happens.

Best, Ken

Mar 29, 2017 at 3:23 PM
Avatar
DUSTIN PLUMMER
  • MEMBER
  • 1 POST
my option codes are missing for my aztek. how do i get or find the codes so i can order the right fan
Dec 4, 2018 at 12:29 PM
Avatar
STRAILER
  • CERTIFIED EXPERT
  • 53,854 POSTS
The options codes are in the glove box on the inside of the door. There should be three options.

Parts Information OEM Part
Fan Motor

Right
Without HD Cooling
12 - Fan Motor 10427838 178.38
Contact Dealer for most current part and price information

With HD Cooling
12 - Fan Motor 10427858 181.08
Contact Dealer for most current part and price information

Left
12 - Fan Motor 10427837 151.36
Contact Dealer for most current part and price information

This guide should help walk you thought he steps.

https://www.2carpros.com/articles/replace-electric-fan-motor

Please let us know if you need anything else to get the problem fixed.

Cheers, Ken
Dec 5, 2018 at 10:08 AM
Avatar
WGERBICK
  • MEMBER
  • 3 POSTS
I have a 2004 Pontiac Aztek that is running hot. It has yet to overheat (gauge in the red or dash warnings) but the dash gauge has been to the dot before the red zone more than once. It occurs mostly on hot days in traffic when it is stop and go. Extended highway driving seems to help it down some but will still fluctuate a bit. When I watch it in the driveway the temperature gauge keeps climbing but the cooling fans do not come on unless I turn on the AC. This is typically a wash on the temp gauge as the engine works harder but the fans are on. Thoughts on how to diagnose?
May 28, 2019 at 6:37 PM (Merged)
Avatar
RASMATAZ
  • CERTIFIED EXPERT
  • 75,992 POSTS
Check and test the engine coolant temperature sensor/fan relays
May 28, 2019 at 6:37 PM (Merged)
Avatar
WRENCHTECH
  • CERTIFIED EXPERT
  • 20,761 POSTS
This is probably normal. The fans are not programmed co come on until about 227 degrees. That ma seem high but it's normal.
May 28, 2019 at 6:37 PM (Merged)
Avatar
WGERBICK
  • MEMBER
  • 3 POSTS
Thanks for the information. Good places to start. Followup questions though..
- every other car I've seen once the car is up to operating temp the gauge doesn't move. Would it be normal for the gauge in the aztek to fluctuate between less than half and nearly overheating on a consistent basis.
- in the aztek what temperature do the notches on the gauge reference? Or is it arbitrary?
- is there a way to measure the engine temperature? Like with an infrared thermometer or something to that effect.

Thanks again and in advance.
May 28, 2019 at 6:37 PM (Merged)
Avatar
BBKING
  • MEMBER
  • 2 POSTS
I recently noticed my vehicle over heating while in city traffic. Vehicle does not overheat at highway speeds. I do mostly highway driving so do not know how long this has been a problem. Coolant levels are fine in both the radiator and the reserve. The two radiator fans run when I have the A/C on but fail to run when the A/C is off. I have replaced the coolant temp sensor. I have replaced one of the fan relays. The other two fan relays are fine. The fuses are fine. All wiring is in good shape. When I drive in stop and go traffic I run the A/C as a temporary fix until I can fix the problem. I have checked with multiple part supply stores and no one can figure it out. Thank you in advanced.
May 28, 2019 at 6:37 PM (Merged)
Avatar
JDL
  • CERTIFIED EXPERT
  • 16,098 POSTS
Maybe your not waiting long enough for the fans to cycle on? What does the temp gage show? Other than the ac, there is no fan request, as far as coolant, unless the coolant temp exceeds 223 degrees. There is also a hot temp indicator on the dash, that won't come on unless coolant temp exceeds 262 degrees. According to my info.
May 28, 2019 at 6:37 PM (Merged)
Avatar
WRENCHTECH
  • CERTIFIED EXPERT
  • 20,761 POSTS
The dash gauge is not real reliable but the fluctuation could also mean air pockets in the system. The best way is to use a scan tool and see the exact digital temp that the computer is seeing and verify that with an infrared thermometer.
May 28, 2019 at 6:37 PM (Merged)
Avatar
BBKING
  • MEMBER
  • 2 POSTS
The temp gage on the dash usually sits in about the middle, recently it has reached the half hash mark prior to the red. Based on the temp gage on the dash it is hot. The service engine soon light or other warning lights have not come on. I have intentionally let the car get hot to see if the fan would come on and nothing ever happened.
May 28, 2019 at 6:37 PM (Merged)
Avatar
WGERBICK
  • MEMBER
  • 3 POSTS
bbking..did you ever figure out what was causing this issue in you Aztek? I appear to have the same issue going on except the AC seems to make my temp run even higher
May 28, 2019 at 6:37 PM (Merged)
Avatar
JDL
  • CERTIFIED EXPERT
  • 16,098 POSTS
If the person doesn't answer, you can make a new post. More people will see it.
May 28, 2019 at 6:37 PM (Merged)
Avatar
JOHNED55
  • MEMBER
  • 4 POSTS
Aztek Radiator Fan Works When A C On But Not W
Engine Cooling problem
2004 Pontiac Aztek 6 cyl Front Wheel Drive Automatic 125000 miles

I recently noticed my vehicle over heating while in city traffic. Vehicle does not overheat at highway speeds. I do mostly highway driving so do not know how long this has been a problem. Coolant levels are fine in both the radiator and the reserve. The two radiator fans run when I have the A/C on but fail to run when the A/C is off. I have replaced the coolant temp sensor. I have replaced one of the fan relays. The other two fan relays are fine. The fuses are fine. All wiring is in good shape. When I drive in stop and go traffic I run the A/C as a temporary fix until I can fix the problem. I have checked with multiple part supply stores and no one can figure it out. Thank you in advanced. Please note that the thermustat was replace too.
Thanks

May 28, 2019 at 6:37 PM (Merged)
Avatar
JDL
  • CERTIFIED EXPERT
  • 16,098 POSTS
How hot does it get, temp wise, degrees F. Are there any applicable trouble codes? My info says the bcm sends signal to pcm to operate the fans. If bcm has a problem, the pcm can operate the fans by itself.
May 28, 2019 at 6:37 PM (Merged)