how to replace a pressure power steering hose

2001 OLDSMOBILE AURORA
140,000 MILES
Avatar
BURKHART
  • MEMBER
  • 1 POST
can you give me step by step instructions or a video of how to replace this part?
Oct 30, 2011 at 12:23 PM
Advertisement
Avatar
STRAILER
  • CERTIFIED EXPERT
  • 53,854 POSTS
Hello,

Here is a video of how the job is done.

https://youtu.be/BGBUv5r9fk0

You should flush the system once you are done.

https://www.2carpros.com/articles/power-steering-fluid-flush

You will need to raise the car up safely

https://www.2carpros.com/articles/jack-up-and-lift-your-car-safely




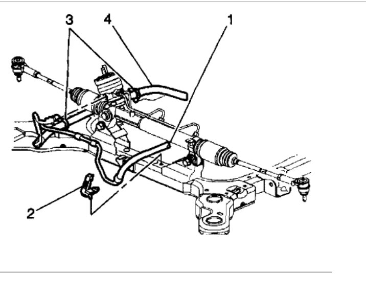
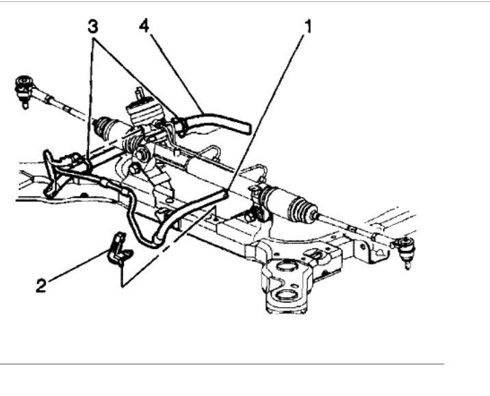
1. Place a drain under vehicle. Raise vehicle. Remove power steering return hose from power steering cooler pipe. Remove power steering return line from power steering gear.

2. Remove clamp holding power steering return line to power steering gear. Remove power steering cooler pipe retaining bolts from frame. Remove power steering cooler pipe from frame. Removing Power Steering Return Line From Power Steering Gear


Here are some diagram of what it is like on your car (below)

Please let us know if you need anything else to get the problem fixed.

Cheers, Ken
Oct 17, 2017 at 8:19 PM