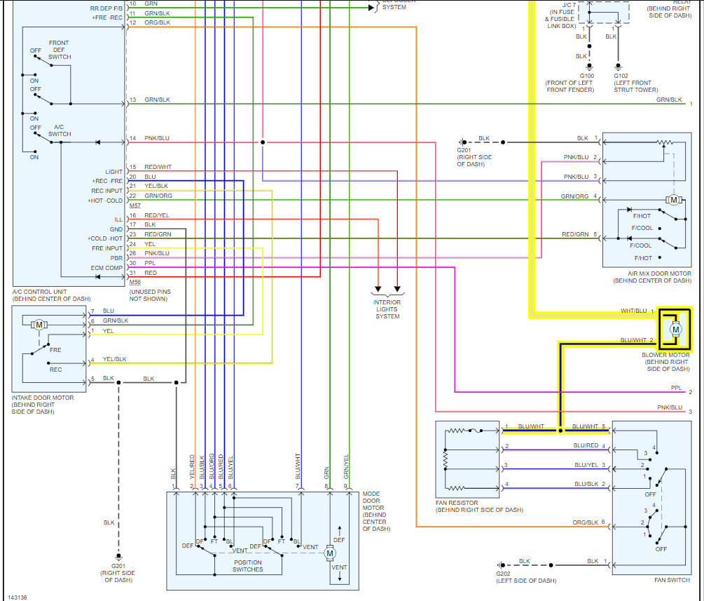
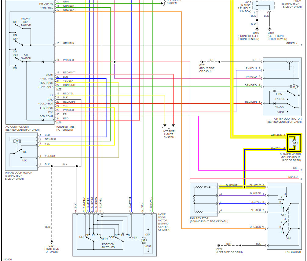
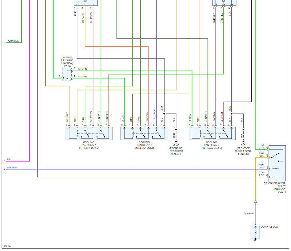
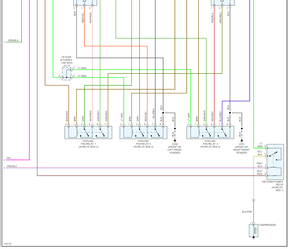
I have the car listed above (GLE model) and the blower motor isn't working. I've replaced the resistor and motor it worked for about a month then stopped. What could be the issue?
Jul 24, 2021 at 3:24 AM




