☰
Login
Join
×
Home
Answered Questions
Repair Topics
Repair & Service Guides
Popular Questions
Warning Lights
Trouble Codes
How It Works
Testing / Diagnostics
Symptoms
Videos
Login
Become a Member
Home
Mitsubishi
Mirage
Exterior Light
Running Light
Not Working
2001 MITSUBISHI mirage tail lights wont work
2001 MITSUBISHI MIRAGE
118,893 MILES • 4 CYL • FWD • AUTOMATIC
DESH3187
MEMBER
1 POST
FOLLOW
My dash lights and tail lights wont work and i checked all my fuses and relays but they are all fine. Any ideas what the problem might be?
Feb 14, 2011 at 11:14 PM
Advertisement
STRAILER
CERTIFIED EXPERT
53,854 POSTS
Hey DESH3187,
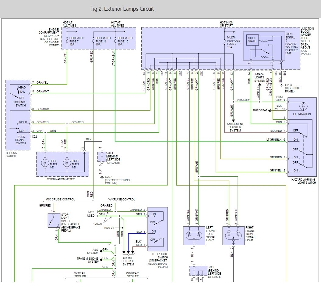
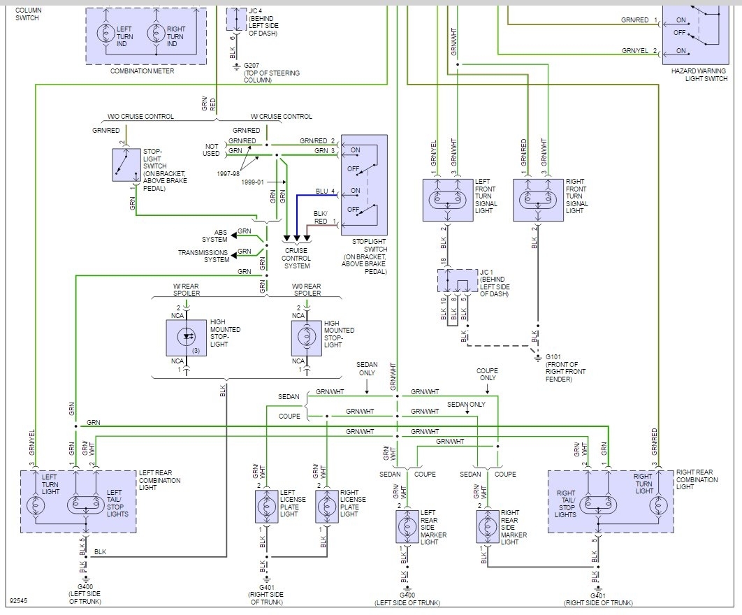
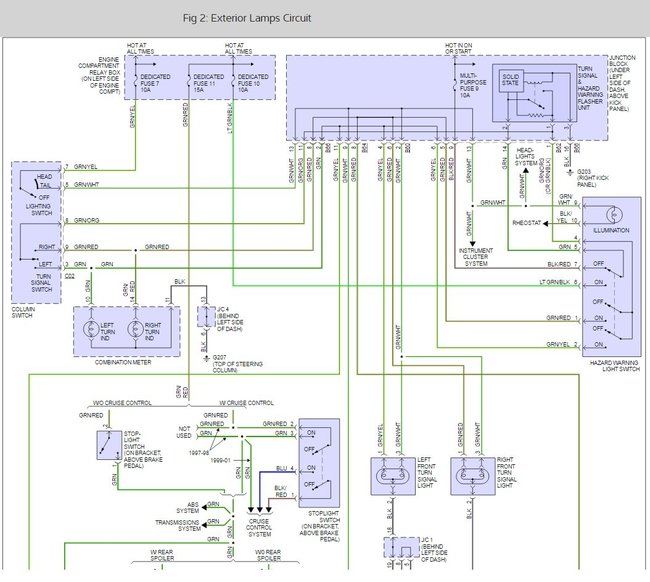
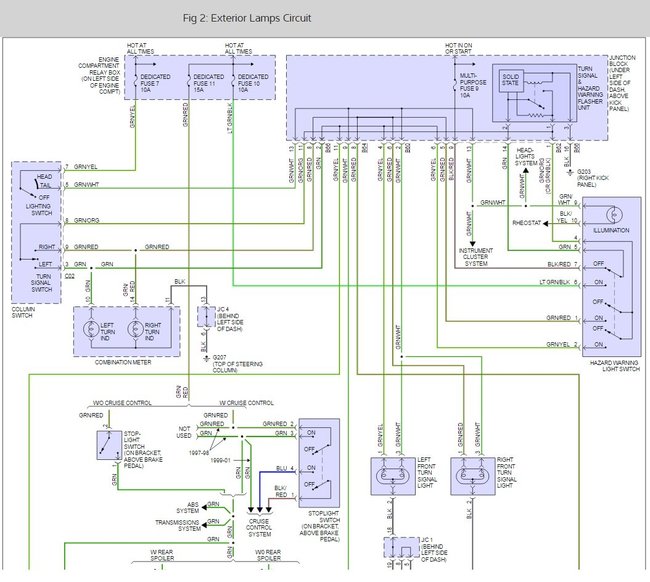
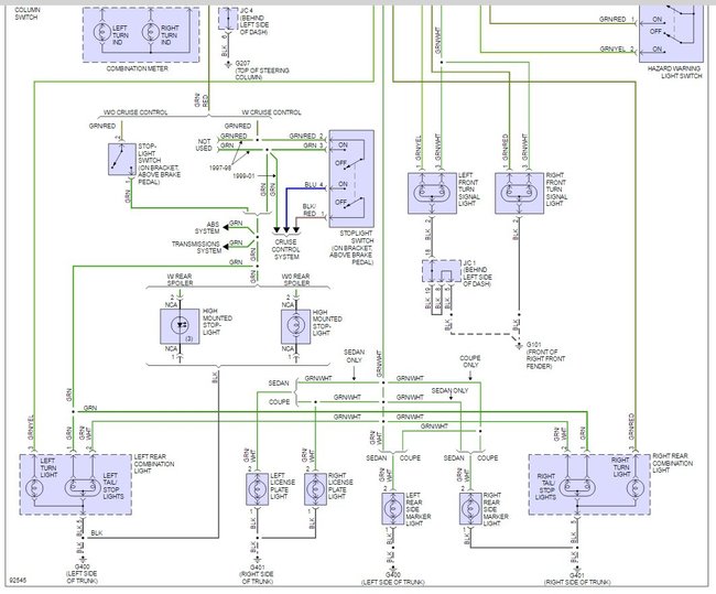
This sounds like you have a problem with the head light switch, here is a wiring diagram and a guide to help you get the problem fixed.
https://www.2carpros.com/articles/how-to-use-a-test-light-circuit-tester
Please run some tests and get back to us so we can continue helping you.
Best, Ken
Images (Click to enlarge)
Feb 14, 2017 at 10:12 AM