PCV valve location

2001 MAZDA MPV
6 CYL • FWD • AUTOMATIC
Avatar
RICARDOFINO
  • MEMBER
  • 1 POST
PCV valve location on MPV 2001 minivan.
Aug 9, 2011 at 11:18 AM
Advertisement
Avatar
RASMATAZ
  • CERTIFIED EXPERT
  • 75,992 POSTS
Hello,

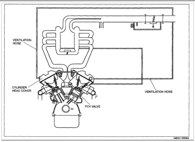
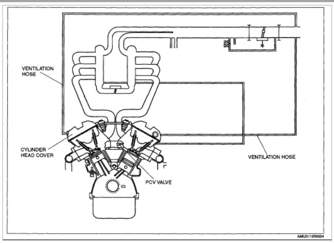
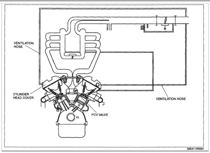
The PCV valve is located near the throttle body. Check out the diagrams (below). Please let us know if you need anything else to get the problem fixed.

Cheers
Aug 25, 2011 at 4:54 AM
Avatar
  • MEMBER
  • 2 POSTS
Six cylinder two wheel drive automatic.

I am looking for procedures to replace a PCV valve on my Mazda van, specifically with illustrations.
Sep 24, 2018 at 3:57 PM (Merged)
Advertisement
Avatar
SATURNTECH9
  • CERTIFIED EXPERT
  • 30,869 POSTS
Here is a picture of the intake with the PCV under it let me know if that's the set up you have on your MPV.

Check out the diagrams (below)

Please let us know if you need anything else to get the problem fixed.

Cheers
Sep 24, 2018 at 3:57 PM (Merged)
Avatar
  • MEMBER
  • 2 POSTS
Thanks for your response. It is an MPV LX. Brought the car in after trouble driving and the diagnosis was that it needed a new PCV hose. We have already put too much into this car over the past year and have decided to try to sell it. I thought the PCV replacement might be something I could do. I got the Mitchell online manual but could not see PCV valve/hose mentioned anywhere. Any additional guidance you could provide for the procedure/how to use the Mitchell for this would be appreciated.

Steve Fowler
Sep 24, 2018 at 3:57 PM (Merged)
Avatar
SATURNTECH9
  • CERTIFIED EXPERT
  • 30,869 POSTS


https://www.2carpros.com/forum/automotive_pictures/416332_2002_mazada_mpv_lx_pcv_location_1.jpg

It is the same one I posted on this post. It show's you where the PCV is and its hose. It say's labor time to replace it is 1.8 hours it looks like the valve is under the upper intake from what the diagram shows. Replacing the upper intake also pay's 1.8 hours. So take a look at your engine and see if you can see it under the upper intake. I found that diagram under vacuum hose routing diagram.
Sep 24, 2018 at 3:57 PM (Merged)