Exterior mirrors and interior lights not working?

2001 LINCOLN TOWN CAR
67,000 MILES • V8 • 2WD • AUTOMATIC
Avatar
LINCOLN2001
  • MEMBER
  • 4 POSTS
suddenly, all at the same time, power outside mirrors both stop working, interior lights do not work when open door, and radio does shut off when open door. I have examined all the fuses.
Jul 19, 2023 at 9:18 PM
Advertisement
Avatar
LINCOLN2001
  • MEMBER
  • 4 POSTS
I meant to say the radio does not shut off when open door.
Jul 19, 2023 at 9:26 PM
Avatar
JACOBANDNICKOLAS
  • CERTIFIED EXPERT
  • 110,175 POSTS
Hi,

The circuits you mentioned are not tied together, so I am a little confused at this point. Do me a favor. I attached two pics below. Pic 1 shows the fuses related to the interior courtesy lighting. Pic 2 is for the exterior mirrors. Check the fuses to see if they are good. Additionally, make sure there is power to and from them.

Here is a link you may find helpful:

https://www.2carpros.com/articles/how-to-check-a-car-fuse

As far as the radio not turning off, I suspect that is related to the same thing causing the interior lighting issue. It seems the circuit doesn't realize the door has been opened.

Let me know about the fuses.

Take care,

Joe

See pics below.
Jul 21, 2023 at 8:09 PM
Advertisement
Avatar
LINCOLN2001
  • MEMBER
  • 4 POSTS
Hello, thanks for your answer. I will contact you as soon as I check the fuses you described.
Jul 22, 2023 at 8:27 AM
Avatar
LINCOLN2001
  • MEMBER
  • 4 POSTS
Sorry I took so long to respond as I have been away. I checked the fuses, and they seem to be good.
Aug 3, 2023 at 3:42 PM
Avatar
JACOBANDNICKOLAS
  • CERTIFIED EXPERT
  • 110,175 POSTS
Hi,

Were you able to check if there was power available at the fuses? The fuse could be good but has no power.

Also, since the radio isn't turning off as well as the interior lights aren't turning on when the door is opened, that indicates an electrical issue with the door switches. Since we lost the exterior mirror operation at the same time, I suspect we lost power. That is why I'm asking if you checked for power to and from the fuses.

https://www.2carpros.com/articles/how-to-check-a-car-fuse

Let me know.

Joe
Aug 3, 2023 at 9:11 PM
Avatar
LINCOLN2001
  • MEMBER
  • 4 POSTS
The fuses all had power to them. I wonder if this could be caused by the Driver Door Module.

I also wonder if this could be a problem in the fuse box under the hood, as I have only checked the fuses under the dash. Thank you.
Aug 3, 2023 at 10:05 PM
Avatar
JACOBANDNICKOLAS
  • CERTIFIED EXPERT
  • 110,175 POSTS
Hi,

If you have power under the dash, it comes from the fuse box under the hood. Your question related to the door module is relevant. I would recommend checking if it is getting power.

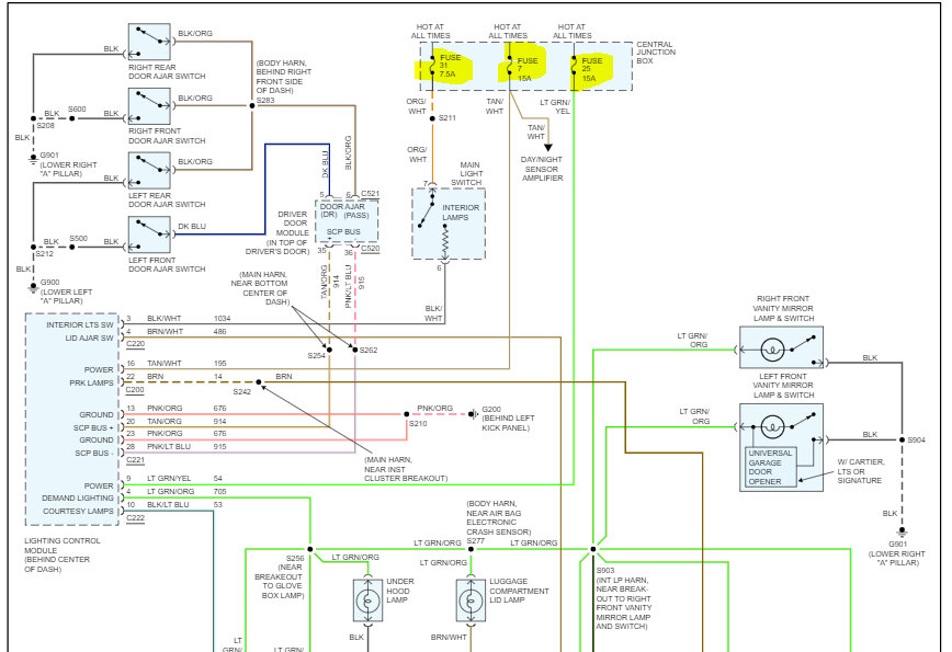
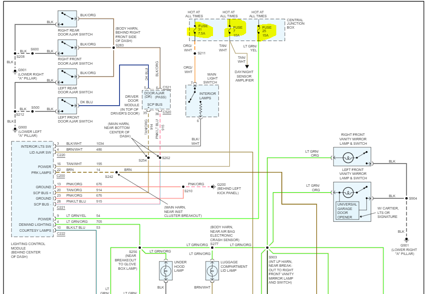
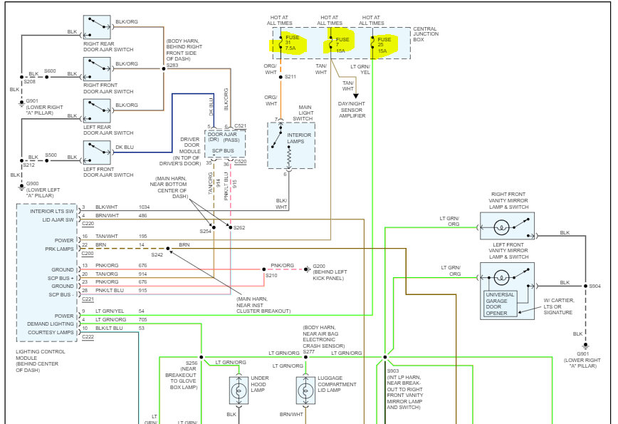
There should be two connectors at the module. I attached a pinout of them below along with the legend for each. If you don't have a signature series, let me know. It's different.

The larger of the two connectors is the one that receives power. Both pins 26 and 29 should have power at all times. Check if that is the case.

Additionally, take a look through the legend and let me know if there are other things that are listed being affected.

Take care,

Joe

See pics below.
Aug 4, 2023 at 7:56 PM