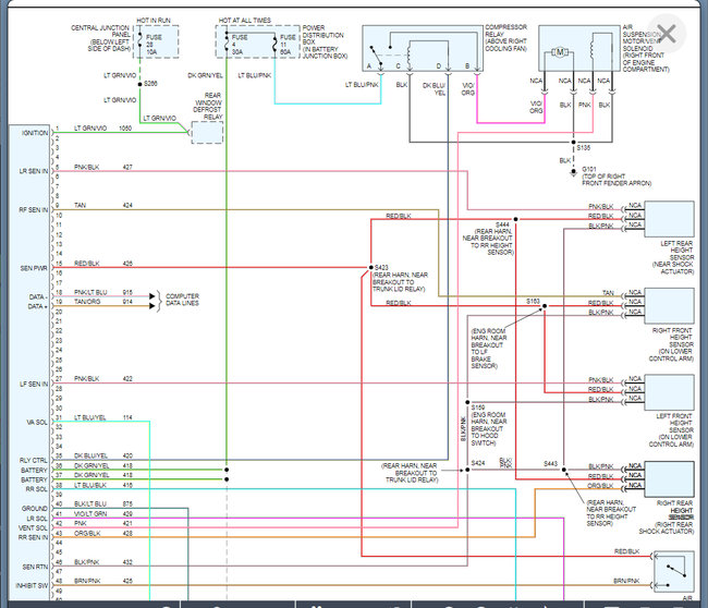
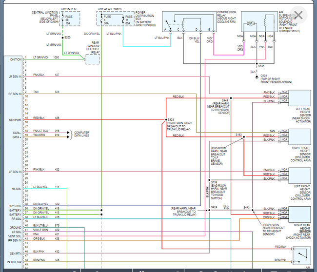
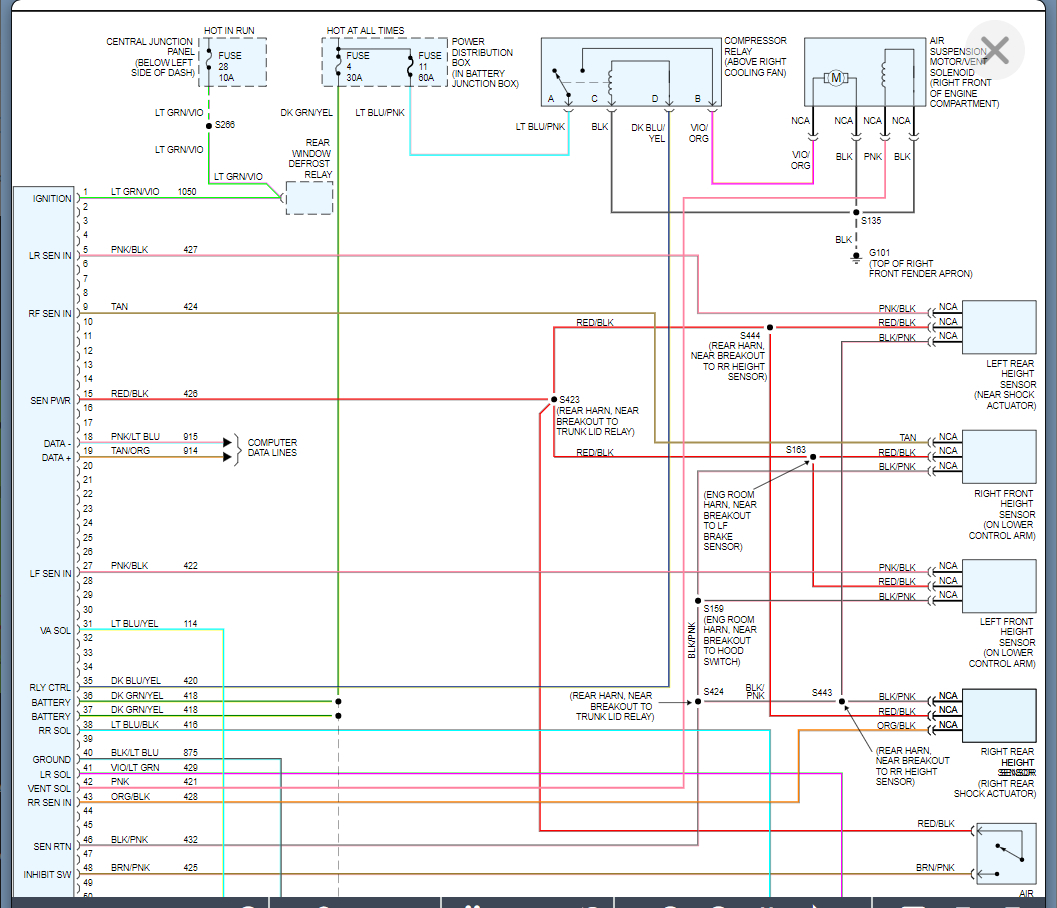
I have a 2001 Lincoln Continential and the check air ride keeps coming on. The pump works on and off and the air bags don't leak. When it does work and fills up and levels out, when I'm driving, as soon as I hit the brakes the the check ride control light comes on and the air escapes. Sometimes as soon as I turn the car back on they re-inflate and other times the pump won't come on for a week or more. I pulled the air pump out today and took it apart and everything looked ok so I just reassembled it and put it back in. I'd appreciate your advice.
Aug 5, 2012 at 8:11 PM

