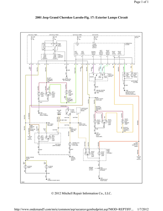
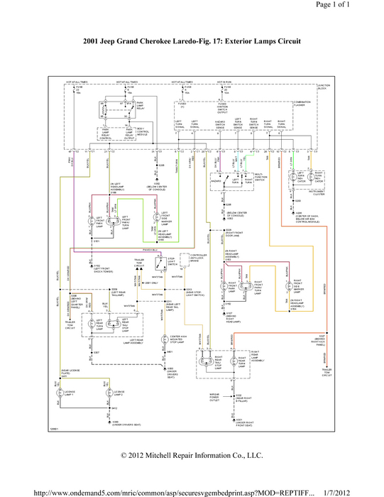
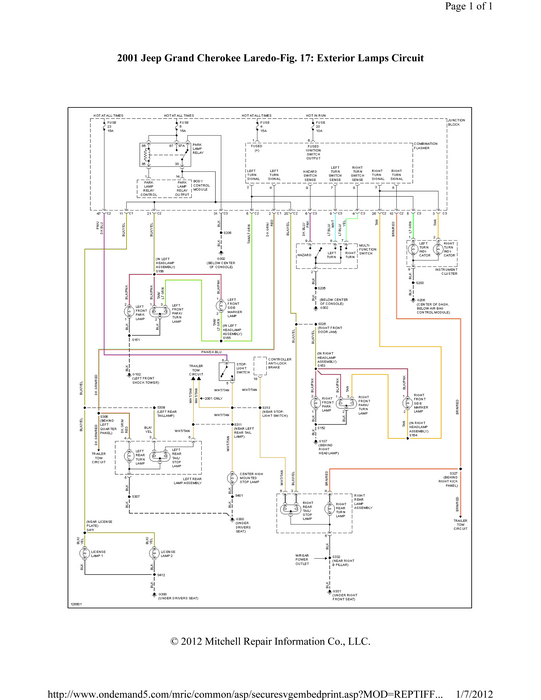
the left rear brake light went out on my 2001 jeep grand cherokee. i replaced the bulb and then the socket. the brake light works but wwhen i turn on the lights and hit the brake the tail light and brake light on the left side go completely out. all other lights work fine.
Jan 8, 2012 at 1:02 AM
