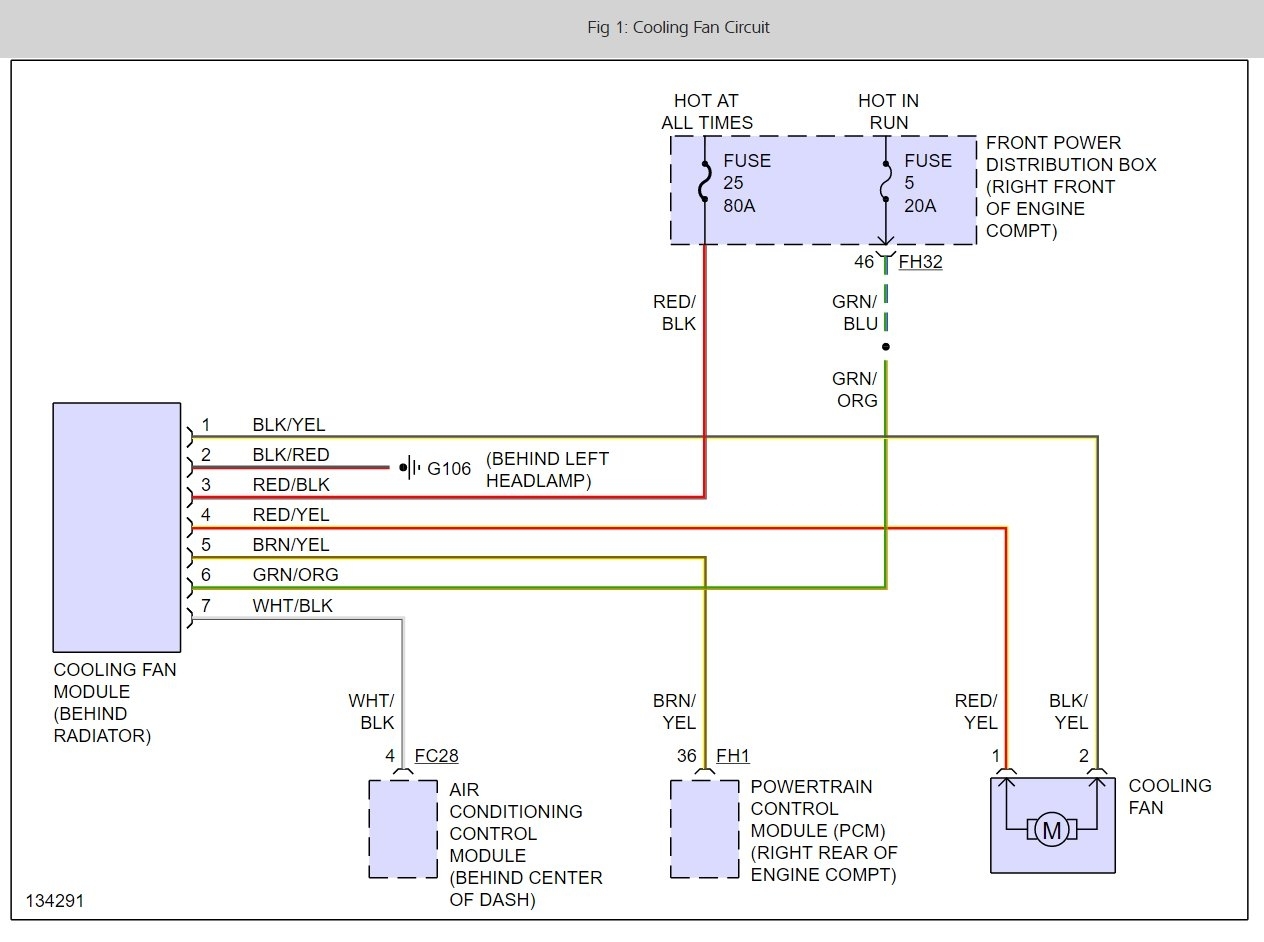
Hi i just purchased a 2001 s type 4.0 jaguar and the cooling fan runs continuosly. And the temp needle stays in the middle should this be happening? thank you for your reply.
Feb 22, 2011 at 1:41 PM
