troubleshooting codes

2001 ISUZU RODEO
4 CYL • 2WD • AUTOMATIC
Avatar
GODAWGS400
  • MEMBER
  • 1 POST
p0405 code on a 2001 isuzu
Aug 3, 2011 at 4:14 PM
Advertisement
Avatar
KASEKENNY
  • CERTIFIED EXPERT
  • 18,907 POSTS
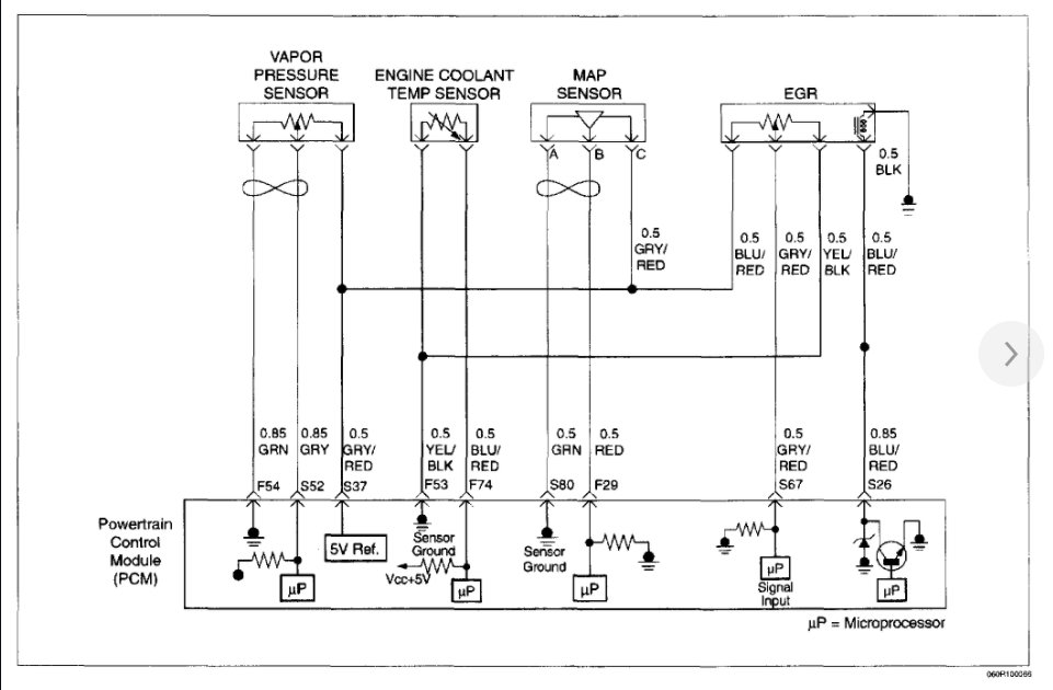
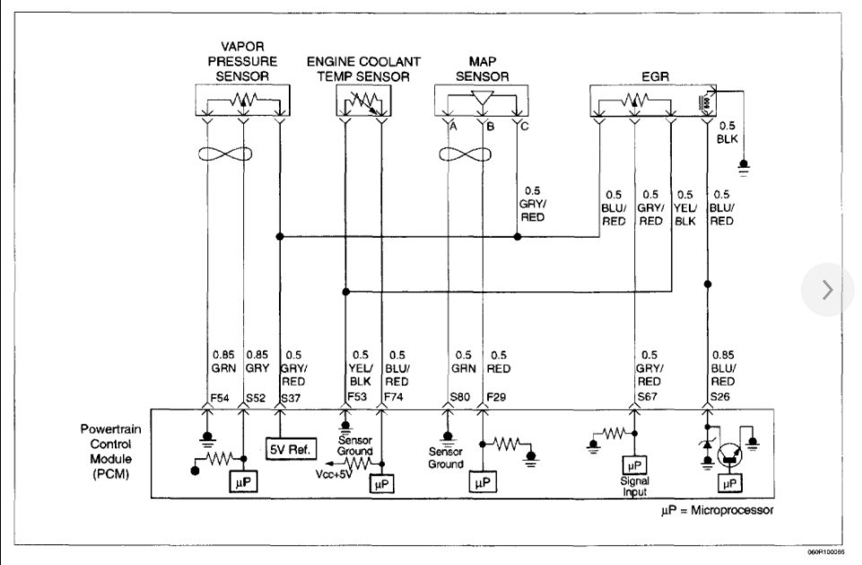
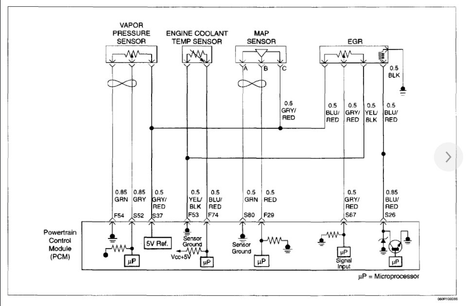
This code is for a low voltage on the EGR.

I am attaching the testing that we need to run through in order to figure out what the issue is. However, we need these couple of guides to help do this type of testing.

https://www.2carpros.com/articles/how-to-check-wiring

https://www.2carpros.com/articles/how-to-use-a-voltmeter

Please see the info below on the description and testing that you need in order to figure out what the issue is.

Let us know what questions you have, and we can go from there. Thanks
Nov 3, 2021 at 7:30 PM