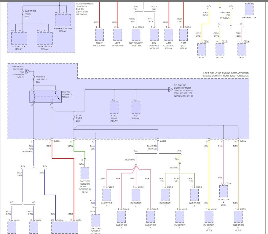
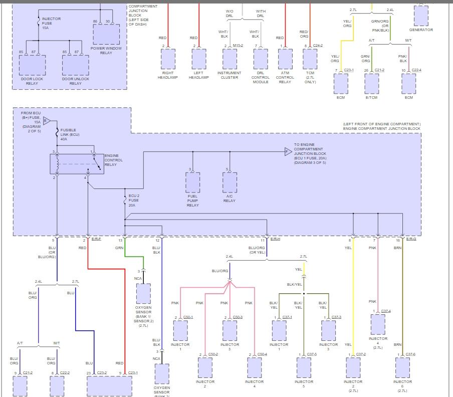
I started my SUV drive for 10 mints it died waited 8 hours and it started back up died again got it towed to my house i reset the cut off switch replaced the crank sensor cam sensor ignition coils all new fuses under the hood still no power to relay or pump but if i tap check pump to hot wire or battier you hear the pump and fuel injectors spraying. But not when i turn the key still no power to pump or relay ? Please help!
Oct 19, 2015 at 5:01 PM
