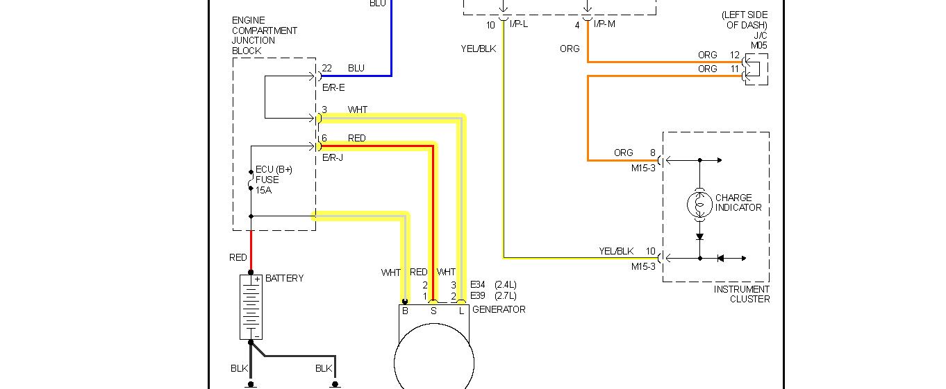
Charging system warming light and parking brake/brake fluid warning light sometime on and sometime off together and sometime longer and sometime short, the brake fluid okay and drive okay. I went to shop check it but this is ok time and can't find problem.can you tell me what.s problem. Thanks
Jan 5, 2012 at 10:18 PM

