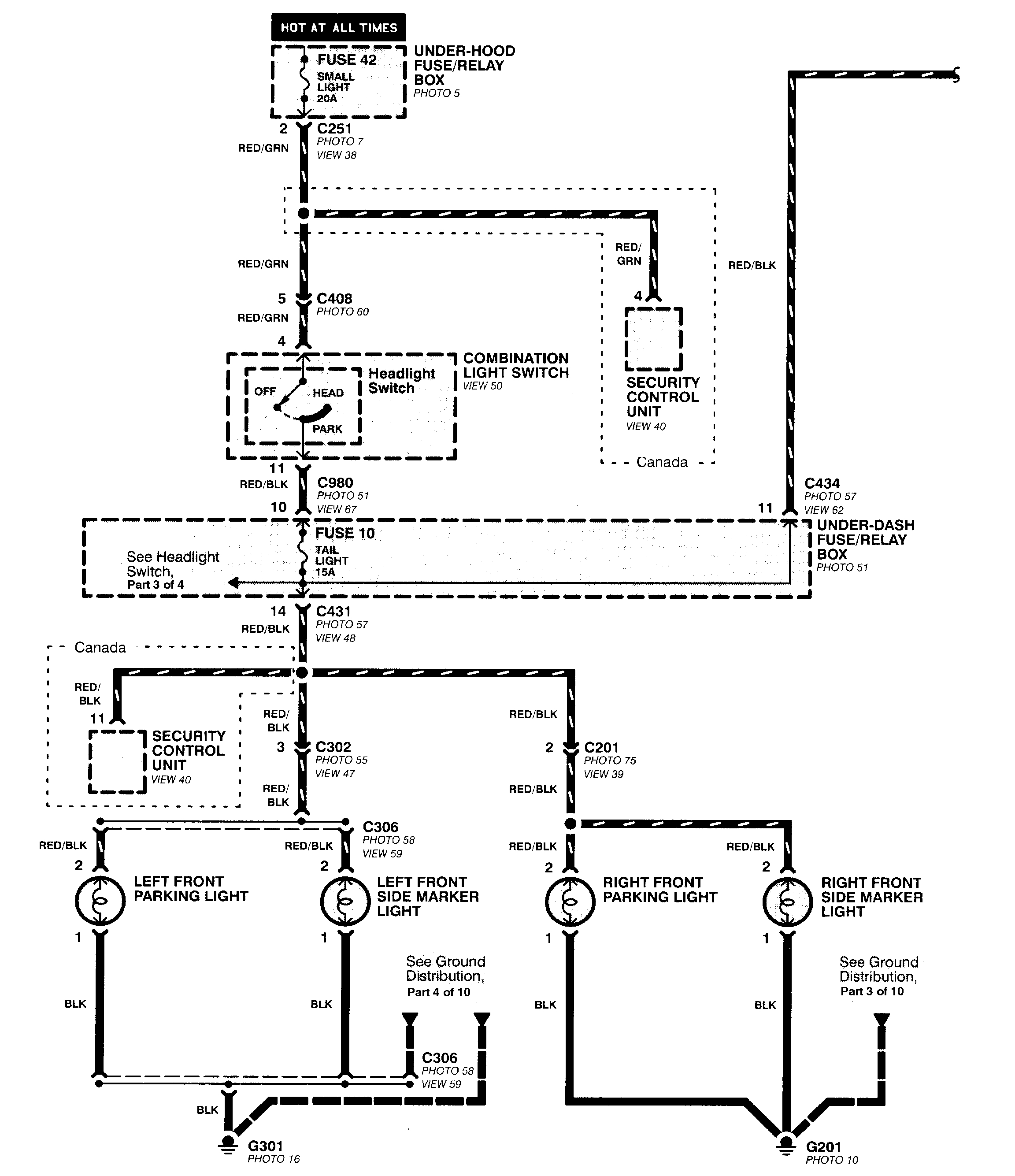
Okay, that helps narrow it down a bit. The one under the hood powers a few other circuits before it gets to the lights. Fuse 10 still has a large circuit but it should be easier to trace.
Did anything happen prior to this like any accidents or changing of bulbs? Does this car have a hitch on it? Trailer harnesses are real bad about shorting. The attached should cover the lights that are the problem. There are a couple ways to find a short. I'll give you the easier version first. Go to a parts store or online and get a short finder. It's basically a thermal circuit breaker and a magnetic needle. You connect it in place of the fuse and then hold the needle close to the path of the wire. The needle will bounce around as the breaker cycles. Where it stops is the area of the short. I would only use it for about ten minutes, then let the wires cool as the short will try to heat them up.
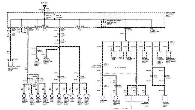
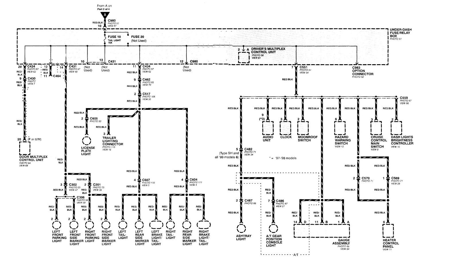
To narrow it down even faster you can go to each of the tail and front lights, pull them out like you were changing a bulb, there will be a connector in the line, if you disconnect them one at a time you could find that the short is in one of the lights itself. There are also inline connectors. In the attached image C517 which is attached to the rear shelf in the trunk can be disconnected, if the short goes away the problem is in the rear lighting harness.
You can also use a test light connected in place of the fuse and do the same testing by disconnecting the connectors in the harness until the light goes out.
Images (Click to enlarge)
Feb 14, 2019 at 5:35 AM