non functioning

2001 GMC SAFARI
175,000 MILES • 6 CYL • 2WD • AUTOMATIC
Avatar
SYLVAIN AMAR
  • MEMBER
  • 4 POSTS
air conditioner working but air only comes out of top vent
Jun 13, 2011 at 4:20 PM
Advertisement
Avatar
JDL
  • CERTIFIED EXPERT
  • 16,098 POSTS
The actuators are vacuum controlled. Check vacuum source.
Jun 13, 2011 at 4:40 PM
Avatar
SYLVAIN AMAR
  • MEMBER
  • 4 POSTS
ALL VACUUM HOSES WERE CHECKED AND SEEM FINE.?
Jun 13, 2011 at 5:23 PM
Advertisement
Avatar
JDL
  • CERTIFIED EXPERT
  • 16,098 POSTS
There has to vacuum, can you feel the vacuum? If the hoses are fine and there is no vacuum, it won't work.
Jun 13, 2011 at 5:26 PM
Avatar
SYLVAIN AMAR
  • MEMBER
  • 4 POSTS
THERE IS VACUUM AND THE AIR IS COMING OUT FROM THE TOP AND BOTTLE VENTS JUST NOT THE MANIN MIDDLE VENTS ?
Jun 13, 2011 at 5:28 PM
Avatar
JDL
  • CERTIFIED EXPERT
  • 16,098 POSTS
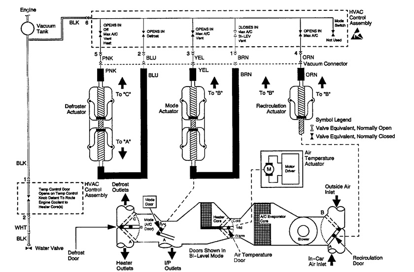
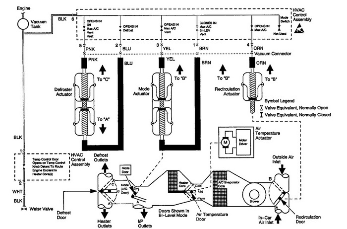
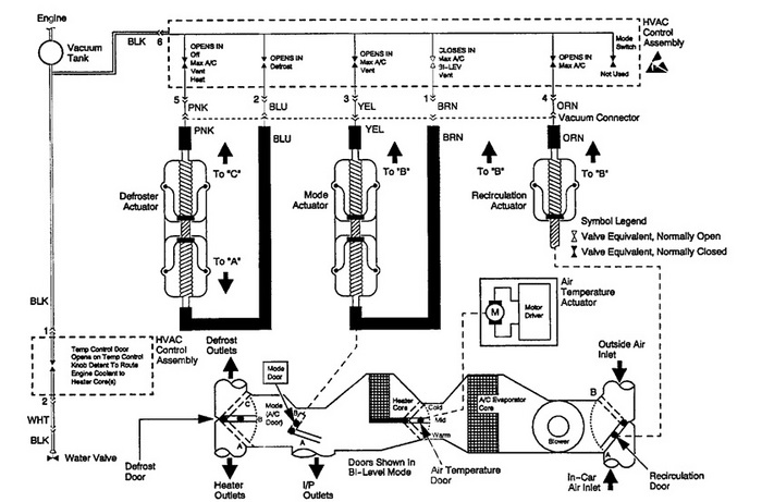
Below is the vacuum diagram. Check the vacuum to and from the actuator.
Jun 13, 2011 at 5:32 PM
Avatar
SYLVAIN AMAR
  • MEMBER
  • 4 POSTS
ok great than you veru much
Jun 13, 2011 at 5:33 PM
Avatar
WRENCHTECH
  • CERTIFIED EXPERT
  • 20,761 POSTS
The mode selection is done through a series of air doors that are operated by vacuum. When there is either a partial or total loss of vacuum, the system will default to either defrost or on some vehicles, heat. Acceleration can also have an effect on the doors for the same reason.

Look under the hood for a small black plastic hose coming through the firewall. Follow it to the vacuum source looking for any breaks, cracks or leaks. Also follow any other lines that branch off because they may go to a vacuum reservoir (storage tank) and a leak there will cause the same problem. Using a vacuum gauge to determine if you have full vacuum at any given point is the best way to find it. You can cut into the line anywhere and splice it back together with a piece of vacuum hose. Find the broken line, you found your problem.
Jun 13, 2011 at 7:25 PM