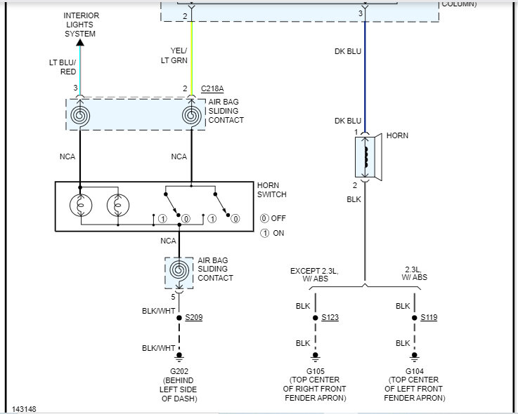
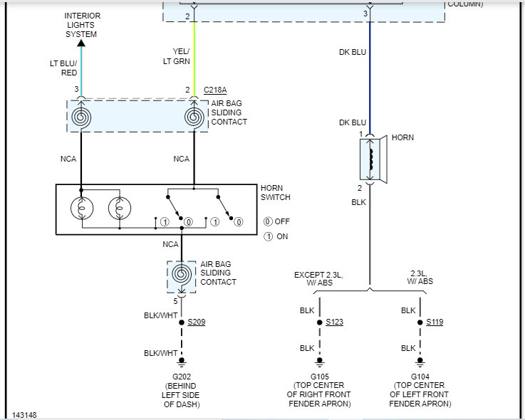
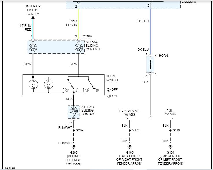
I have searched all over the internet and I cannot find where the fuse or relay is for the horn it keeps blowing, I am just trying to pull the fuse, so it won’t keep going over and over again.
The truck listed above is an XLT.
The truck listed above is an XLT.
Feb 12, 2023 at 8:48 PM



