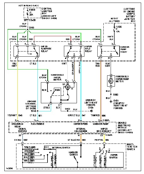
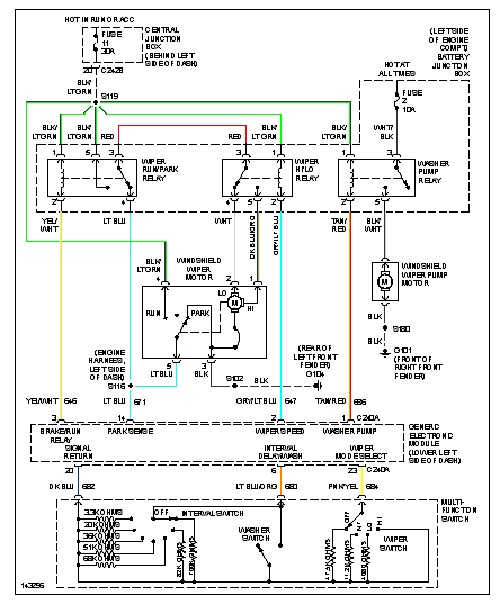
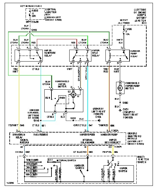
I am working on a 01 powerstroke and the wipers don't work. I check the fuses and they are good. It does not look like the wiper motor is spinning, also locks are acting funny. If you have something I can check or if you have a wiring diagram that would be great. Thanks!
Mar 14, 2011 at 5:57 PM
