☰
Login
Join
×
Home
Answered Questions
Repair Topics
Repair & Service Guides
Popular Questions
Warning Lights
Trouble Codes
How It Works
Testing / Diagnostics
Symptoms
Videos
Login
Become a Member
Home
Ford
F-150
Body
Window
Fuse
Window fuse?
2001 FORD F-150
155,000 MILES • V8 • 2WD • AUTOMATIC
WDD106
MEMBER
1 POST
FOLLOW
Where is the location of the fuse for the power windows?
Feb 24, 2011 at 1:37 AM
Advertisement
STRAILER
CERTIFIED EXPERT
53,854 POSTS
Hello,
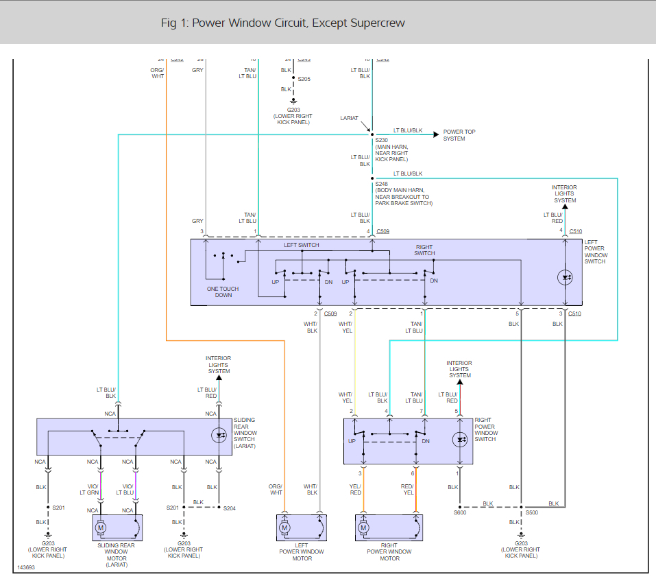
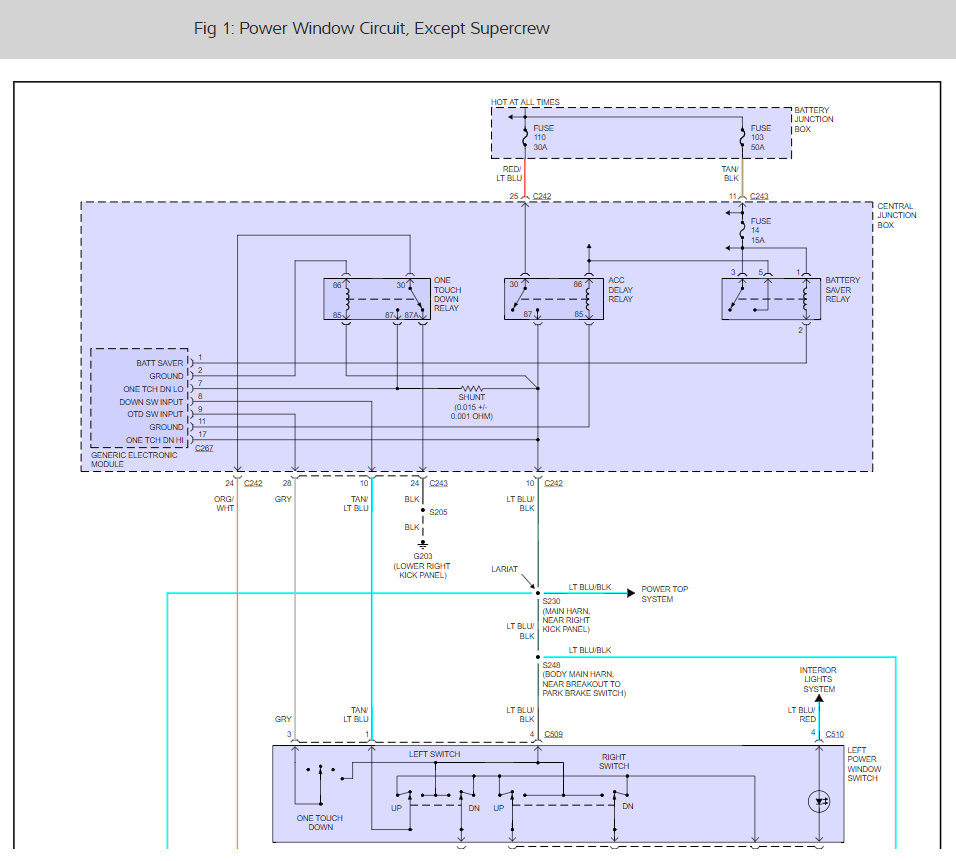
The fuse #103 and #110 is under the hood in the PDC. Here is a few guides and some diagrams (Below) to help you get the problem fixed.
https://www.2carpros.com/articles/how-to-check-a-car-fuse
and
https://www.2carpros.com/articles/how-to-use-a-test-light-circuit-tester
Please let us know what happens so it will help others.
Cheers, Ken
Images (Click to enlarge)
Aug 19, 2017 at 2:05 PM