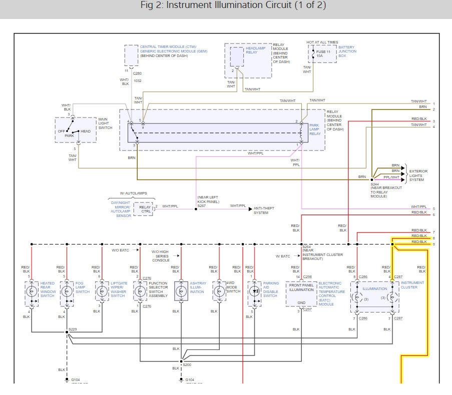
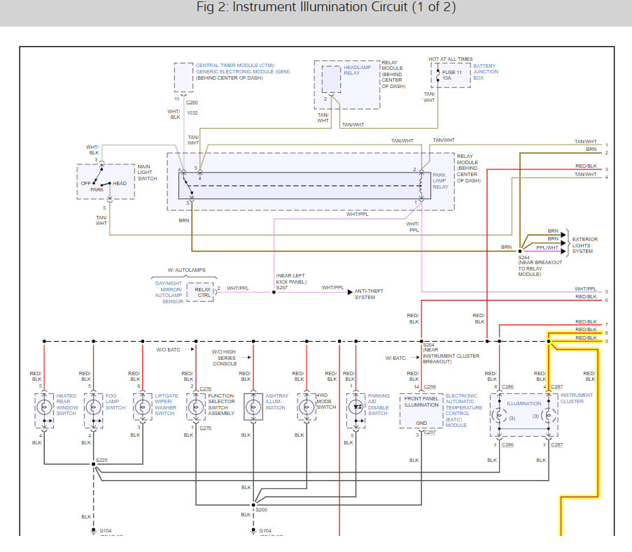
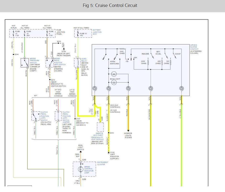
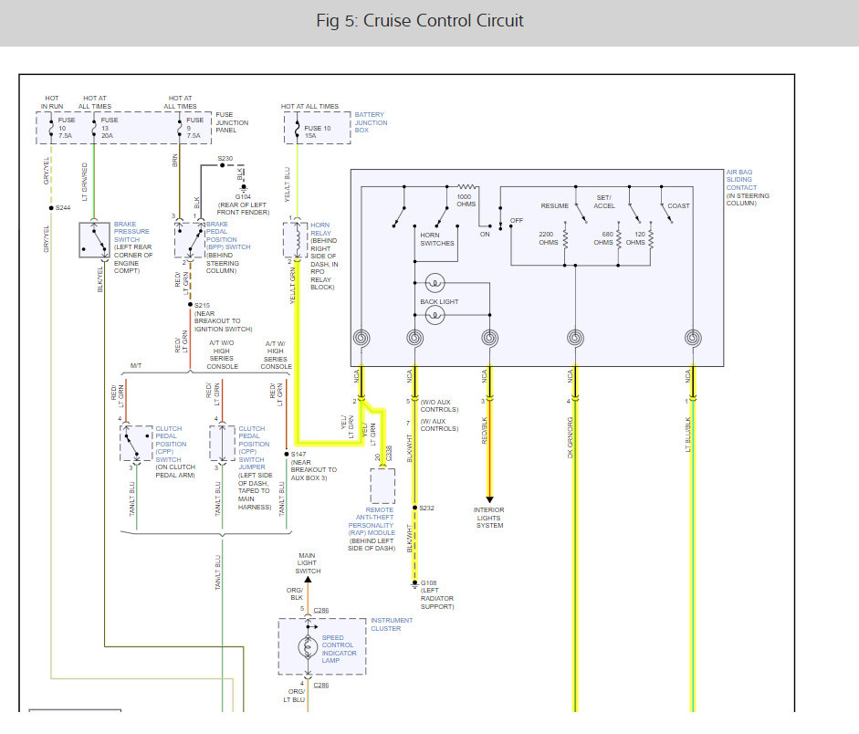
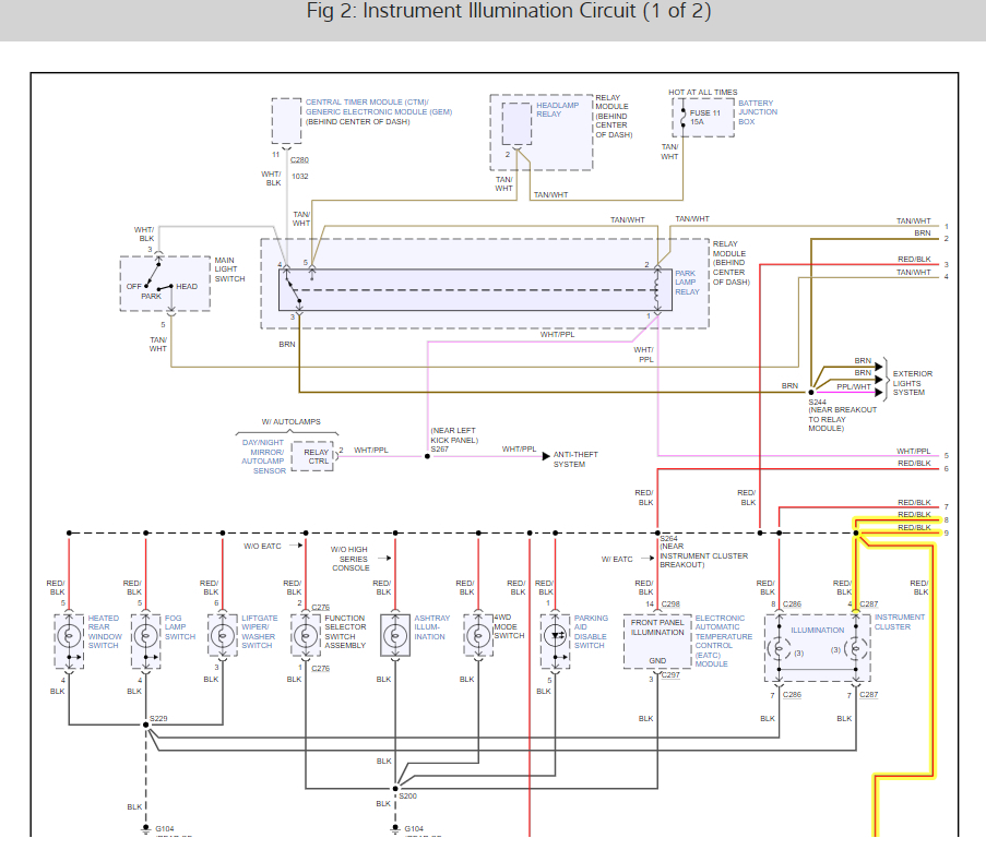
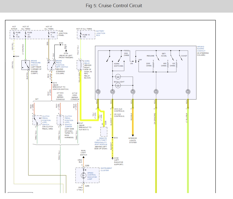
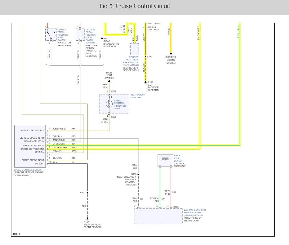
Cruise control, temperature control and fan control on steering wheel not working. airbag is fine and clock spring has continuity to the connector under the dashboard. Do you have a wiring diagram for the clock spring?
Jun 26, 2020 at 11:47 AM






















