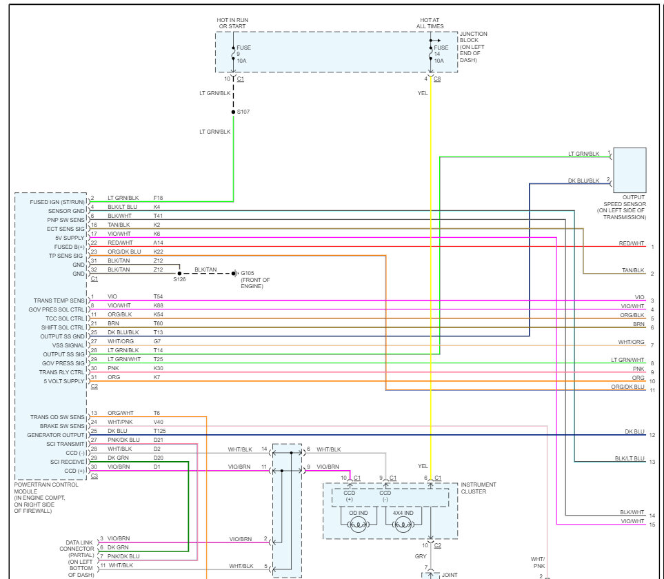
I've got the code being thrown. Truck starts off in 2nd gear and no O/D. I am trying to check continuity in wire harness. On the transmission there's an 8 pin connector. It's numbered. The number 1 pin , should it have voltage to it? I read on a forum somewhere that , that pin is supposed to carry voltage. As of now it's not carrying any voltage. So that's my question. Better yet cuz I can not find a schematic, is does anyone have a diagram of what pins on that 8 pin connector are supposed to have voltage and which ones don't ? Or am I going down the wrong road here? But i am thinking this problem is an open ground or something and I've been looking by doing continuity tests, I've pulled the pan, gone through the wiring harness, looked at the o2 sensors. Done some back probing at the PCM, any help would be great
Mar 3, 2015 at 2:35 PM



