Headlight Switch

2001 DODGE DAKOTA
64,000 MILES
Avatar
JRFIREFIGHTER533
  • MEMBER
  • 12 POSTS
The headlights have an automatic shut off once the switch is turned to the off position. When the switch is turned to the off position with the key in the ignition and turned to the on position the lights will flicker quickly, then stay steady when the key is turned off. When the headlight switch is turned to the off position the lights should turn off on a timer and they don't, the timer only works if the headlight switch is turned to middle (driving light) position. We were told that the problem was in the switch itself but we just replaced the switch and the problem was not fixed. Any insight would be greatly appreciated. If you need anymore info please ask
Jul 13, 2013 at 9:10 PM
Advertisement
Avatar
CJ MEDEVAC
  • CERTIFIED EXPERT
  • 11,004 POSTS

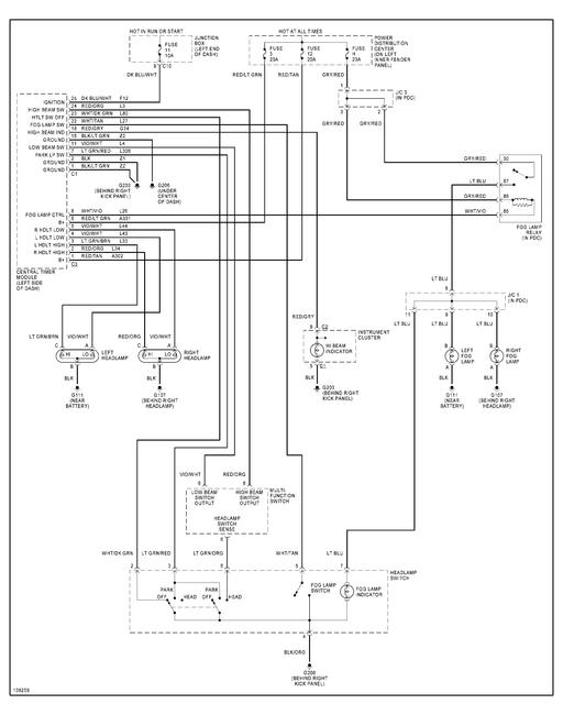
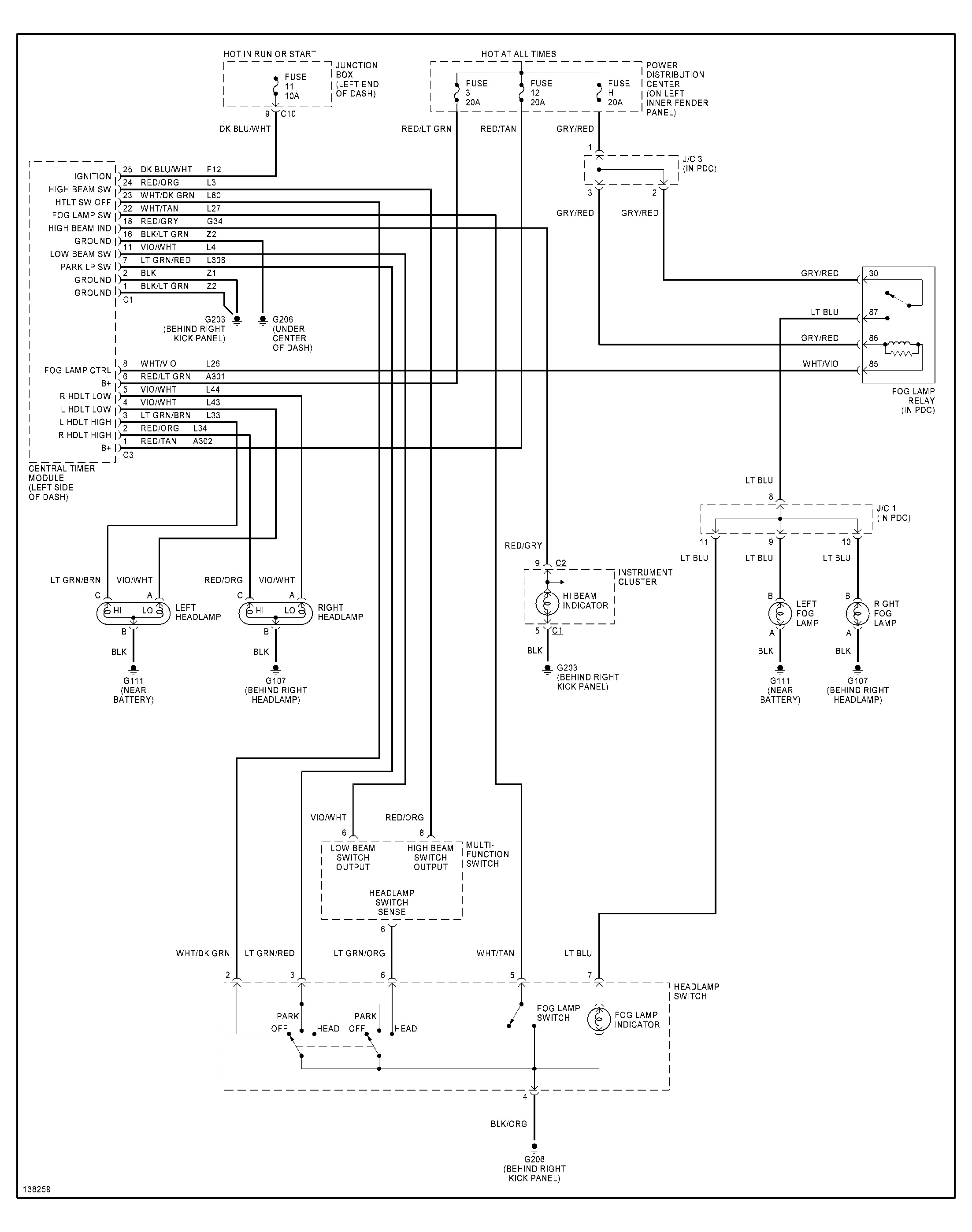
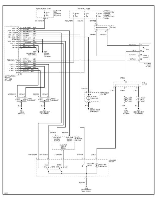
this look like your system? this is a '01 dodge dakota "headlight circuit" out of "mitchell i" it should show everything dealing with the headlamps. Check out the diagrams (Below). Please let us know what happens.
Jul 13, 2013 at 9:16 PM
Avatar
JRFIREFIGHTER533
  • MEMBER
  • 12 POSTS
Yes, this is exactly what it looks like
Jul 14, 2013 at 7:12 PM
Advertisement
Avatar
CJ MEDEVAC
  • CERTIFIED EXPERT
  • 11,004 POSTS
do you see anything along the lines, in the diagram, that could be suspect? i have read, a good while back, somewhere in here (2carpros), another issue with a dakota with a "central timer module" issue (i don't remember the problem)........it's shown in the top left corner of the diagram i also did a google search (and used images only....sorta my favorite way to search!) to look around a bit for what the "ctm" looked like in a real photo, exactly where it is located, and how much one might cost
Jul 14, 2013 at 8:02 PM
Avatar
JRFIREFIGHTER533
  • MEMBER
  • 12 POSTS
I have been thinking about a jeep but the Dakota is my dads truck lol. Not sure if you remember but you helped me with a question about my 95 Silverado awhile back. Hadn't heard anything about a CTM but now that i have i will definitely check it out! I'll try touching the cables tomorrow when i have more light. Thanks again for your help!!
Jul 14, 2013 at 9:44 PM
Avatar
JRFIREFIGHTER533
  • MEMBER
  • 12 POSTS
Unfortunately no luck on resettin the CTM :/ i did some research and that seems like exactly what it is, and its definitely pricey. Lol. Yes sir you were a help with my Chevy and and before this post i had never even heard of a CTM so you've been a big help. Thank you
Jul 16, 2013 at 10:07 PM
Avatar
THOMAS81
  • MEMBER
  • 1 POST
turn switch on but lights will not come on. I have check the fuses and they are not blown. They have work at one time. I have drove before with the lights on and they work for a while and then it will go off and not come back on. The lights will not work now. I would like to know how to fixs this problem.
Feb 9, 2021 at 12:28 PM (Merged)
Avatar
JDL
  • CERTIFIED EXPERT
  • 16,098 POSTS
Hello, did you check the fuse circuit for voltage? Even if the fuse is good, if there is no voltage on the circuit, the circuit is dead. Did you check the wiring circuits at the headlamps? Violet wire is hot for low beam, red wire is hot for high beam, black is ground. If no voltage, backtrack the circuit. Possibilities-- headlamp switch-- dimmer switch--wiring circuit.
Feb 9, 2021 at 12:28 PM (Merged)
Avatar
FEBRUARY1982
  • MEMBER
  • 1 POST
i have a 98 dakota last winter on a cold night my low beam lights didnt work but my high beam/ running lights etc did after the truck warmed up the low beams started working yesterday on a wet chilly day i had the same problem i let the truck sit till the next day and the low beams are working i replaced the high beam/turn signal switch today just in case that was my problem do you think i am in the right area its hard to trace a electrical problem when they are working thanks
Feb 9, 2021 at 12:29 PM (Merged)
Avatar
JDL
  • CERTIFIED EXPERT
  • 16,098 POSTS
Welcome to the forum, your right, you have to do testing when the problem is ongoing. You can't test anything, when it is working correctly. The violet wire with white tracer carries voltage for the low beam circuit. There may be a multiwire connector under the dash, close to steering column, for circuits going to and from the steering column. If the problem occurs again, check for voltage on that wire. My first thought would be the dimmer switch? You may have it fixed?
Feb 9, 2021 at 12:29 PM (Merged)
Avatar
CHEWSON80
  • MEMBER
  • 1 POST
i have a 1997 dodge dakota quad cab 2wd and the headlights will not work unless on highbeams and the speedometer cluster will not light up at all.i replaced the headlight switch and still didnt fix it.can u guide me in right direction
Feb 9, 2021 at 12:29 PM (Merged)
Avatar
JDL
  • CERTIFIED EXPERT
  • 16,098 POSTS
When you had the wiring connector loose from headlamp switch, You should have used a jumper wire on the proper two terminals to see if low beams would work, with dimmer in low beam position. At the switch, red wire with lite green tracer is voltage, fuse protected, hot all the time. Lite green wire is circuit for low beam.
Feb 9, 2021 at 12:29 PM (Merged)
Avatar
KERSTINM
  • MEMBER
  • 1 POST
when we pull the headlight switch on our dakota, the lights will not come on. In order to have lights at all we have to hold the lever for the brights back. If we get a new headlight switch, will that fix it or does the problem ly a little deeper than that?
Feb 9, 2021 at 12:29 PM (Merged)
Avatar
JACOBANDNICKOLAS
  • CERTIFIED EXPERT
  • 110,175 POSTS
Hi:
It could be the switch. It's a cheap try, but if it doesn't work, you will need to checking wiring in the steering column or thehi / low beam switch itself.

Joe
Feb 9, 2021 at 12:29 PM (Merged)
Avatar
JOE1953
  • MEMBER
  • 773 POSTS
when I pull the headlight switch to on and high beam about three minutes later the lights blink. what is causing the lights to blink?
Feb 9, 2021 at 12:29 PM (Merged)
Avatar
HMAC300
  • CERTIFIED EXPERT
  • 48,601 POSTS
It may be a short in the wiring harness or the headlights themselves you may hear clicking inside the truck when this happens and that is the circuit breaker in the switch doing that. So you will have to check for a short in harness. check by battery if on that side as the acid may have eaten through harness due to age. especially if harness goes under battery box.
Feb 9, 2021 at 12:29 PM (Merged)
Avatar
JOE1953
  • MEMBER
  • 773 POSTS
when I touch the switch with my hand it is hot is the harness causing it to get hot are could it be the switch?
Feb 9, 2021 at 12:29 PM (Merged)
Avatar
CARADIODOC
  • CERTIFIED EXPERT
  • 34,308 POSTS
Hi guys. I gotta butt in because this has been somewhat common. The hot switch is the major clue. Pull it out and inspect the terminals and the connector. I suspect you will find two blackened terminals. Resistance can develop on the switch's internal contacts or between the switch's terminals and the connector terminals. Either one will generate excessive heat that will migrate to the other one.

If you find that, replace the switch, and, most importantly, cut out the two blackened terminals and cut away the melted part of the connector body. Cut those two wires back about four inches. You'll feel that part of the wires will be stiff from being hot. Solder won't adhere to that.

Splice in four inches of new wire of the same gauge. Solder the splices and seal them with heat-shrink tubing. Never use electrical tape because that will unravel into a gooey mess on a hot day. You can use common crimp-on terminals to replace the two you cut off, but solder them too. Relying on just the crimp will usually result in another overheated connection in a few months. Plug those two terminals in one at a time by themselves. You do not have to replace the entire connector body and the other terminals.

Be aware that auto-resetting circuit breaker in the switch that HMAC300 mentioned can develop arced contacts that cause more trouble than they prevent. Any resistance will generate heat when current is flowing through it, and that heat is what makes the breaker trip, but in that case the heat is confined to the circuit breaker. The symptom will be flickering lights or lights that turn off for a few seconds up to a minute, then come back on again when the breaker resets, but usually there is not enough heat to make the entire switch feel hot..
Feb 9, 2021 at 12:29 PM (Merged)
Avatar
HMAC300
  • CERTIFIED EXPERT
  • 48,601 POSTS
thanks cardiodoc
Feb 9, 2021 at 12:29 PM (Merged)