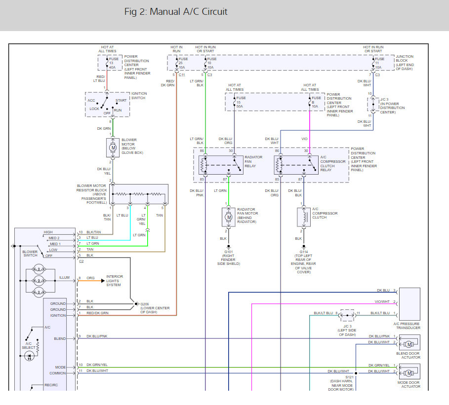
My air conditioner does not blow cold. I popped the hood and the clutch on compressor does not ever kick on. I tried to charge it thinking it was low on coolant but was saying was full. Someone please help it is getting hot outside!
Mar 18, 2012 at 5:25 AM



