Third brake light not working

2001 DODGE DAKOTA
125,000 MILES • 4.1L • V8 • 4WD • AUTOMATIC
Avatar
NINA MARIE LOVEJOY
  • MEMBER
  • 1 POST
Changed bulbs still not working. all other exterior lights are working. What could be the problem?
Aug 4, 2019 at 9:27 AM
Advertisement
Avatar
CARADIODOC
  • CERTIFIED EXPERT
  • 34,306 POSTS
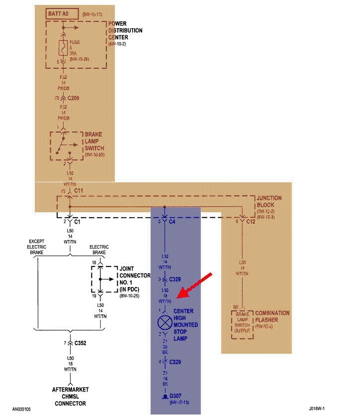
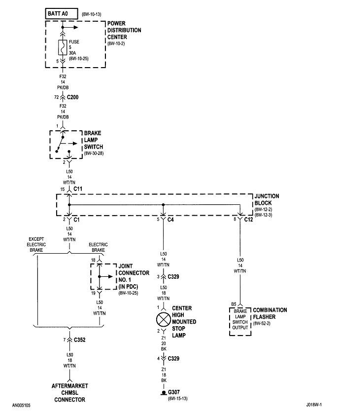
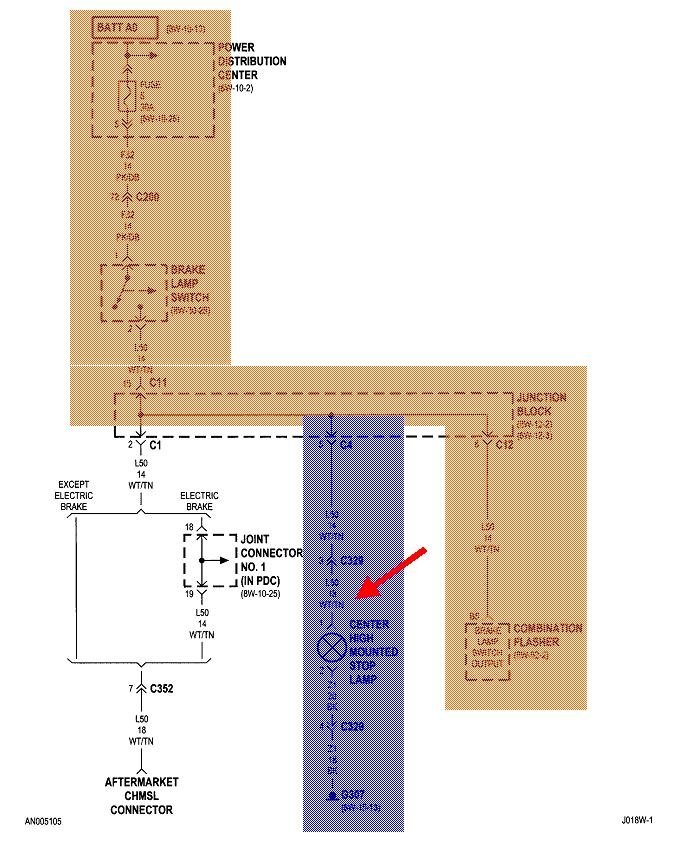
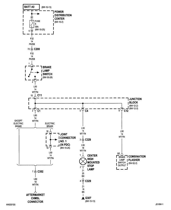
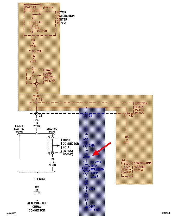
These diagrams show the relevant part of the rear lighting diagrams. The second one is the first diagram with the colored sections I added. Everything in orange has to be okay if the two rear brake lights are working. That just leaves the section in blue where the problem has to be.

Start by checking for 12 volts on the white / tan wire on the center brake light socket. If you can't tell which terminal goes to which wire, just check on both terminals. One of them has to have 12 volts when the brake pedal is pressed. If you do find that 12 volts, the black ground wire has to be broken or corroded off where it bolts to the body. If the 12 volts is missing, that white / tan wire has a break in it.

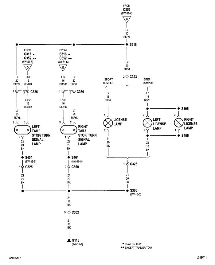
The last two diagrams are just the rest of the rear lighting circuit, for reference.

For this type of problem you can use a digital voltmeter or a test light to check for the 12 volts. If you aren't familiar with how to use them, here's links to some guides that will explain them:

https://www.2carpros.com/articles/how-to-use-a-test-light-circuit-tester

https://www.2carpros.com/articles/how-to-use-a-voltmeter

The voltmeter guide shows how to use a more advanced "auto-ranging" meter. You can find a perfectly fine regular meter at Harbor Freight Tools for less than $7.00, and similar meters at Walmart and any hardware or auto parts store. I can help you set it up if necessary.
Aug 4, 2019 at 10:16 PM