drivers leather seat fails to heat up?

2001 CHEVROLET MONTE CARLO
30,000 MILES • 6 CYL • FWD • AUTOMATIC
Avatar
GREG F
  • MEMBER
  • 1 POST
The drivers leather seat fails to heat up. The switch lights up but no heat. All the connections under seat seem to be well connected and 15 amp fuse is ok. Passenger seat works fine.
Nov 27, 2010 at 1:11 AM
Advertisement
Avatar
KASEKENNY
  • CERTIFIED EXPERT
  • 18,907 POSTS
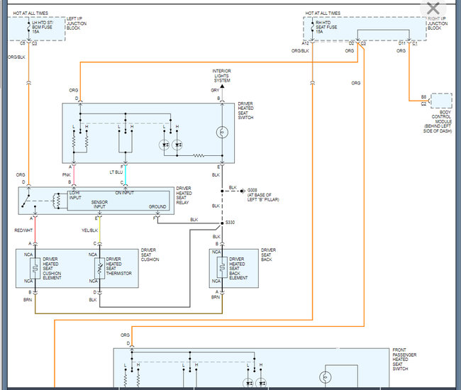
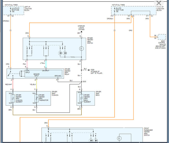
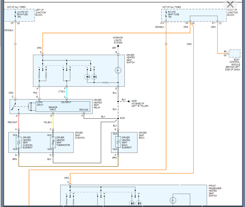
Just to confirm you checked the left hand seat fuse which is in the left IP fuse block shown below.

This is also the BCM fuse so I suspect this is okay. Here is a guide that will help with testing this just to be sure:

https://www.2carpros.com/articles/how-to-check-a-car-fuse

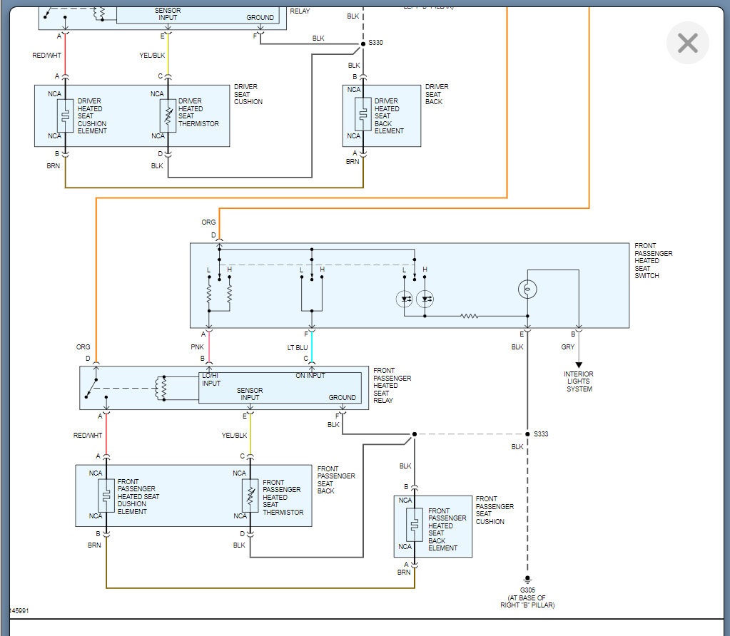
If the fuse is fine then we need to check voltage at the heater elements. If there is voltage then the element is the issue. If it is not then we need to back track through this circuit to find where we have voltage.

This includes the heated seat relay and switch.

Here is a diagram that will help with this:

https://www.2carpros.com/articles/how-to-check-wiring

Please see the wiring diagram below that will help with testing the system.

Please let me know what questions you have and we can go from there.

Thanks
Aug 19, 2021 at 8:11 PM