☰
Login
Join
×
Home
Answered Questions
Repair Topics
Repair & Service Guides
Popular Questions
Warning Lights
Trouble Codes
How It Works
Testing / Diagnostics
Symptoms
Videos
Login
Become a Member
Home
Chevrolet
Impala
Emission
EVAP
Hose
Location
2001 Chevrolet Impala HOSE. Early Fuel Evaporation
2001 CHEVROLET IMPALA
151,000 MILES • 3.8L • AUTOMATIC
LUI415
MEMBER
2 POSTS
FOLLOW
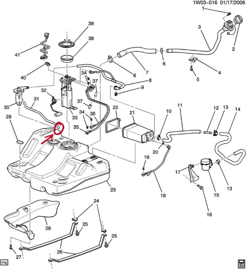
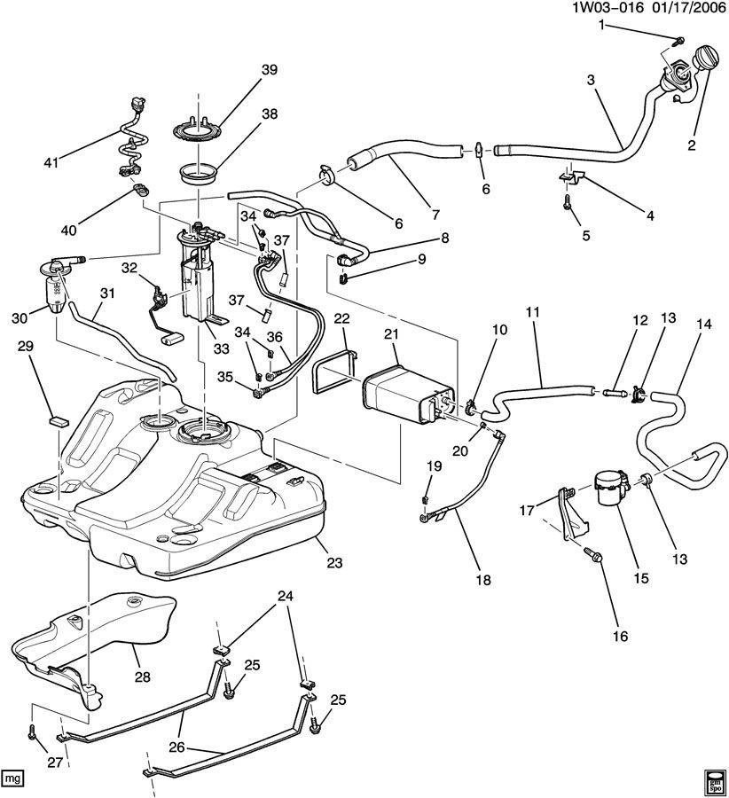
Where is this hose suppose to connect to
#31 hose
Image (Click to enlarge)
Dec 30, 2014 at 11:26 AM
Advertisement
HMAC300
CERTIFIED EXPERT
48,601 POSTS
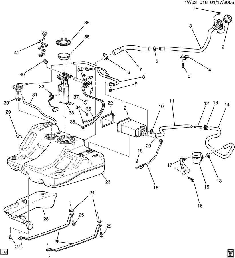
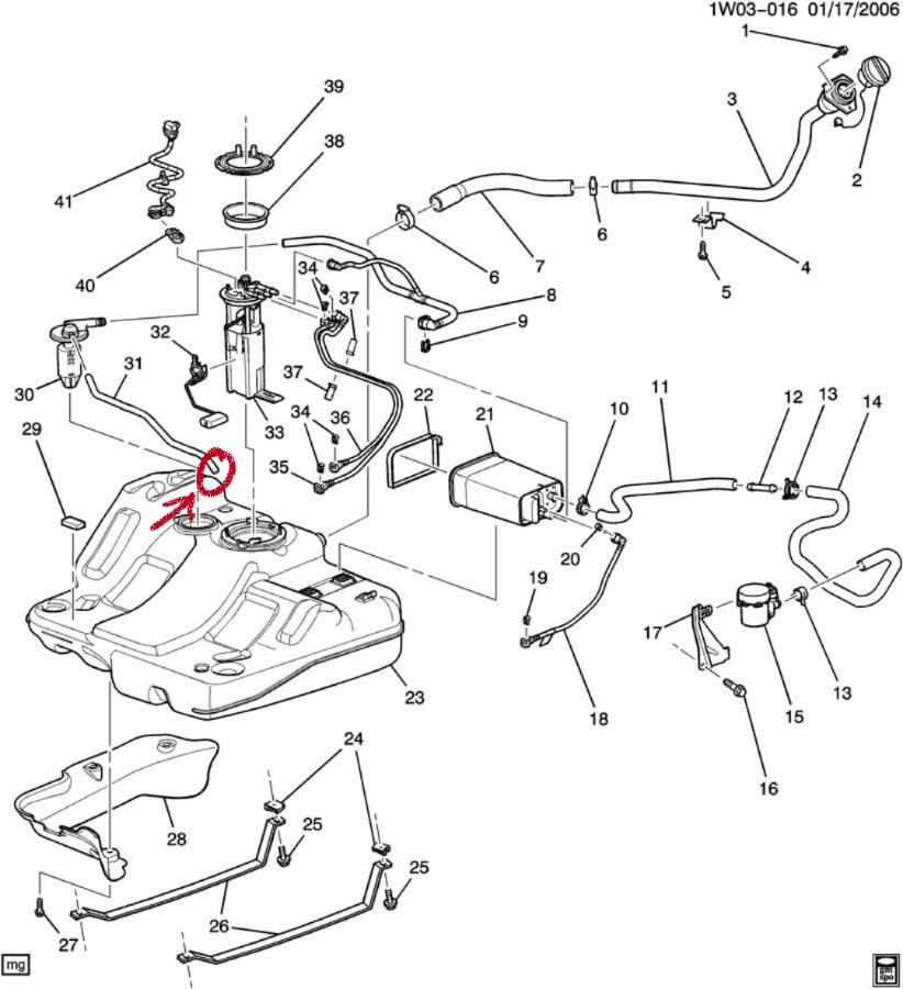
see pic
Image (Click to enlarge)
Dec 30, 2014 at 12:52 PM
LUI415
MEMBER
2 POSTS
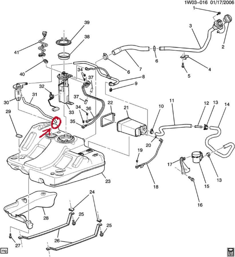
Where does the Circled area connect to ?
Image (Click to enlarge)
Dec 30, 2014 at 7:24 PM
Advertisement
HMAC300
CERTIFIED EXPERT
48,601 POSTS
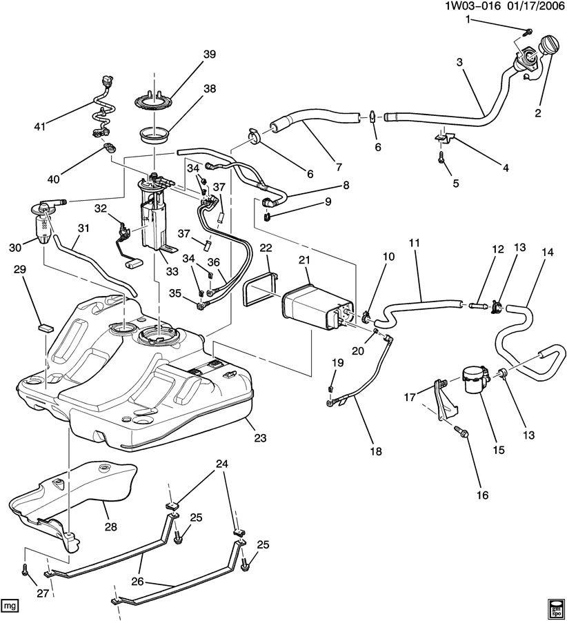
it's a drain hose for vent
Dec 31, 2014 at 6:46 AM