Engine has no spark?

2001 CHEVROLET BLAZER
197,000 MILES • 4WD • AUTOMATIC
Avatar
JAN FICHT
  • MEMBER
  • 2 POSTS
Have been having trouble starting for months. Replaced fuel injectors starter alternator They are now saying I have no spark. Wants to start just wont turn over. Fuel pressure is good. Battery is good.
May 27, 2014 at 7:46 PM
Advertisement
Avatar
TY ANDERSON
  • CERTIFIED EXPERT
  • 719 POSTS
Have you checked timing and did the distributor get touched? This guide can help us fix it

https://www.2carpros.com/articles/how-to-test-an-ignition-system

Please run down this guide and report back.
May 27, 2014 at 8:11 PM
Avatar
JAN FICHT
  • MEMBER
  • 2 POSTS
How do you check the timing and distributor
May 28, 2014 at 6:58 AM
Advertisement
Avatar
TY ANDERSON
  • CERTIFIED EXPERT
  • 719 POSTS
Have you checked for spark? Inserting a screw driver in a spark plug boot and holding in near metal on the engine while someone else cranks the engine will indicate spark or no spark.

Rotate the crankshaft to line up the timing mark on the crankshaft pulley and remove the distributor cap and see if it is lined up with cylinder number one.
The reason I asked about the distributor is these distributors can be installed 180 degrees out from the correct position.
May 28, 2014 at 7:58 PM
Avatar
JORTESS
  • MEMBER
  • 5 POSTS
I have a 2001 blazer that will not spark. I just replaced the coil and ignition module the ignition harness, the ignition switch, spark plugs and wires, air filter, fuel filter etc etc..... I have also replaced the battery. It will turn over, but not start. This vechile also comes with a anti theft system, which is blinking when I try to turn it over. Any ideas on this?
Oct 14, 2020 at 2:36 PM (Merged)
Avatar
OBXAUTOMEDIC
  • CERTIFIED EXPERT
  • 3,711 POSTS
[quote:0f1cb3b5c7="Jortess"]Engine Mechanical problem
2001 Chevy Blazer 6 cyl Four Wheel Drive Automatic 136000 miles
----------------------------------------------------------------
I have a 2001 blazer that will not spark. I just replaced the coil and ignition module the ignition harness, the ignition switch, spark plugs and wires, air filter, fuel filter etc etc..... I have also replaced the battery. It will turn over, but not start. This vechile also comes with a anti theft system, which is blinking when I try to turn it over. Any ideas on this?[/quote:0f1cb3b5c7]

If it has to do with the anti theft... find the fuse for it a take it out. Should be under the driver dash. See if it starts.

Is your check or service engine light in?

Please post responses here.....
Oct 14, 2020 at 2:36 PM (Merged)
Avatar
LTBLAZER2001
  • MEMBER
  • 1 POST
If it has to do with the anti theft... find the fuse for it a take it out. Should be under the driver dash. See if it starts. Is your check or service engine light in? Please post responses here.....[/quote:97f5814da2] Hey guys, My name is Tony. I need help along the same lines as this guy. My 2001 chevy blazer is doing the exact same thing. It spuddered to a stop the other day and will not start. It cranks over and spudders for a second. I can hear the pump turn on. Another thing is before all the if my engine is cold it kind of hesitates at low rpms, but seems fine if I stomp on the gas. But now it will not start up. I have tried, new, coil, dist. cap, rotor, plugs and wires also I have a full tank of gas. I will check the fuel pressure today. I was thinking since I live in florida and we have really humid morinings maybe moisture is building up somewhere, however when my engine stopped yesterday it had been running for an hour. thanks, tony Email is [email protected] (941) 456 0628. Appreciate any help. Very respectfully, TOny Smith


https://www.2carpros.com/forum/automotive_pictures/194023_DSC00303_2.jpg

Oct 14, 2020 at 2:36 PM (Merged)
Avatar
OBXAUTOMEDIC
  • CERTIFIED EXPERT
  • 3,711 POSTS
Hello Tony, Have you check to see if you are getting spark to the plugs? If no spark it is most likely the Control Module....


https://www.2carpros.com/forum/automotive_pictures/188069_chevycontrolmod_1.jpg

Oct 14, 2020 at 2:36 PM (Merged)
Avatar
1DOLLR
  • MEMBER
  • 1 POST
My 2001 Blazer just started doing this. Would not start, took it to a shop they replaced cap and rotor. Ran for a week then we had a cold snap and it would not start again. The shop towed it back and it sat outside 3 days before they could get to it and it started right up. Then a week later it stopped again. The shop got it started by holding the gas to the floor and turning it over. They have checked everything over and I have fuel pressure, a spark, no leaks. The mechanics are stumped even. Did anyone find a solution to their problems. It amazes me you can type "2001 blazer won't start" and there are hundreds of pages of people having same problem but no solutions.
Oct 14, 2020 at 2:36 PM (Merged)
Avatar
DGISCH
  • MEMBER
  • 2 POSTS
The Blazer died and won't wake up.

I have no spark and the fuel pump doesn't seem to be working either. I have replaced the coil and ignition module along with the Camshaft sensor with still no luck. I don't know it the fuel pump is bad or if there is another sensor that needs to be replaced. It would seem strange that all those problems happened at the same time.
Any assistance would be appreciated
Oct 14, 2020 at 2:36 PM (Merged)
Avatar
RASMATAZ
  • CERTIFIED EXPERT
  • 75,992 POSTS
Do you hear the fuel pump come On for 2secs? If so check the fuel pressure with a fuel pressure gauge designed for your fuel system. If pressure is okay-check for injection pulses from the injector/s using a noid light then comeback with results so that we can continue.
Oct 14, 2020 at 2:36 PM (Merged)
Avatar
DGISCH
  • MEMBER
  • 2 POSTS
[quote:3c62095ab9="rasmataz"]Do you hear the fuel pump come On for 2secs? If so check the fuel pressure with a fuel pressure gauge designed for your fuel system. If pressure is okay-check for injection pulses from the injector/s using a noid light then comeback with results so that we can continue.[/quote:3c62095ab9]

No pressuring up on the fuel pump. So that is bad and needs to be replaced. But why no spark?
coil, ingnection module and Camshaft sensory replaced and still no spark. What else would cause no spark
Oct 14, 2020 at 2:36 PM (Merged)
Avatar
RASMATAZ
  • CERTIFIED EXPERT
  • 75,992 POSTS
Disconnect an injector harness and look for power on the pink wire-no power check ECM-IGN fuse no.10 20amp I/P fuse block
Oct 14, 2020 at 2:36 PM (Merged)
Avatar
KPOFFENB8
  • MEMBER
  • 1 POST
I am not getting twelve volts to the coil. Please help.
Oct 14, 2020 at 2:36 PM (Merged)
Avatar
ASEMASTER6371
  • CERTIFIED EXPERT
  • 52,796 POSTS
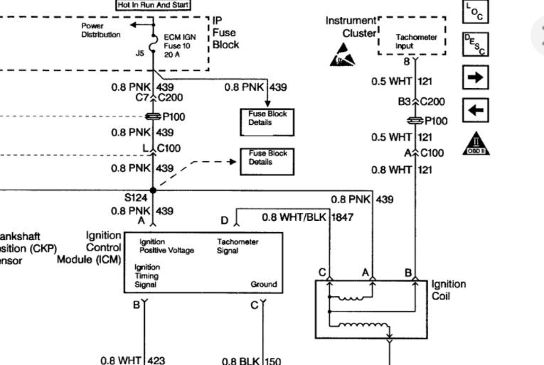
Good morning.

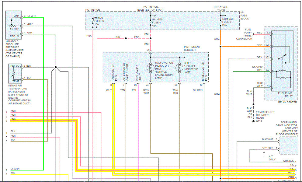
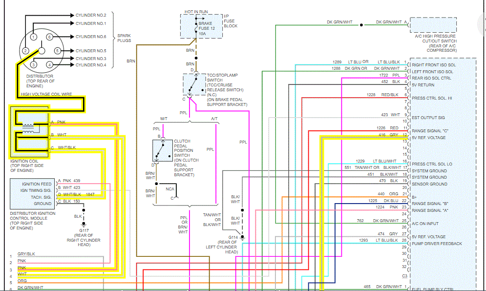
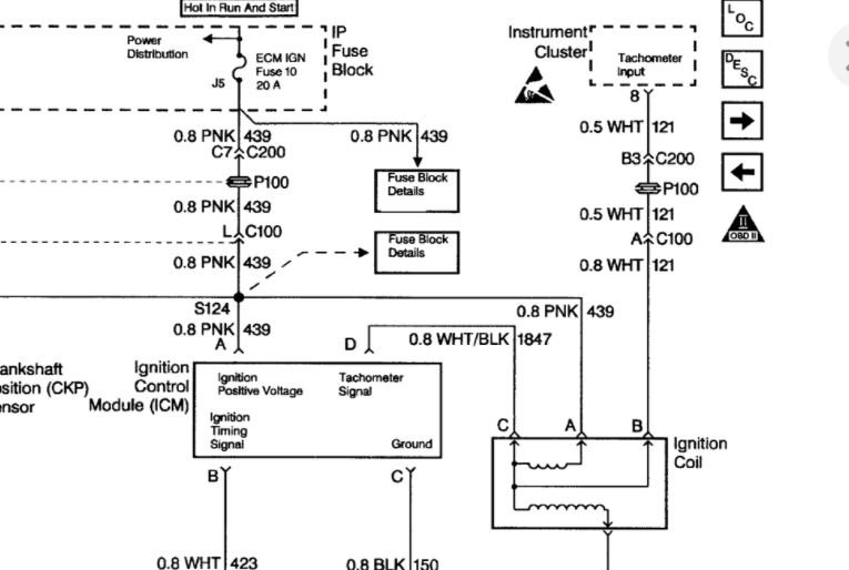
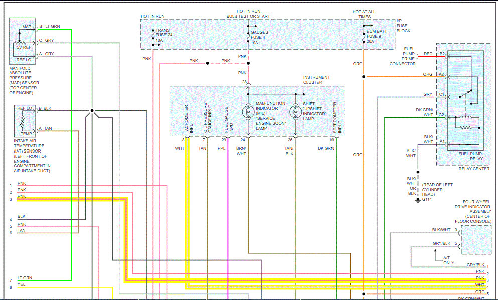
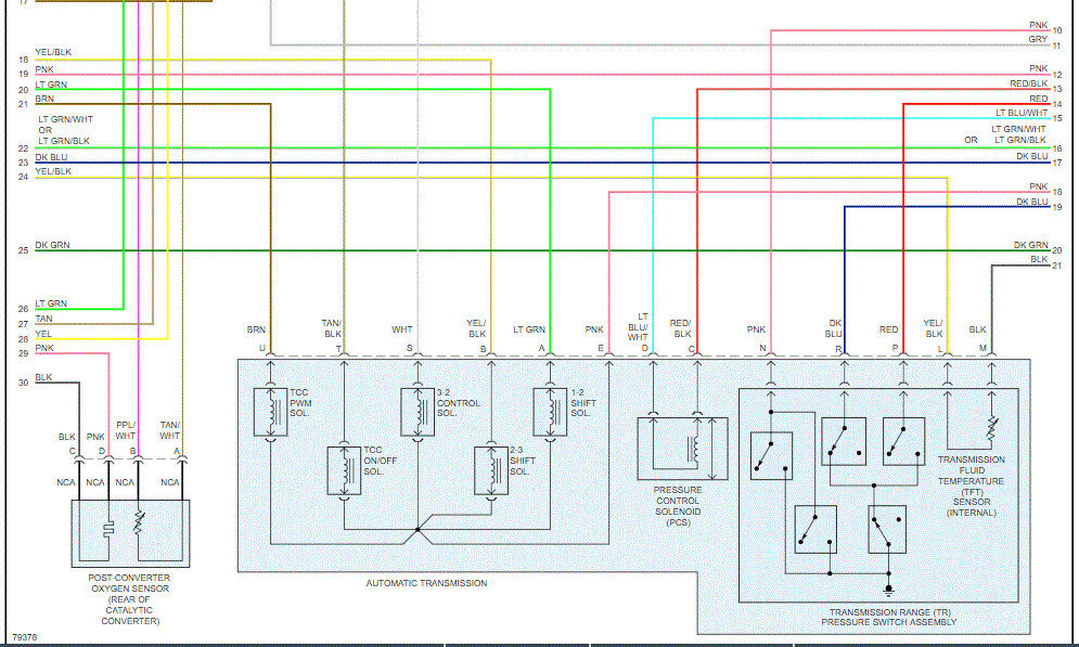
The power comes from the ECM fuse in the fuse panel. I attached a wire diagram for you to view...........................

Roy
Oct 14, 2020 at 2:36 PM (Merged)
Avatar
XZOMBEEX
  • MEMBER
  • 1 POST
I replaced the coil, ICM, spark plugs, starter, and battery but cannot get spark from the coil.
I measure 12v at the coil and 12v at the ICM, the engine turns over great but no combustion / spark.
All fuses good, lots of power to interior lights / gauges.....can't figure it out. Please help before I freeze out here in MT with no wheels!
Oct 14, 2020 at 2:36 PM (Merged)
Avatar
JACOBANDNICKOLAS
  • CERTIFIED EXPERT
  • 110,175 POSTS
Does your vehicle have a single coil? If you have a distributor, have you checked to make sure the rotor is turning when the engine is cranked?

Sorry, it's been a while since 96 and I can't remember the exact set up.
Oct 14, 2020 at 2:36 PM (Merged)
Avatar
ASEMASTER6371
  • CERTIFIED EXPERT
  • 52,796 POSTS
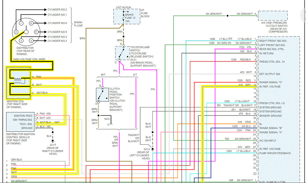
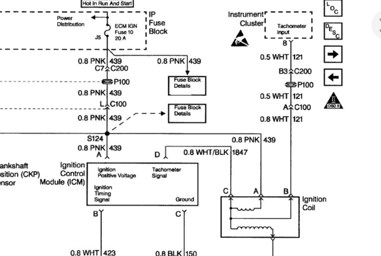
I attached the full wiring diagram for you of the system.

https://www.2carpros.com/articles/how-to-test-an-ignition-system

You need a voltmeter or test light to do some testing. Let me know when you are ready and we can do some basic testing to determine the failure.

https://www.2carpros.com/articles/how-to-check-wiring

https://www.2carpros.com/articles/how-a-car-electrical-system-works

Roy

Oct 14, 2020 at 2:36 PM (Merged)
Avatar
TWHITEGIRL7408
  • MEMBER
  • 1 POST
ok i bought the blazer as is , the previous owner said they has the distributor cap and wires changed on the way home it bogged down shut off and hasnt turned over since. Its just not getting spark, My husband is a mechanic and has currently checked the cap rotor timing spark plugs has changed the module and the coil got a new crankshaft sensor checks the camshaft sensor and today has been going over the wiring before we buy a new ecm. he did find the pink wire going into the ecm is hot but the one coming out is not and the pink wire going to the crankshaft is bearly getting any power. we are so flustrated he was sure it was going to be an easy fix and we bought the blazer so cheap. what can we do next how do we locate the ground wire from the ecm please help
Oct 14, 2020 at 2:37 PM (Merged)
Avatar
HMAC300
  • CERTIFIED EXPERT
  • 48,601 POSTS
check to see if crank sensor connection is any good. check ecm /ign fuse under dash as well as eng fuse. see if white wire going to ignition module is getting power.
Oct 14, 2020 at 2:37 PM (Merged)
Avatar
MOONSHINE454
  • MEMBER
  • 2 POSTS
Had intermittent dieing problem for a few months, then died while driving down the road. I changed out all the ignition components. Nothing worked. Fuel pump will not prime. Will prime if jumped across relay. I then figured it may be the ECC put that in no go still. I have had three other mechanics look work on it and still nothing. We all came to the same conclusion, that it was the computer, but that isn't working. I have tried two computers and had one re-flashed just in case. Still nothing. I see on here were there was somebody else with the same problem, but there is not an answer. Any help is appreciated.
Oct 14, 2020 at 2:37 PM (Merged)
Avatar
RASMATAZ
  • CERTIFIED EXPERT
  • 75,992 POSTS
Fuel pump will not prime-But primes up when relay socket is jumper-

Check the ECM batt fuse no. 9 20 amp if okay-check the ground wire point at rear of left cylinder head if okay

The computer powers the coil side of the relay thru the dark green and white wire when this happens power will transfer to the fuel pump thru the gray wire when the relay switch side closes
Oct 14, 2020 at 2:37 PM (Merged)
Avatar
MOONSHINE454
  • MEMBER
  • 2 POSTS
Fuse is good, that is the first thing we checked. Power has been checked all the way to the computer. There isn't any power getting from the computer to the relay from the green and white wire. Does the fuel system have to be primed before the ignition will fire?
Oct 14, 2020 at 2:37 PM (Merged)
Avatar
RASMATAZ
  • CERTIFIED EXPERT
  • 75,992 POSTS
Disconnect the computer and do a continuity test on that dark green and white wire let me know what you have-Do it now while am still in am taking a long vacation lol
Oct 14, 2020 at 2:37 PM (Merged)
Avatar
CHEVYBOYZ00
  • MEMBER
  • 2 POSTS
im getting no power to the coil all fuses are good,batt is good,
Oct 14, 2020 at 2:37 PM (Merged)
Avatar
RASMATAZ
  • CERTIFIED EXPERT
  • 75,992 POSTS
Are you talking about no spark out of the coil or no battery voltage to the coil?
Oct 14, 2020 at 2:37 PM (Merged)
Avatar
CHEVYBOYZ00
  • MEMBER
  • 2 POSTS
no voltage to the coil thanks kenny
Oct 14, 2020 at 2:37 PM (Merged)
Avatar
RASMATAZ
  • CERTIFIED EXPERT
  • 75,992 POSTS
Run a jumper wire from the battery positive post to the coil's positive terminal attempt to start -if it starts up you have an open wire to the ignition switch or the switch itself
Oct 14, 2020 at 2:37 PM (Merged)
Avatar
IM4U21DER
  • MEMBER
  • 2 POSTS
i get no spark from the coil. i replaced the coil ecm(not pcm)dist.cap dist pick up module ign. harness and crank sensor. i am getting 12 volts to each. just no spark from coil to dist.
Oct 14, 2020 at 2:37 PM (Merged)
Avatar
JDL
  • CERTIFIED EXPERT
  • 16,098 POSTS
Do you have an injector pulse, use noid lite, engine cranking, the lite should pulse. If no injector pulse and no spark, either the computer doesn't see an rpm signal or it isn't acting on that signal, for some reason? Could be an issue with wiring circuit, somewhere. Any applicable codes. When you turn on the key, does the mil come on? Thanks for the donate.
Oct 14, 2020 at 2:37 PM (Merged)
Avatar
IM4U21DER
  • MEMBER
  • 2 POSTS
are the chavy dealers the only ones that can reprogram a pcm
Oct 14, 2020 at 2:37 PM (Merged)
Avatar
JDL
  • CERTIFIED EXPERT
  • 16,098 POSTS
You may need a manufactuers scanner and info to do anything?
Oct 14, 2020 at 2:37 PM (Merged)