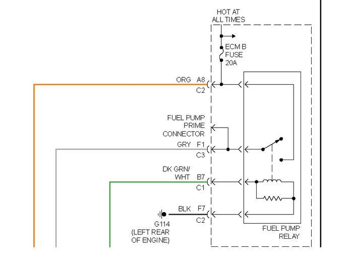
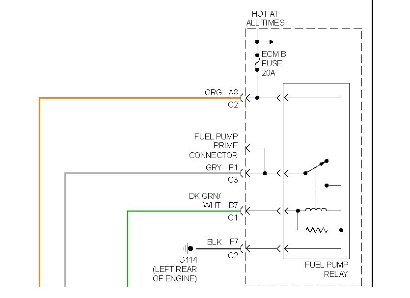
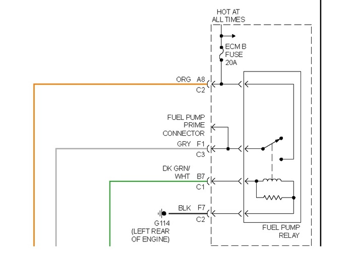
lost power to new fuel pump after hard bump while 4 wheeling tested fuses ign c- ecm b- f\pump all ok have power to everything else
Jan 27, 2013 at 6:33 AM
Advertisement
JDL
CERTIFIED EXPERT
16,098 POSTS
Did you check for voltage at ecmB fuse? In the diagram, you see the gray wire at relay, carries voltage to fuel pump when relay is energized. My info says there is a fuel pump prime connector in underhood fuse block, I'd have to look for connector. That's just to see if fuel pump itself will run. The dark green wire with white tracer is voltage for coil side of relay, comes from pcm.