A/C blows then stops and my service A/C light comes on?

2001 CADILLAC DEVILLE
142,810 MILES • 4.7L • V8 • AUTOMATIC
Avatar
PMADE803
  • MEMBER
  • 1 POST
AC blows then stops and my service ac light comes on. I have replaced the whole A/C kit (compressed, clutch, etc..). Recently replaced my lower sensor last time my service ac light came on (2 weeks ago). Now it blows when I first start up and in about 10 minutes my service ac light comes on. If you can help that would be great. Thanks!
Jul 30, 2015 at 1:51 PM
Advertisement
Avatar
ASEMASTER6371
  • CERTIFIED EXPERT
  • 52,796 POSTS
Good morning,

Do you mean the blower motor stops working or the system is blowing hot air?

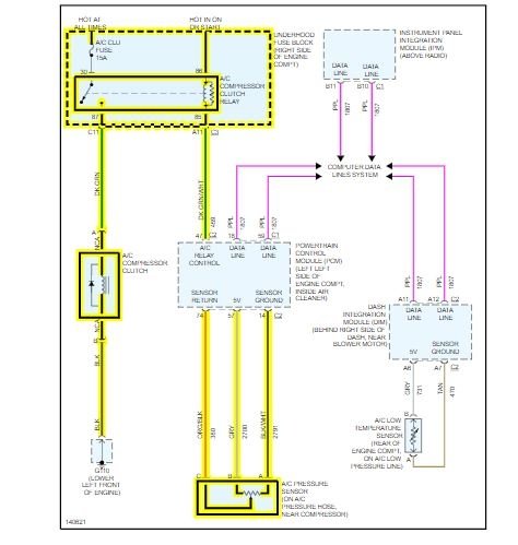
I attached a wiring diagram of the system for you.

https://www.2carpros.com/articles/how-to-use-a-voltmeter

https://www.2carpros.com/articles/how-to-check-wiring

I also need the high and low side readings of the Freon system when the engine is running.

https://www.2carpros.com/articles/car-air-conditioner-not-working-or-is-weak

Roy
Sep 19, 2021 at 7:28 AM