dash light went off

2001 CADILLAC CATERA
6 CYL • 2WD • AUTOMATIC
Avatar
ARSANVINNY81
  • MEMBER
  • 7 POSTS
hi there i have catera 2001 and i put a radio in it and after i missed with the wire and put thim all back together the radio works but i lost my dash light the car is all dark inside at night i did check out the fuse box all the fuses look good , so i dont know if its circuit or main fuse some were because it all went off together and the radio just works fine , so please a helpfull answer . thank you
Nov 22, 2010 at 1:49 AM
Advertisement
Avatar
HMAC300
  • CERTIFIED EXPERT
  • 48,601 POSTS
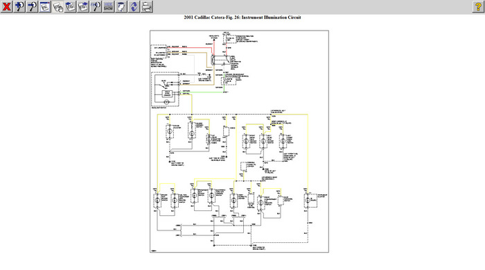
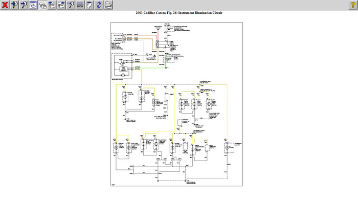
rather than explain anything her eis the wiring schematic for the lights so you can see if it truly is wired correctly. you might have blown one of the fuses that isn't in a fusepanel.
Nov 22, 2010 at 2:24 AM
Avatar
ARSANVINNY81
  • MEMBER
  • 7 POSTS
thank you for your quick respond , i did check out the wiring harnes and re did it again and went through thim one by one to see if there is some thing not pluged the all are on the correct order by colors , and the stereo systim works just fine and the buttons on the steering wheel also , but the dash still off . thank you for the image if you can do a a favor and send it to my e mail [email protected] because i can view it here larger , so i also can print . thank you again for your effort and help
Nov 22, 2010 at 2:50 AM
Advertisement