winshield washer pump not working

2001 BUICK LESABRE
89,000 MILES
Avatar
LEMERSON
  • MEMBER
  • 2 POSTS
winshield washer pump is not working, not making noise, is there a fuse i can check and if so what number is it, (under hood or inside car?) i have owners manual but diagram isn't a bit sketchy on names of fuses. want to know if i can check a fuse first before worrying if i have to get a new washer pump. can you help? thanks a million
Jan 22, 2012 at 11:07 PM
Advertisement
Avatar
DRCRANKNWRENCH
  • CERTIFIED EXPERT
  • 3,380 POSTS
On the fuse box cover there is a diagram of the fuse panel on its inside. It will show you the fuse panel layout and give a brief description of what each fuse is for. Make sure to orient the diagram to the fuse panel correctly as they can get confusing. Use the spare fuses and large relays to make sure you have it oriented correctly.

From my experience it usually is the pump gone bad here is a guide to help you see what you are in for when doing the job.

https://www.2carpros.com/articles/how-to-replace-a-windshield-washer-pump

Here is the fuse location #3 in the under hood fuse panel

https://www.2carpros.com/articles/how-to-check-a-car-fuse

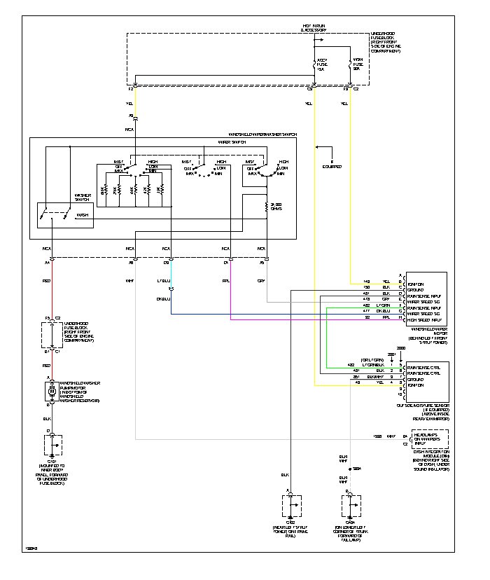
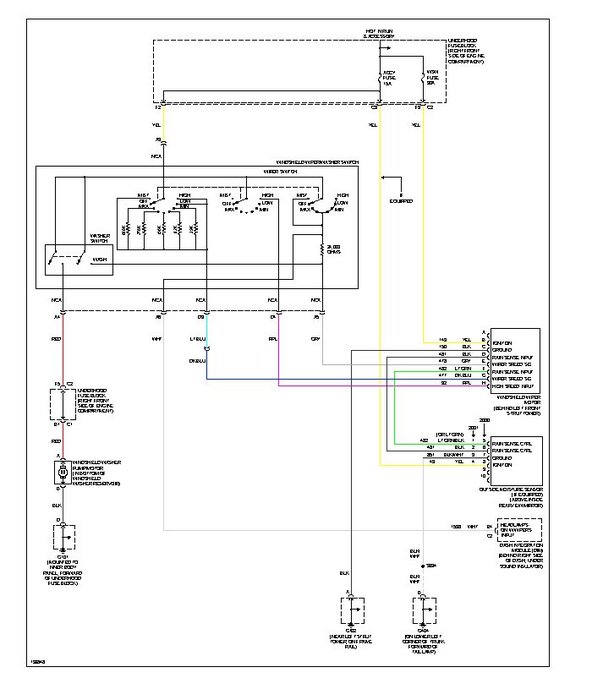
Check out the diagrams (Below). Please let us know if you need anything else to get the problem fixed.

Cheers
Jan 22, 2012 at 11:19 PM
Avatar
LEMERSON
  • MEMBER
  • 2 POSTS
Has anyone has to actually change the fuse on the 2001 Buick Lesabre for the washer pump? As indicated the fuse box diagram is a bit wishy washy with names of what its exactly for. Wondering if anyone knows which number the fuse is for the Lesabre and which box I need to look in. The one under the hood or the one inside the car. Thanks much.
Jan 23, 2012 at 12:31 PM
Advertisement
Avatar
DRCRANKNWRENCH
  • CERTIFIED EXPERT
  • 3,380 POSTS
I am attaching a wiring diagram of the fuse circuit for the washer pump system. On it you will see a 30 AMP fuse that is located, in the fuse box under the hood of the car.
Let me know if you need anything else.
Feb 2, 2012 at 9:15 PM