Does the hot lead on a 2001 audi a4 symphony radio have a fuse?

2001 AUDI A4
105,500 MILES
Avatar
VET69TER
  • MEMBER
  • 2 POSTS
Having problems getting juice to the red/blue constant radio wire.
Jan 22, 2012 at 12:23 AM
Advertisement
Avatar
RIVERMIKERAT
  • CERTIFIED EXPERT
  • 6,110 POSTS
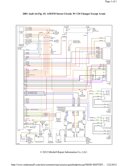
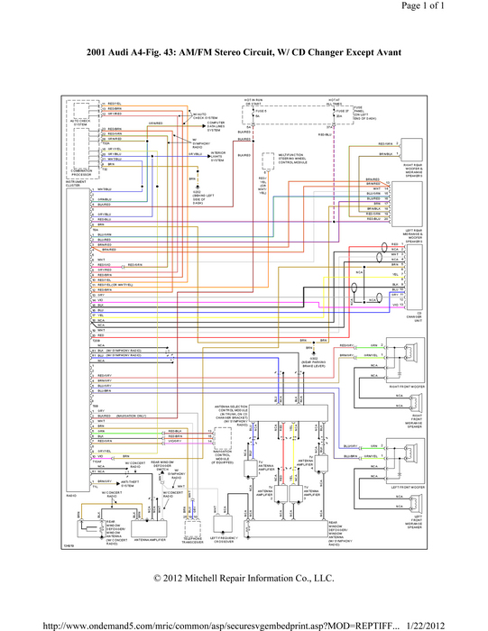
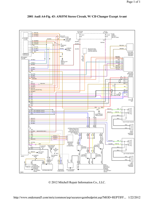
If it's stock it should get its circuit protection from a fuse in the fuse panel.I have the schematics, but I need to know, w/ or w/out Avant, w/ or w/out CD Changer. I have 4 options.
Bose, w/out Avant, Bose w/ Avant, w/ CD changer w/out Avant, w/ CD Changer w/out Avant.
Jan 22, 2012 at 12:40 AM
Avatar
VET69TER
  • MEMBER
  • 2 POSTS
Thanks for getting back to me. The radio is not a Bose but has a CD changer.I was able to find the Fuse but my problem is that I have 3 different color coded wiring diagrams. What ever you can do to Help would be appreciated.
Jan 22, 2012 at 2:20 PM
Advertisement
Avatar
RIVERMIKERAT
  • CERTIFIED EXPERT
  • 6,110 POSTS
2 options.
Jan 23, 2012 at 4:54 AM