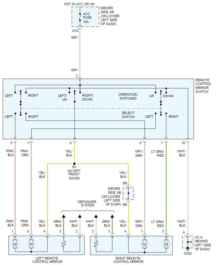
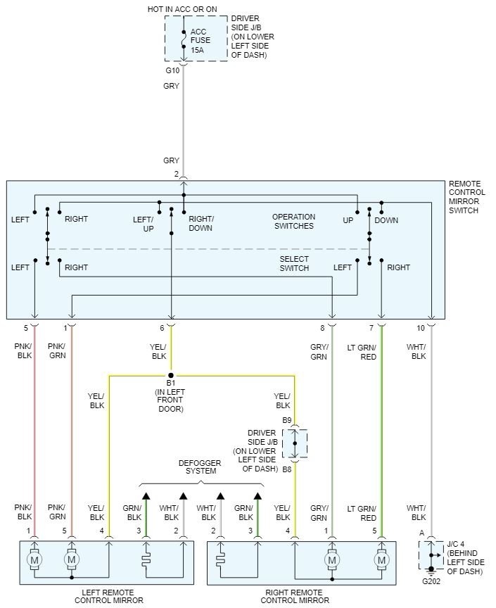
There are three wires which control the motors. The yellow and pink with black stripe move one. Then the yellow and pink with green move the other. To easily find out which motor does which motion is easy. Make a jumper with two wires, connect the ends to battery power. Now go to the mirror end wires, not the vehicle. Connect the positive wire to the yellow wire on the mirror. Now just touch the ground wire to the pink with black stripe wire. Watch the mirror to see which way it moves. It will move either up or down or left or right.
Lets say the first time you touch the pink with black wire the mirror moves up. That would mean that wire connects to the up/down motor and the other pink with green wire connects to the left/right motor.
To get the mirror to move both ways you reverse the power and ground feeds, so if in our test Yellow wire to positive battery power and touching the negative wire to the pink with black wire moves the mirror up If you disconnect the wires and now connect the negative wire to the yellow wire and the positive feed to the pink with black wire the mirror will now move down.
In your case it should be simpler as the wires from the mirror should just connect to the same wire colors on the truck side connection. As long as the yellow wire goes to the yellow wire if you were to mix up the other two pink wires, you would know it easily as the mirror would move the wrong way, so your up/down would become left/right. That would mean you just flip those around to correct the problem.
Jan 12, 2019 at 7:34 AM