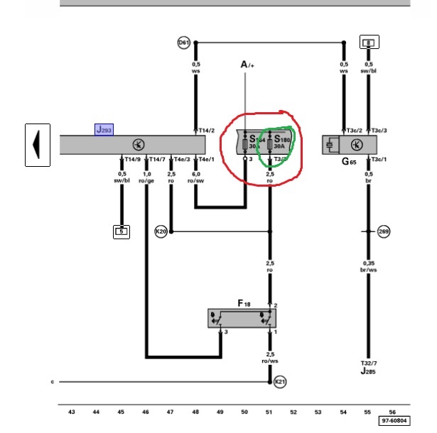
The radiator fan was not working , checked fuses and one started working the fans , now they will not shut off . I replaced the temperature control switch , thermostat, outlet flange , pulled the fan control module looked for corrosion , none . Bought a used fan module and it operates the same.
The fans will continue to run after car is turned off, they turn off when fuse on top of battery is pulled. They stay off until you start the car , then they start when cold and run constant.
I did not change the temperature sensor,
Could it be that or fuses in the passenger compartment?
The fans will continue to run after car is turned off, they turn off when fuse on top of battery is pulled. They stay off until you start the car , then they start when cold and run constant.
I did not change the temperature sensor,
Could it be that or fuses in the passenger compartment?
Dec 24, 2012 at 12:53 AM


