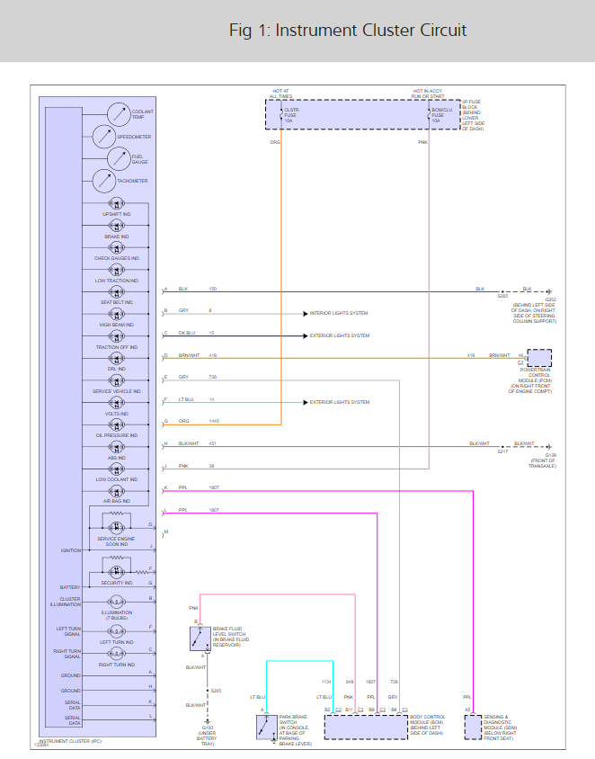
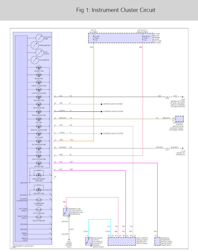
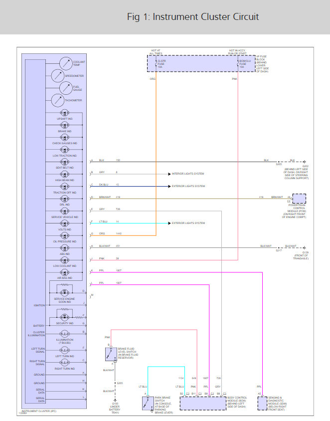
I came across the same issue with my son's car. the cluster would go in and out going down the road along with the radio and the wipers would not work as well.
i removed the drivers seat and located a single ground wire connected just below the rocker panel. removed it and put in into fresh clean steel and cleared up all the dash issues.
very strange to as a 40 year ASE master tech that they would have a single ground in such a crazy place. but it fixed this gem.
Jul 12, 2021 at 6:44 AM