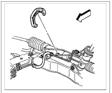
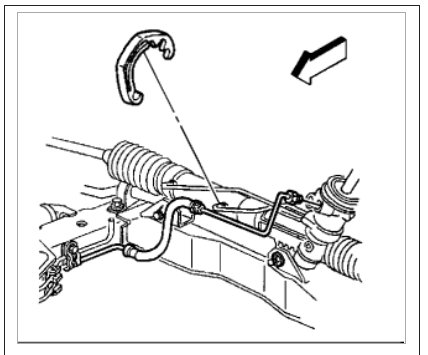
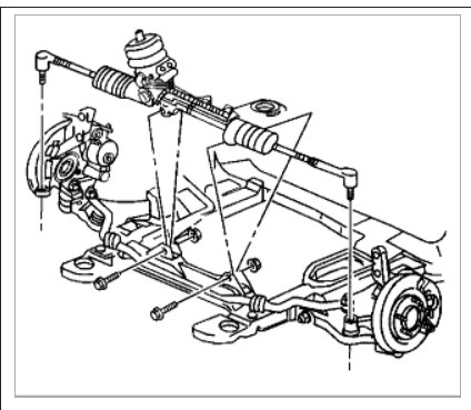
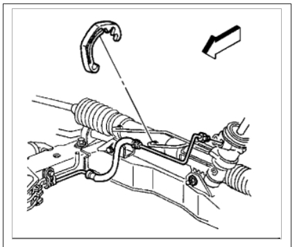
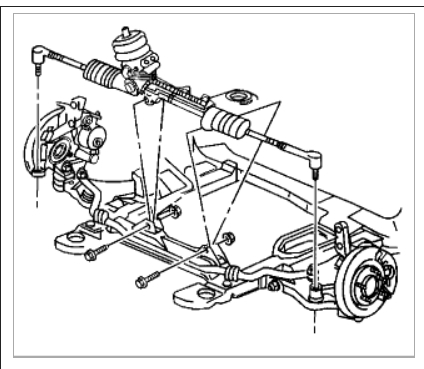
How do you get around the boot/cover around rack and pinion and steering shaft, when replacing the rack and pinion? I need to get to the bolt on the clip that ties the rack and pinion and steering shaft together, but having problems with the boot/cover around it....it's in the way, need a way around or some way to take off...thanx
Feb 22, 2012 at 9:38 PM




