P1320 code error

2000 NISSAN MAXIMA
140,000 MILES
Avatar
MARCELG
  • MEMBER
  • 1 POST
My TCS, Slip, and engine light come on and I have a P1320 error code. The TCS and Slip lights only come on after the car has warmed up. The engine runs smooth. I have replaced the #2 ignition coil and got rid of errors P302, P308 and P309 but not the P1320 error.
Oct 9, 2013 at 4:30 PM
Advertisement
Avatar
KASEKENNY
  • CERTIFIED EXPERT
  • 18,907 POSTS
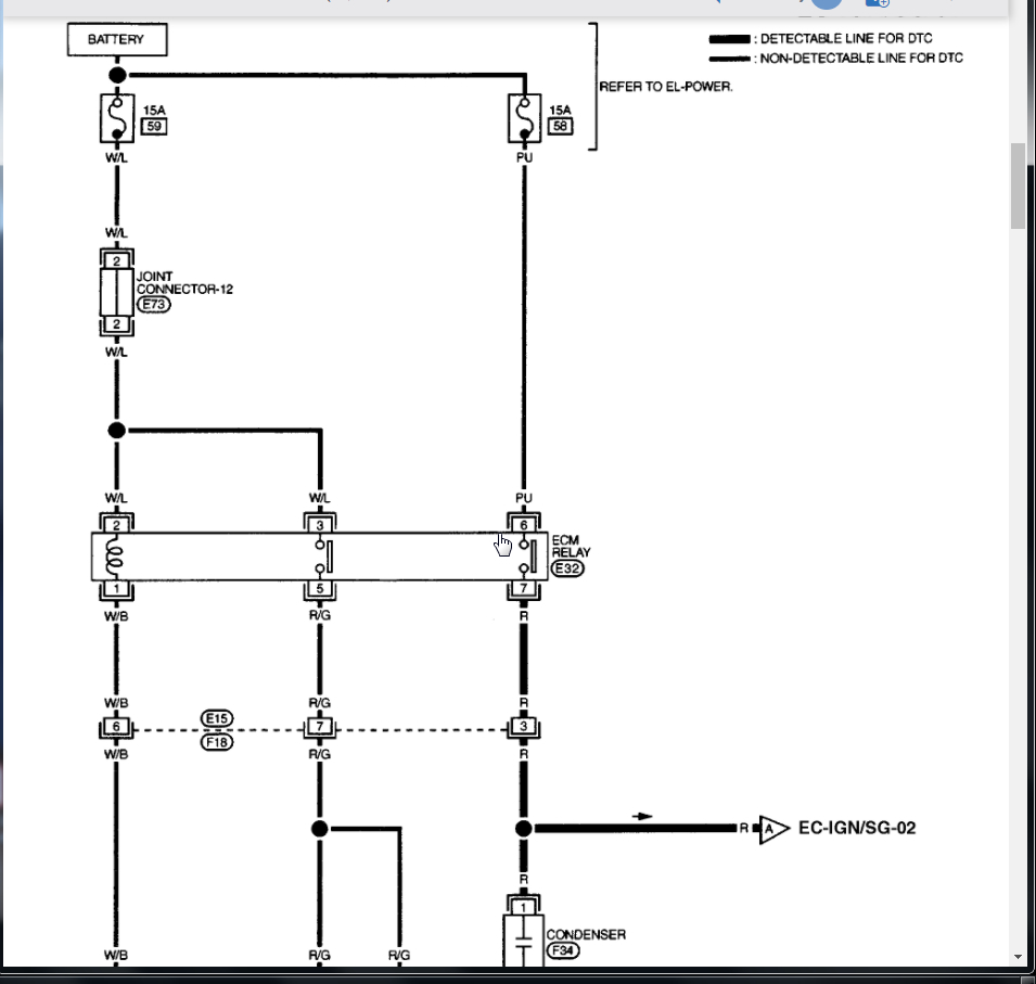
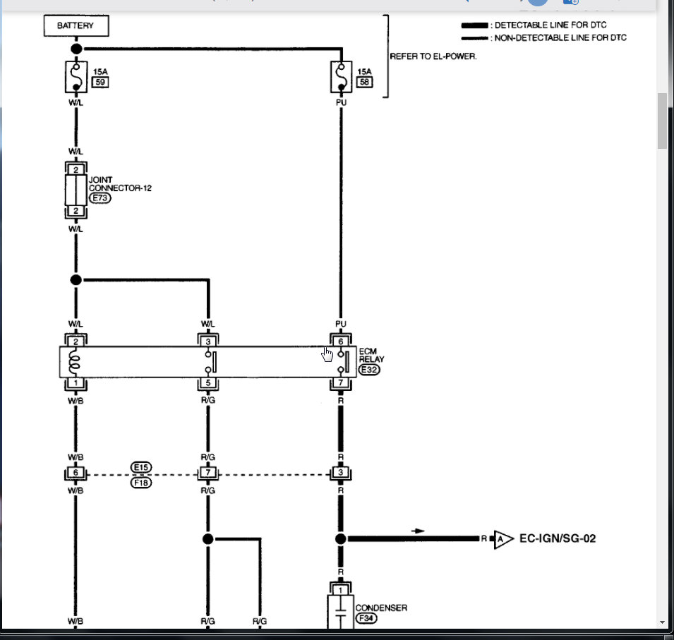
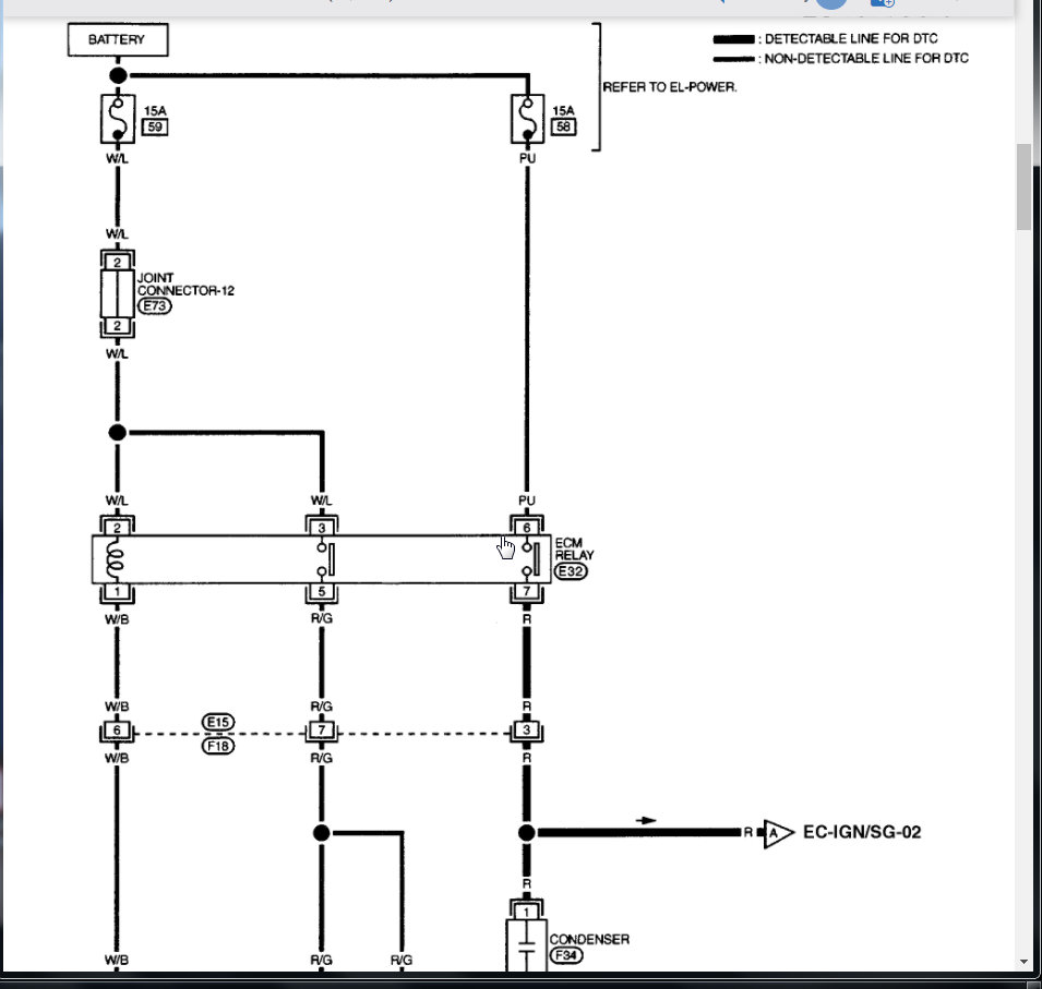
This could be a couple other things so I attached the testing that we need to go through in order to find out what the issue could be.

Here are some guides that will help with what is required in this testing as a lot of it is wiring testing:

https://www.2carpros.com/articles/how-to-check-wiring

https://www.2carpros.com/articles/how-to-use-a-voltmeter

Let's run through this testing and we can go from there. Thanks
Nov 28, 2020 at 7:35 AM