failed to crank over after NSS wire wore down?

2000 MITSUBISHI MONTERO
240,000 MILES • 3.0L • 6 CYL • 4WD • AUTOMATIC
Avatar
MONTYTRAX
  • MEMBER
  • 5 POSTS
A transmission rebuild shop left the transmission harness loose to wear against the driveshaft. SUV failed to start after NSS wire wore down and the 40-amp Ignition fuse blew out. The starter was working fine before this but now won't fire. Tried jump-starts from working engine and a fully charged jump box. Neither worked.

I do hear the solenoid clicking when the key is turned. Is it possible the starter was damaged by the electrical shorting (either through the NSS or other damaged wire)? Are starter rebuilds a good option in this situation or is it better to replace it with a completely new part?
Dec 11, 2024 at 9:51 AM
Advertisement
Avatar
STRAILER
  • CERTIFIED EXPERT
  • 53,854 POSTS
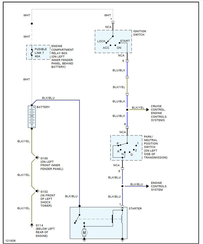
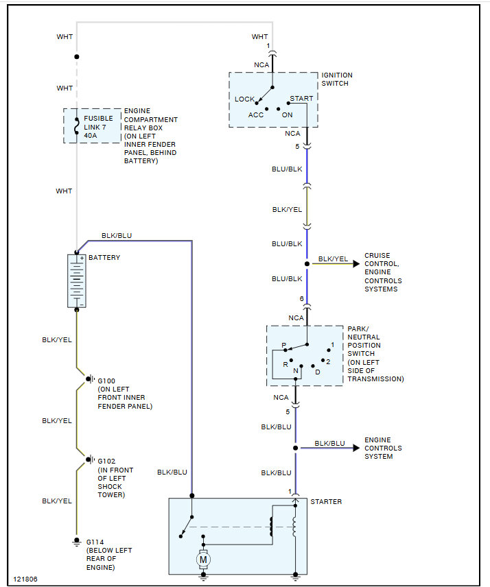
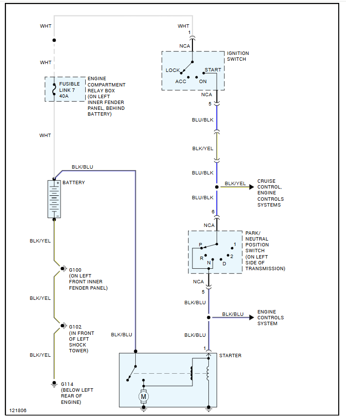
I good quality rebuild is a good choice, but it might not be the problem, did you repair the wiring? I would check to make sure the starter solenoid trigger wire was getting power when the key is in the crank position. Here is a guide to help you test it:

https://www.2carpros.com/articles/starter-not-working-repair

It is the small blk/blu wire at the solenoid. Here is the starter wiring diagram so you can see how the system works. Check out the images (below). Please let us know what happens.
Dec 11, 2024 at 1:28 PM
Avatar
MONTYTRAX
  • MEMBER
  • 5 POSTS
Thanks so much for your reply, Ken. Yes, the NSS wiring was repaired, at least to the point that the truck would start. The shop that replaced the 40-amp fuse fixed the NSS wiring so that the starter would fire. And after this the starter would sometimes start but also fail intermittently: sometimes it would only fire after 2-3 cranks (silence otherwise), sometimes I'd have to let engine cool for the starter to fire.

Is it incorrect to conclude that if I hear the starter solenoid click once when I turn the ignition key that the solenoid trigger wire is getting enough power? I'll need to check it later when I have a voltmeter to know if it has the necessary 12V.

At this point, the battery should charge, but the Rally 2-amp maintainer connected as in the photos, doesn't indicate either it is charging or that the battery is bad. I tried several different connection points to get a good ground with the same result. So, there seems to be some other electrical issue.

I very much appreciate your assistance.
Dec 12, 2024 at 12:32 PM
Advertisement
Avatar
STRAILER
  • CERTIFIED EXPERT
  • 53,854 POSTS
You need to connect the negative side of the battery charger to the battery, not the cable.
Dec 12, 2024 at 6:15 PM
Avatar
MONTYTRAX
  • MEMBER
  • 5 POSTS
Yes, but the instructions for this Rally model say not to connect the charger directly to the negative terminal. If the battery is installed, the negative lead is clamped to the chassis, engine block, or other ground; but that setup wasn't working so I disconnected the leads and tried to get a ground through the negative cable.

It's working now. With the battery uninstalled, the negative lead gets clamped to a 24 in. (minimum) 6AWG lead wire connected to the negative terminal (instructions photo - Step 5 in the “Uninstalled” section). The charging indicator is on now (see photos).

If the truck still doesn't start after topping up the battery, I'll check the starter trigger wire voltage. Thank you, Ken.
Dec 13, 2024 at 2:24 PM
Avatar
STRAILER
  • CERTIFIED EXPERT
  • 53,854 POSTS
Okay, that looks better, let me know what you find with the starter trigger wire.
Dec 14, 2024 at 10:14 AM
Avatar
MONTYTRAX
  • MEMBER
  • 5 POSTS
As you first suggested, it looks like the starter isn't the main issue. Yesterday, the starter fired after 3 cranks. Engine started and ran on the road for 15 minutes, then after idling at a traffic light, the engine stalled when I hit the gas to go through the green light. Turned key and it started right up again. Heading home, no stall on acceleration at the next red light. No stall at a stop sign. Got home and turned the truck off. Let sit for about 15 minutes and started up again to move it, and it started up on the first crank (posted out-of-focus video) and did not stall when accelerating from a stop. Battery cables are tightly secured on terminal posts.

The flashing green light in the video is the 4WD indicator which has been flashing since I picked up the truck from the transmission rebuild. An auto electrical shop found a 7V constant drain on a Power-to-Ground Conversion wire (that's what Spitfire Auto Electric called it), and another auto shop found a 2V constant drain on a Speed Sensor wire and said it looked like that wire wasn't connected correctly inside the transmission. The Anti-Lock braking system panel light is also coming on for normal braking, which indicates an electrical problem.

Would either the Speed Sensor wiring issue inside the transmission or the 7V “power conversion” wire cause the ABS light to come on, or is the ABS light specific to electrical issues in the braking system?

It seems something in the wiring is causing the issues Thank you, Ken.
Dec 20, 2024 at 6:33 AM
Avatar
STRAILER
  • CERTIFIED EXPERT
  • 53,854 POSTS
No the ABS light will not cause it to not crank over, to me it sounds like the starter motor has a bad spot on it. When the engine will not crank over, I would use a test light on the trigger wire of the starter solenoid and if it lights up while trying to crank it, the starter is bad.

https://www.2carpros.com/articles/starter-not-working-repair

please go over this guide and start a new thread for the ABS light. Have a good weekend!
Dec 20, 2024 at 9:46 AM
Avatar
MONTYTRAX
  • MEMBER
  • 5 POSTS
I'll check into it. Thanks, Ken, and Happy Holidays!
Dec 25, 2024 at 3:40 PM
Avatar
STRAILER
  • CERTIFIED EXPERT
  • 53,854 POSTS
Sounds good, happy holidays to you as well!
Dec 26, 2024 at 11:51 AM