☰
Login
Join
×
Home
Answered Questions
Repair Topics
Repair & Service Guides
Popular Questions
Warning Lights
Trouble Codes
How It Works
Testing / Diagnostics
Symptoms
Videos
Login
Become a Member
Home
Mitsubishi
Montero
Exterior Light
Turn Signal
Not Working
turn signals do not work
2000 MITSUBISHI MONTERO
120,000 MILES
501BOB
MEMBER
4 POSTS
FOLLOW
This is the Sport model. Turn signals do not work. Do you know where the flasher is? Hazard lights are working.
Jun 11, 2012 at 7:35 PM
Advertisement
KHLOW2008
CERTIFIED EXPERT
41,814 POSTS
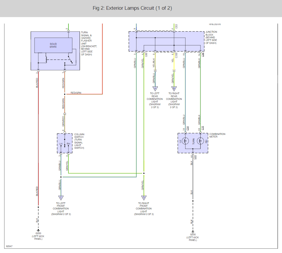
The flasher location is under the dash on the drivers side. H in the 3 diagrams over.
Here is a diagram of the flasher location and the fuse box:
https://www.2carpros.com/articles/how-to-check-a-car-fuse
Please let us know what happens so it will help others.
Cheers
Images (Click to enlarge)
Jun 12, 2012 at 6:02 PM
501BOB
MEMBER
4 POSTS
Nailed it! thanks I replaced the flasher and it worked perfect. I love fixing things myself. Thanks guys
Jun 13, 2012 at 8:32 PM
Advertisement
KHLOW2008
CERTIFIED EXPERT
41,814 POSTS
Nice work, we are here to help. please use 2CarPros anytime.
Jun 14, 2012 at 1:57 PM
STRAILER
CERTIFIED EXPERT
53,854 POSTS
Hey 501BOB,
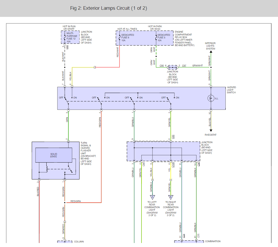
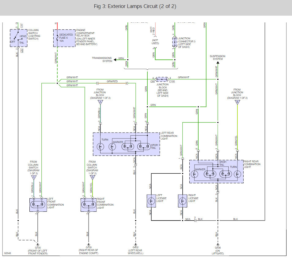
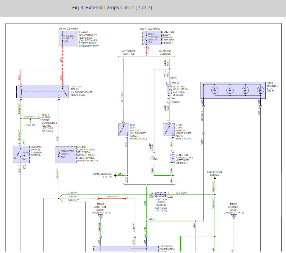
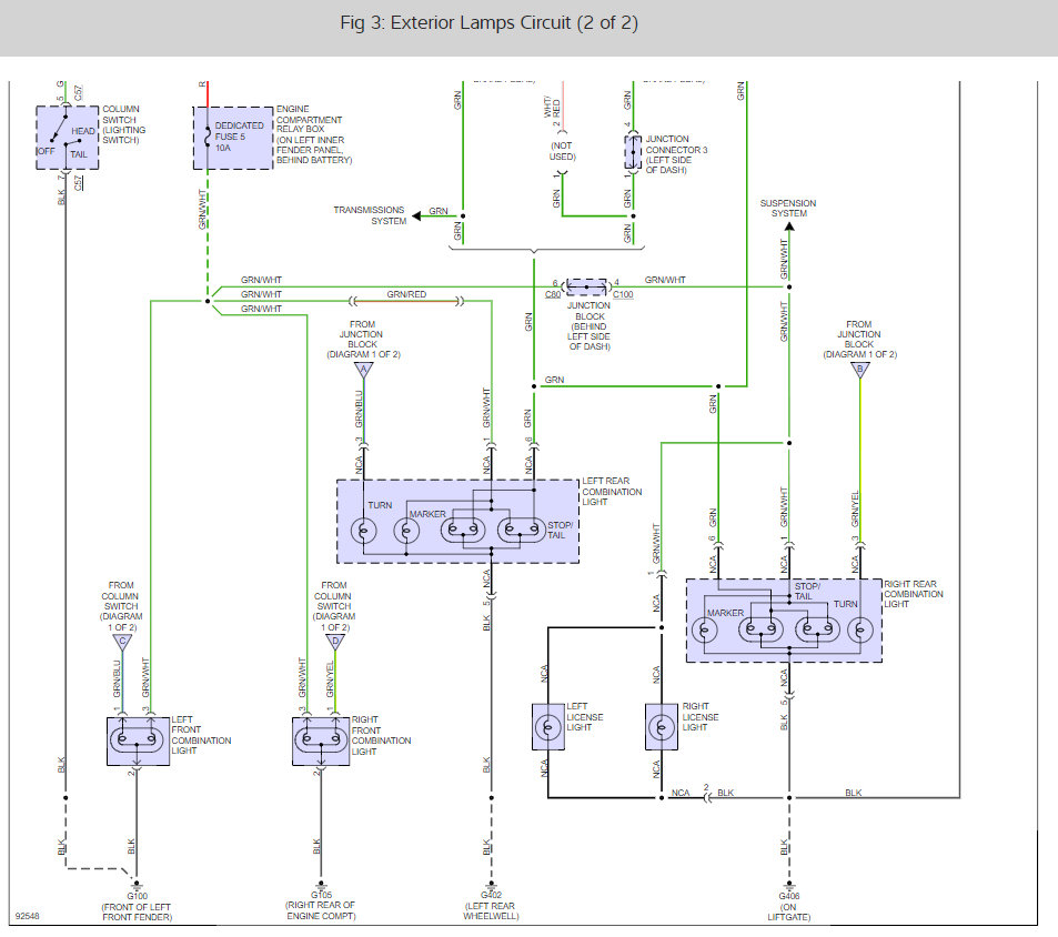
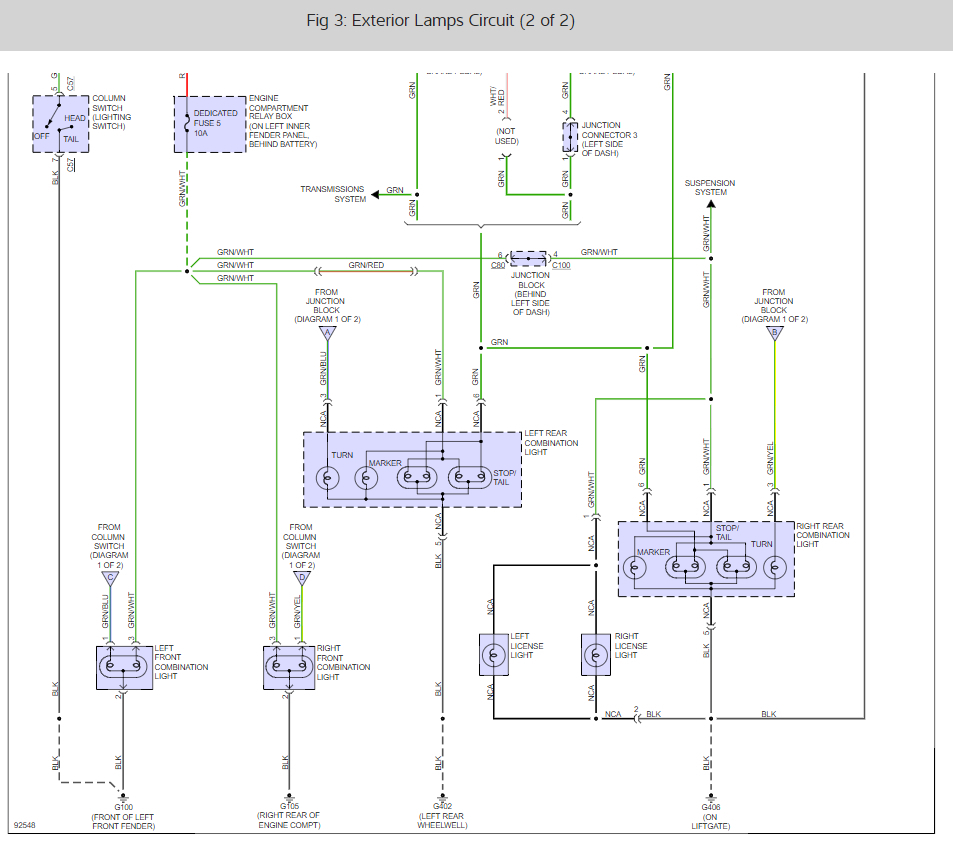
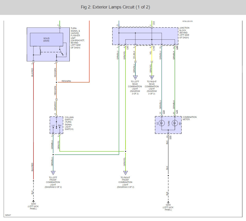
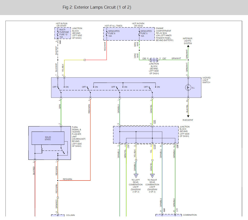
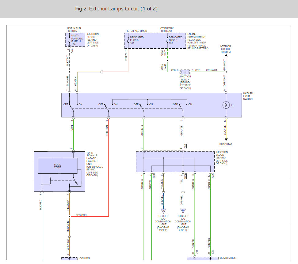
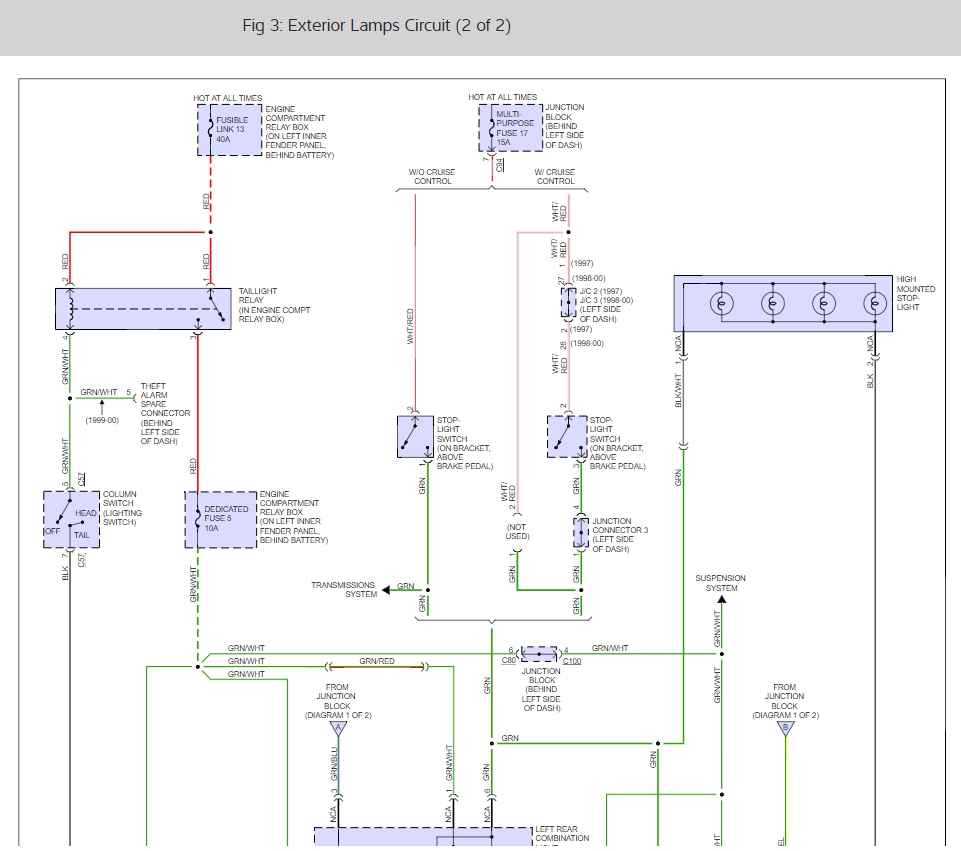
If you need to test the the turn signal switch to see if it has gone bad here is a wiring diagram for you:
https://www.2carpros.com/articles/how-to-use-a-test-light-circuit-tester
Please let us know what you find.
Cheers, Ken
Images (Click to enlarge)
May 6, 2016 at 2:40 PM