no headlights

2000 MITSUBISHI GALANT
155,000 MILES • 6 CYL • 2WD • AUTOMATIC
Avatar
01COUPE
  • MEMBER
  • 1 POST
Dash lights and headlights both went out, but still have turn signals and brake lights, what should I check first?
Apr 6, 2011 at 7:49 PM
Advertisement
Avatar
STRAILER
  • CERTIFIED EXPERT
  • 53,854 POSTS
It sounds like a relay or the fuse has gone out. Here are some guides and diagrams (below) so we can do some quick tests and get the problem fixed.

https://www.2carpros.com/articles/how-to-check-a-car-fuse

and

https://www.2carpros.com/articles/how-to-check-an-electrical-relay-and-wiring-control-circuit

and

https://www.2carpros.com/articles/how-to-use-a-test-light-circuit-tester

Test for power and see where it stops.

Please let us know what you find.

Cheers, Ken
Sep 21, 2017 at 11:45 AM
Avatar
TECNATIC
  • MEMBER
  • 3 POSTS
The low beam headlights work, but the high beams do not.

The emergency flashers work, but the turn signals do not.

The windshield wipers work on low speed only, but not on high speed or intermittent speed.

The windshield washer does not work.

The fog lights do not work.


All of these were working fine just before this problem happened, whatever it is. All of these stopped working simultaneously. I have checked all of the fuses, replaced the turn signal lever, and replaced the ETACS behind the main fuse box in the dashboard but none of that made any difference. I cant figure out what all of these systems have in common. Is there a common ground wire, or do they all run though some connector in the wiring harness or what else could it be?
Aug 28, 2019 at 9:37 AM (Merged)
Advertisement
Avatar
KHLOW2008
  • CERTIFIED EXPERT
  • 41,814 POSTS
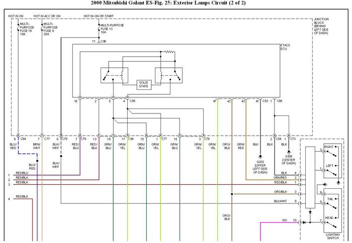
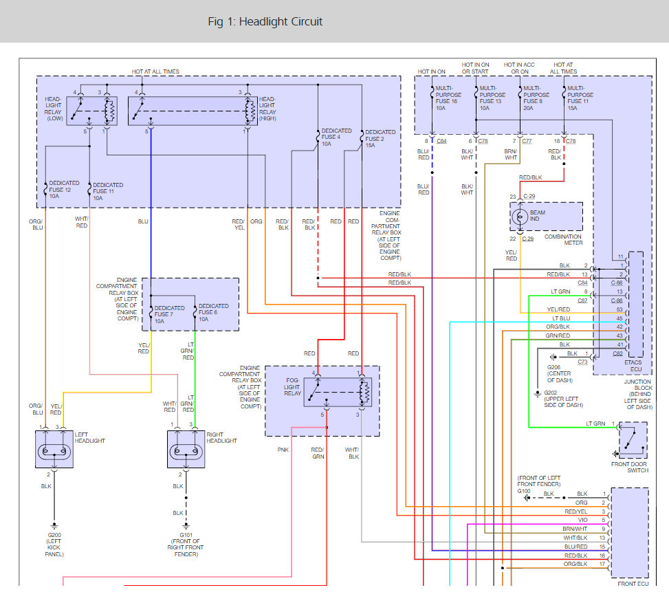
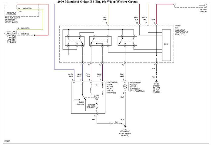
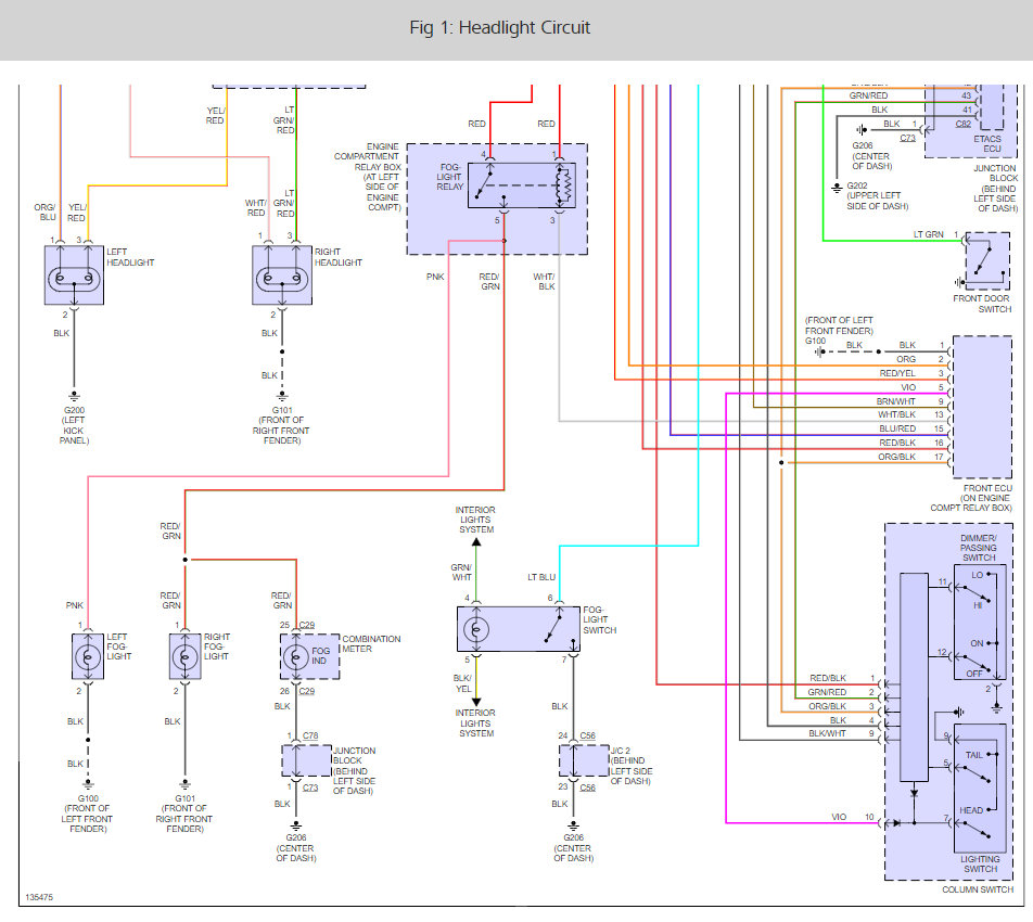
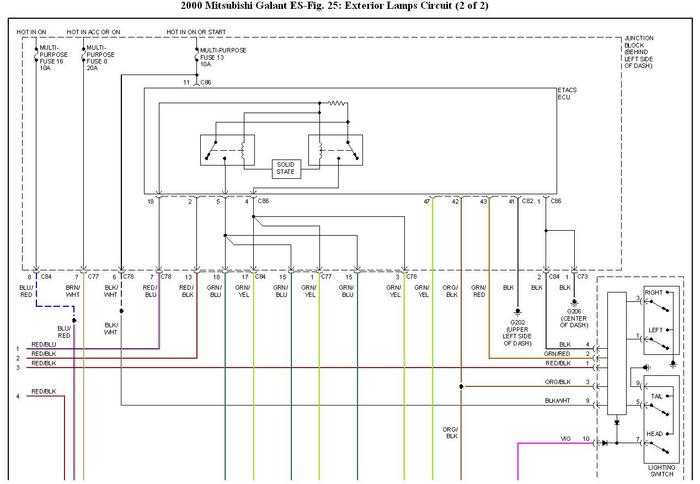
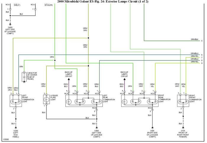
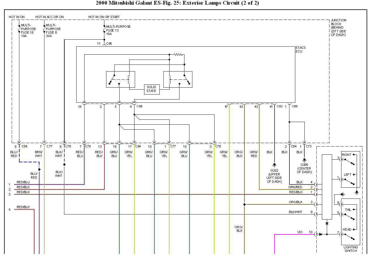
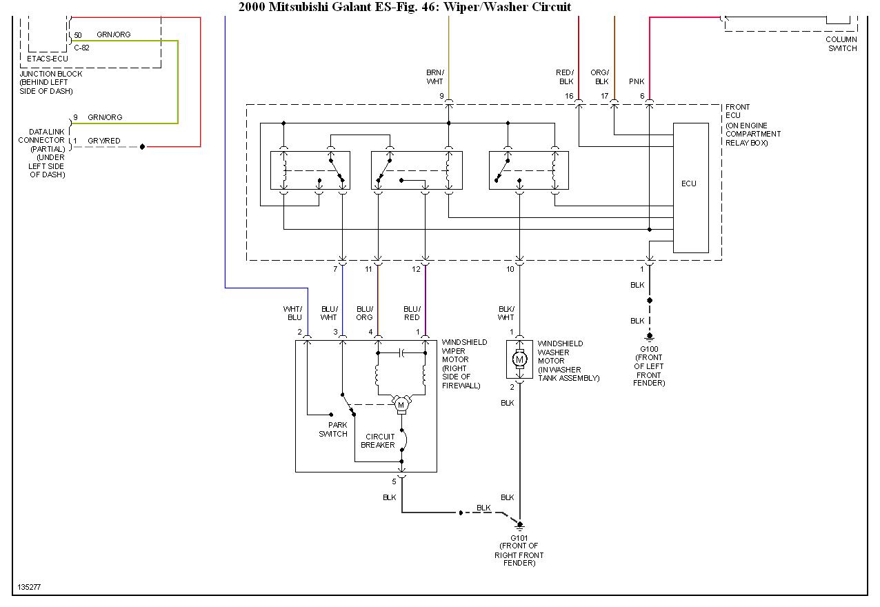
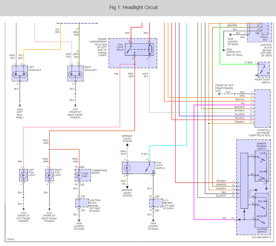
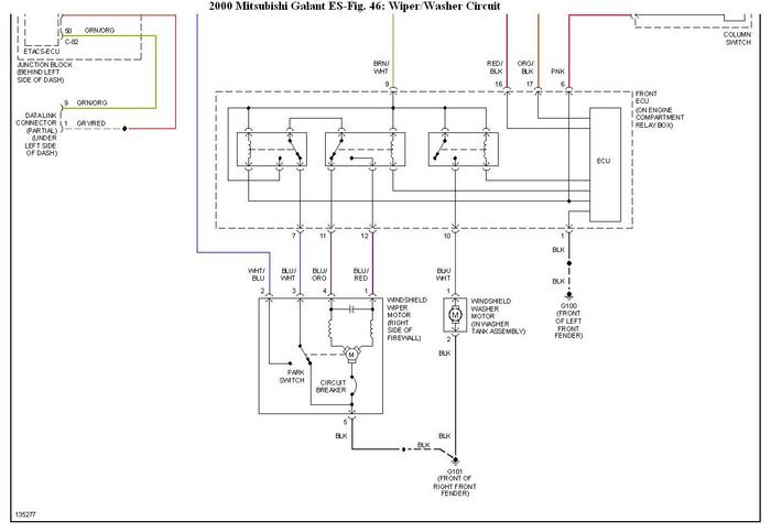
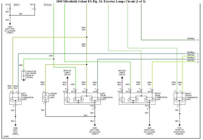
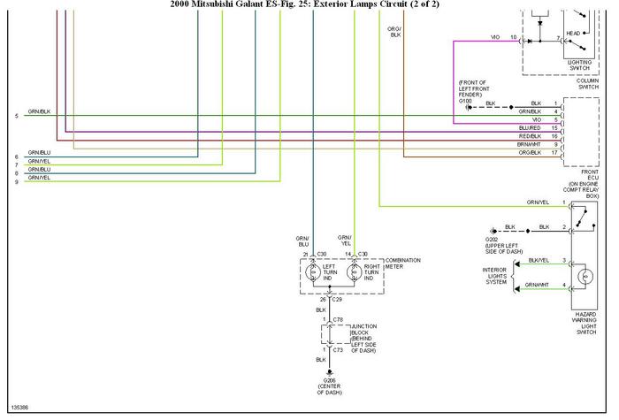
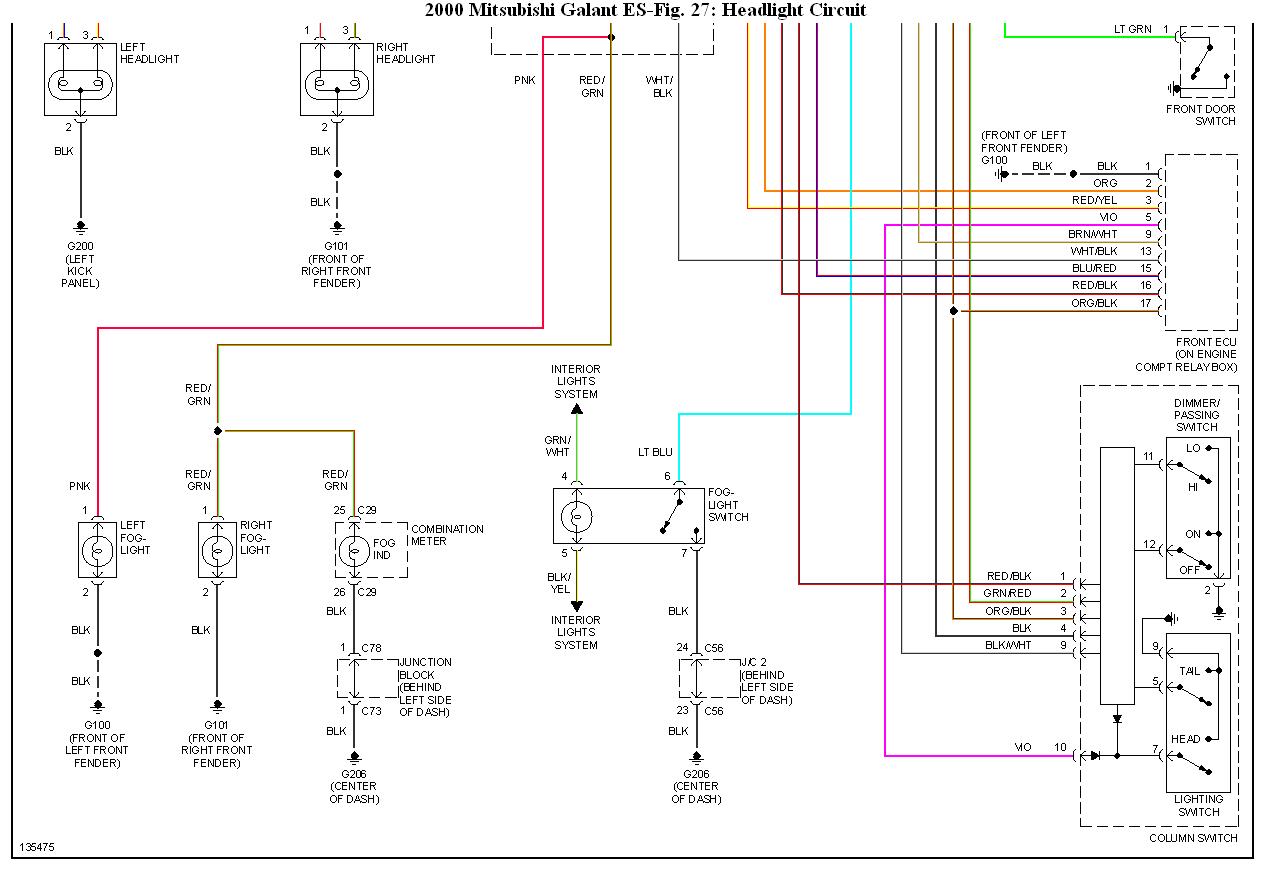
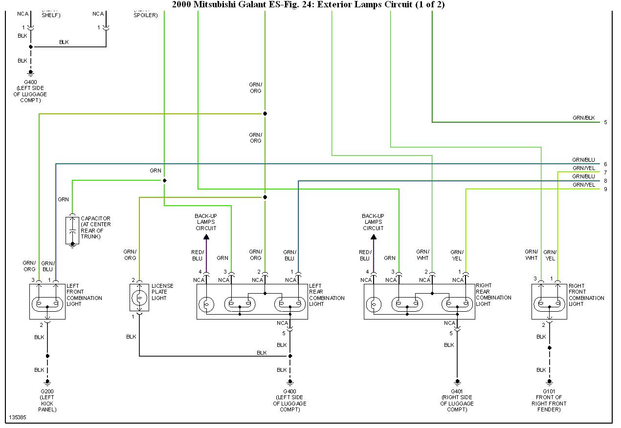
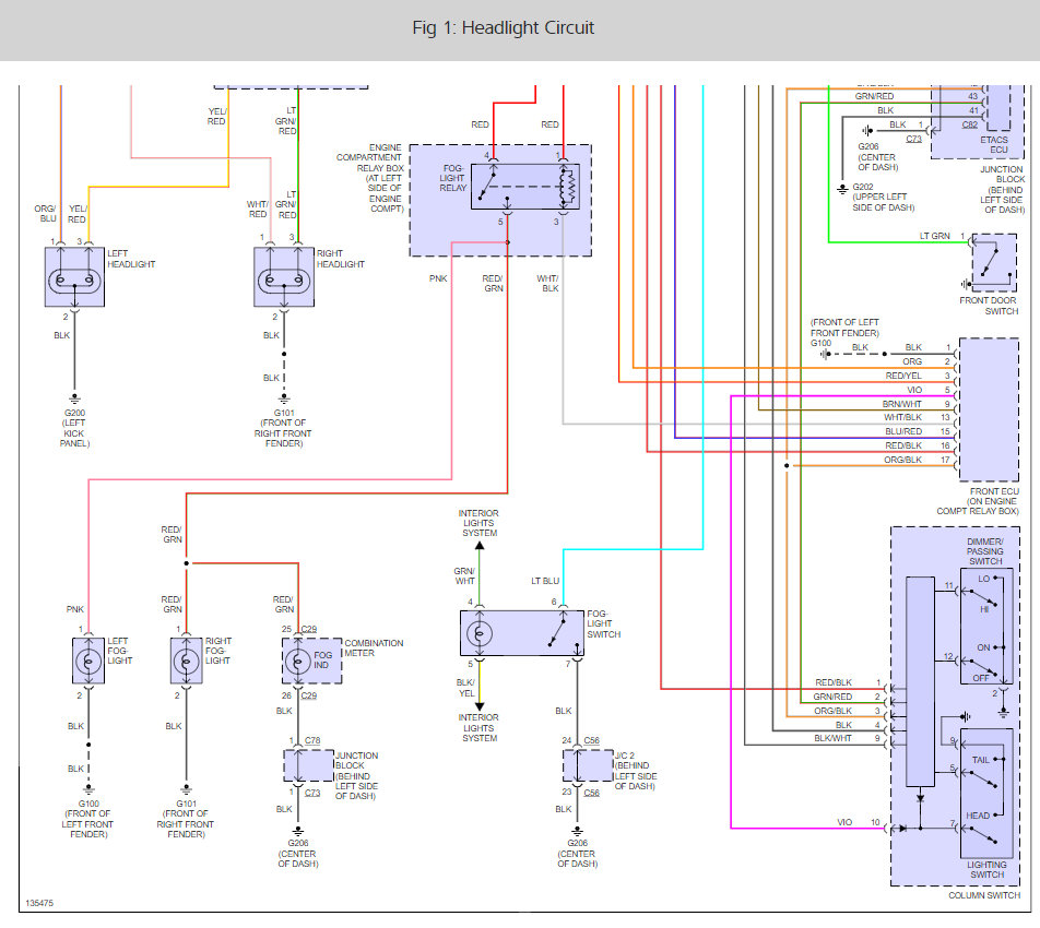
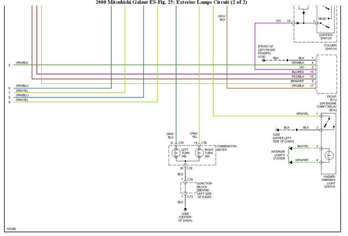
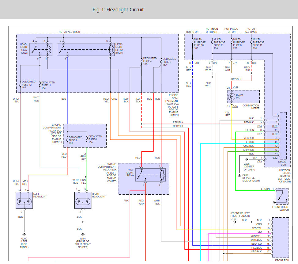
Here are the schematics of the various items mentioned

The one thing common among all cpompnents listed is the Front ECU, in engine compartment relay box.

Aug 28, 2019 at 9:37 AM (Merged)
Avatar
TECNATIC
  • MEMBER
  • 3 POSTS
If that is the source of the problem and the circuit that flashes the marker lamps for the turn signals, then how can the emergency flashers work at all?
Aug 28, 2019 at 9:37 AM (Merged)
Avatar
KHLOW2008
  • CERTIFIED EXPERT
  • 41,814 POSTS
Emergency flasher uses a different circuit that does not involve the Front ECU.
Aug 28, 2019 at 9:38 AM (Merged)