install aftermarket stereo so I need stereo wiring schematics

2000 MITSUBISHI GALANT
194,000 MILES • 2.4L • 4 CYL • FWD • AUTOMATIC
Avatar
JARED FORSELIUS
  • MEMBER
  • 3 POSTS
Need to install aftermarket stereo so I need stereo wiring schematics to splice stereo into car instead of waiting any longer for a adapter I ordered days. I have done this many times before in other vehicles and know that I am more than comfortable doing it. Thanks
Apr 22, 2016 at 9:34 PM
Advertisement
Avatar
STRAILER
  • CERTIFIED EXPERT
  • 53,854 POSTS
Hi JARED,

Thanks for joining our site, here is your radio diagram, let me know if you need anything else

Sep 10, 2020 at 5:39 PM
Avatar
CARADIODOC
  • CERTIFIED EXPERT
  • 34,306 POSTS
Do you have a remote amp?

There is no easy way to copy and paste diagrams from this site.

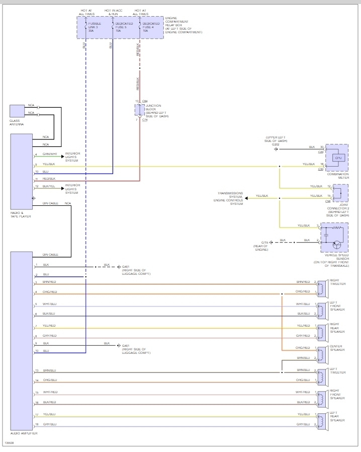
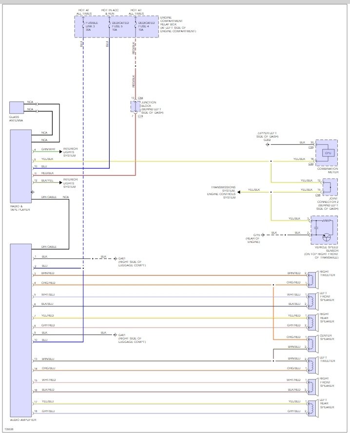
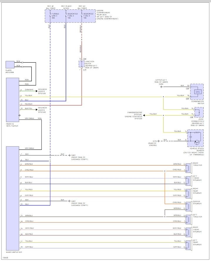
LF speaker: white / blue, black / blue
RF speaker: white / red, black / red
LR speaker: yellow / blue, gray / blue
RR speaker: yellow / red, gray / red

12 volt memory: red / black
12 volt switched: blue
Interior lights: green / white, back / yellow
Sep 10, 2020 at 5:39 PM
Advertisement
Avatar
JARED FORSELIUS
  • MEMBER
  • 3 POSTS
All the wiring colors for the four speakers seem to match perfectly but as far as the power wires that are left over I am not sure where to match them to on the new stereo. After matching up speaker wires I have BLACK-Ground(B-), YELLOW-MEMORY Backup(B+), and RED-Ignition Switch(ACC) left over. Exactly which colors do I match to those from the original wires since it does not seem to be worded the same as is written above here. For example, the two separate wires for interior lights. I just want to make sure I get it right on the first shot. Can you help me out with just this last part. I know I am on the right track because of how perfectly the speaker wiring matches up that you provided me.Thanks
Sep 10, 2020 at 5:39 PM
Avatar
CARADIODOC
  • CERTIFIED EXPERT
  • 34,306 POSTS
12 volt memory is hot all the time. That is red / black on the car and yellow on your new radio, which is somewhat standard. 12 volt switched comes from the ignition switch. That is blue on the car and red on your new radio, which is also standard.

You typically do not use the two interior lights wires. On the original radio one is hooked to the tail lights to tell the display to dim, and one is hooked to the dash lights to tell the display how much to dim. I did not see a ground wire in the car's plug so the black wire on the new radio can just be bolted to the body sheet metal. Seal the ends of the unused wires.

You will likely have a blue wire left over on the new radio. That gets 12 volts switched onto it when the ignition switch and the radio are turned on. It is for telling the remote amp, (when used), to turn on and to tell the power antenna, (when used), to go up. Just seal that one up so it doesn't short to the body or the radio's metal case.

I never use electrical tape on a car because it will unravel into a gooey mess on a hot day and could allow a wire to ground out. Use the little yellow wire nuts if they come with your new radio, otherwise I like silicone gasket sealer. Tie a knot on the end of a wire so the sealer can't come loose and slide off, then dab on just enough to seal the end of the wire.
Sep 10, 2020 at 5:39 PM
Avatar
JARED FORSELIUS
  • MEMBER
  • 3 POSTS
Thank you so much for your help everything worked out great. I will definitely use this site in the future when dealing with any car issues. The detail that you went into left me no question as to what I needed to do and how to do it. Also thanks for the tip about the electrical tape because I was going to go that way but I totally understand where you're coming from on how itcan turn into a gooey mess. I have clamps to bind the wires together and a crimping tool to use now as well. Thanks again for your help.
Sep 10, 2020 at 5:39 PM
Avatar
STRAILER
  • CERTIFIED EXPERT
  • 53,854 POSTS
We are here to help, please tell a friend :-)
Sep 10, 2020 at 5:39 PM
Avatar
JOEBELLIOTT
  • MEMBER
  • 1 POST
I have a 2002 Mitsubishi Galant. I am trying to remove the factory radio and install an aftermarket radio in it. I am a bit confused on the wiring harness going in to the factory radio there are only 5 wires. A red and white, a yellow and black, a blue, green and white, and black and yellow. I have hooked it up to the point of having power but i get no sound... any assistance would be appreciated.
Sep 10, 2020 at 5:39 PM
Avatar
CARADIODOC
  • CERTIFIED EXPERT
  • 34,306 POSTS
You got ripped off. There are no speaker wires, so of course there will be no sound!

Actually, . . . you have a remote amplifier. The audio signals are carried through the DIN cable to the amp. Your red / white wire is the constant 12 volt for the station preset and clock memory. The yellow / black comes from the instrument cluster and the Engine Computer. Can't tell if that's for dash lights or speed-sensitive volume. Either way, you likely don't need it. Blue is the switched 12 volts. The green / white wire and the black / yellow wire go to the interior lights system. Not sure what the story is there.

If your new radio has two RCA cables, those are line-level output. You may be able to connect them to the wires in the DIN cable. You'll have to cut it open and experiment with that. The alternative is to run the new radio's speaker wires to the amp. You'll have to cut the wires at the amp that go to the speakers, then connect them to the radio's speaker wires.

Left front speaker: White / blue and black / blue

Left tweeter: Brown / blue and orange / blue

Left rear: Yellow / blue and gray / blue

Right front: White / red and black / red

Right tweeter: Brown / red and orange / red

Right rear: Yellow / red and gray / red

Center speaker: Orange / red and brown / blue that come from the two tweeters

2 black wires are grounds. Not sure why there's two, but they attach to opposite sides in the trunk.
Sep 10, 2020 at 5:39 PM
Avatar
IBCHILLEN420
  • MEMBER
  • 2 POSTS
I'm having the same problem with a 2002 Mitsubishi gallant I have the power wires hooked up liked said above but I'm not getting any power. I have checked the fuses under the hood and in the radio and they are both fine. Is there something I am over looking or do you have any advice?
Sep 10, 2020 at 5:39 PM
Avatar
IBCHILLEN420
  • MEMBER
  • 2 POSTS
I have also hooked the radio up to another car and it works just fine
Sep 10, 2020 at 5:39 PM
Avatar
CARADIODOC
  • CERTIFIED EXPERT
  • 34,306 POSTS
If the radio doesn't power up, check for 12 volts on the two power wires. One must have 12 volts all the time. One must have 12 volts only when the ignition switch is turned on. You can use a digital voltmeter, but for this, a test light is actually more accurate. Do not use the radio's metal case for the ground for the test light. Connect it to something metal on the body or firewall.

If you have both 12-volt supplies, check for voltage on the radio's case. If you find anything there, the ground wire has a break in it. The ground can be made through the outer shield of the antenna cable, but that is a very poor power ground and should not be relied on to do the job.
Sep 10, 2020 at 5:39 PM