2000 Mercury Sable Power Windows not working.

2000 MERCURY SABLE
3.0L • V6 • FWD • AUTOMATIC
Avatar
MCASDORPH
  • MEMBER
  • 30 POSTS
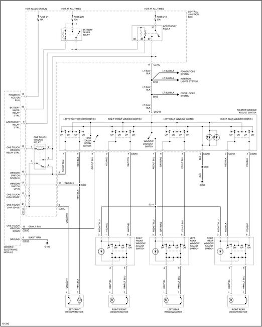
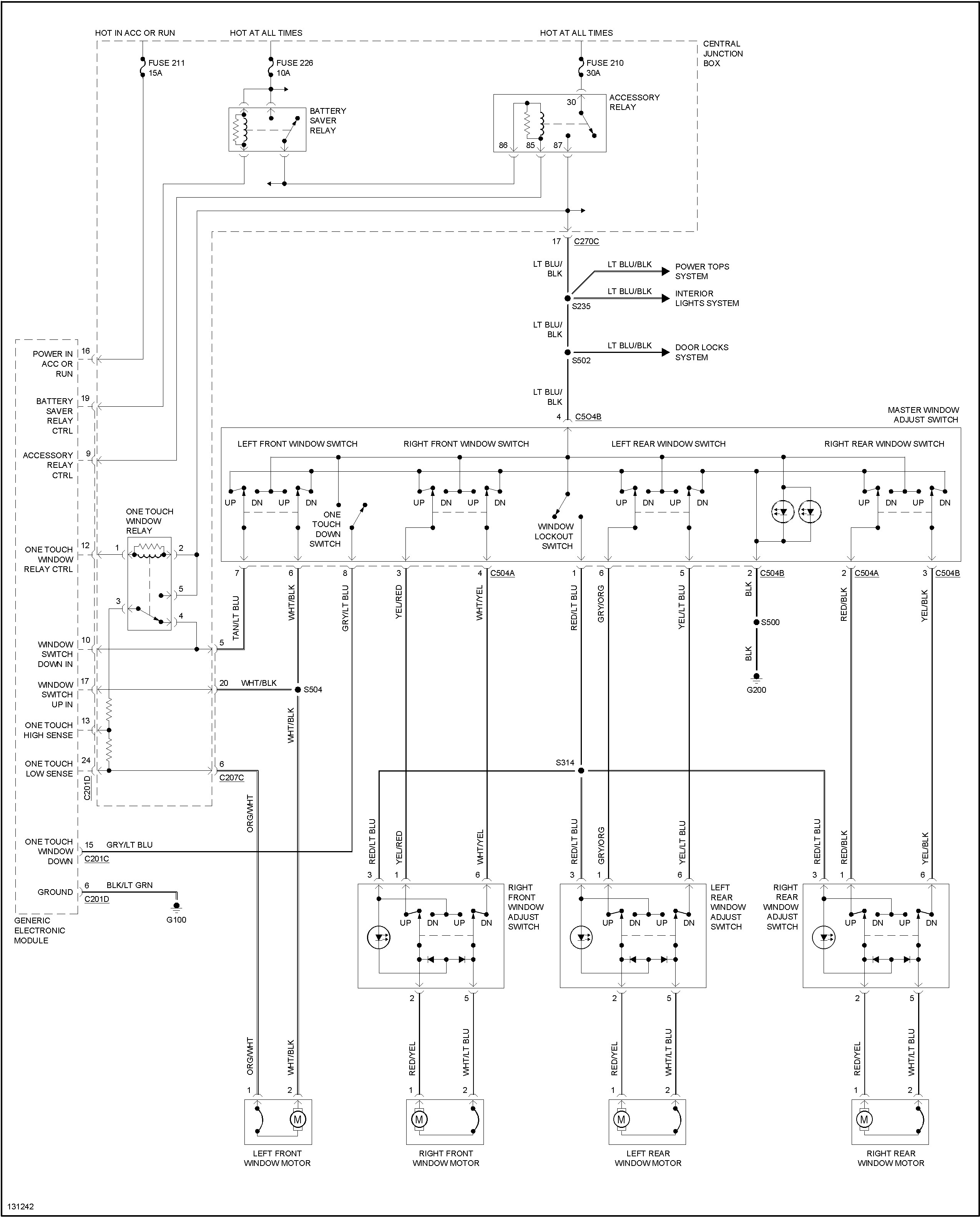
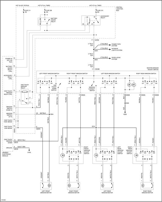
I got a 2000 Mercury Sable for my mom about a week ago, I was gonna do some maintenance on it before giving it too her, There is a problem with the power windows, none of the windows work, I downloaded a wiring diagram, the Master switch has a LT-Blue/BLK wire that according to the diagram should have 12v on it, I used my multimeter and it appears that it doesn't have voltage on that wire at the switch, I checked for continuity at the switch to the big connector near the door hinges, it had continuity, I checked at the Fuse Panel and somewhere between there and the connector, the LT-Blue/BLK wire is either broken or there is a relay or something that is not completing the circuit.

I have used a jumper from the battery to the LT-Blue/BLK at the switch and I can run the back windows up and down, but the front switches still didn't work. The Master Switch did have 2 connectors (Perhaps 1 for front and 1 for back, separate?).

I did noticed when pressing the One Touch down, that the #2 Relay does make a noise tho.
Oct 29, 2014 at 12:57 PM
Advertisement
Avatar
CARADIODOC
  • CERTIFIED EXPERT
  • 34,306 POSTS
Before we get all wrapped around the axle looking for hard stuff, there's a couple of things to consider that I've seen stump some really experienced mechanics. Rather than fall victim to these traps, and so I have confidence in our diagnosis, my first concern is using a digital voltmeter. For this type of problem, a cheap test light will be more accurate.

"I checked for continuity at the switch to the big connector near the door hinges, it had continuity"

This tells me you have more knowledge of electrical diagnosis than all do-it-yourselfers and most mechanics, but keep in mind that frayed and broken wires between the door hinges account for probably 99 percent of power window and lock problems, but all you need is one remaining strand of wire for the ohmmeter to see a "complete" circuit, meaning no breaks in it. To make it even more distressing, if you're measuring voltages, which is faster then testing individual wires except as a verification test, you can have a totally broken wire, but if there's a carbon track left behind where arcing took place across that break, that carbon will conduct plenty of current for a digital voltmeter to pick up a voltage. That is REAL common when a fuse link wire burns open but it can happen in regular wires too. In this case you wouldn't find 0 ohms on that wire, so that's where my comment about a single remaining strand comes in. That strand will result in reading 0 ohms on that wire, but you won't get enough current through it to run a window motor. The faster method here would be to find 12 volts at the switch, until you turned the switch on and current tried to.flow, then all that voltage would be dropped across the break and you'd see your voltage at the switch go real low or to 0 volts. The test light does something similar. It needs to draw substantial current to work and it can't do that when there's only a carbon track across a break in a wire. The voltmeter can still falsely read a voltage but the test light won't.

The next concern that you likely didn't do, but I don't want to overlook something stupid, is you used the door skin for ground. The hinges don't make good contact and usually there is nothing grounded to the door. All the ground circuits go through a wire between the door hinges, and are grounded inside the body. To be accurate, anything that requires your meter to be grounded has to have it grounded on the main body.

Related to this, if you're looking for 12 volts across the two motor terminals, for example, you obviously won't read 12 volts if the 12 volt feed wire is open, but the same is true if the ground wire is open. You could have multiple broken wires, and that's typically what you'll find when one is bad.

A third thing to keep in mind is you did the testing while the door was open and wires were being tugged on. It's common to find a window or lock is dead only when the door is in certain positions. That's a sure-fire clue the cause is wires.

Related to ground circuits, this was always a great and wondrous revelation to my students that made these really complicated wiring diagrams easier to follow. When the window switches are released, you will find one 12 volt feed wire to each one, then every other wire will read 0 ohms to ground, AND both motor wires will read 0 ohms to ground. This applies to standard, common window circuits that don't incorporate additional relays to do the switching. (I can't read the diagram you found well enough to tell if relays are involved). What happens is there's four sets of contacts in each window switch. Each motor wire goes through one set, then to ground. Remember, this is when the switch is released.

When the switch is activated, one contact remains grounded like before and continues to provide the ground circuit for the motor, BUT, . . . the other contact is moved by the switch handle to first break the contact to ground, then apply it to the 12 volt supply. This gets more complicated for the three passenger windows because they have a second switch. Those ground circuits go through all the contacts in both switches. Either switch can remove one ground contact and apply 12 volts to it, depending on which way you want the motor to run.

At this point my head is starting to spin so I'm going to take a break and let you verify your test results. Relays cause very little trouble, but if you want to insure yours isn't the cause of the missing 12 volts, you can jump terminals 30 and 87 together with a stretched-out paper clip or piece of wire. That will also give you easy access to a test point to make sure you have 12 volts there. The next suspect point is a corroded splice where the circuit branches off to feed the interior lights. (I guess I CAN read that schematic). Next comes the splice for the power locks. If the power locks work, you know everything in the circuit is okay up to that point. From there you basically have the wire between the door hinges.
Oct 29, 2014 at 10:05 PM
Avatar
MCASDORPH
  • MEMBER
  • 30 POSTS
I guess I neglected to mention that I didn't ground at the hinges, At first I did find it hard to find a good ground at the door, I found a good ground on a bolt in the floorboard and that was where my ground was during the tests I done.

I understand what your saying about the meter, I will get a test light and redo my tests with it.
Oct 30, 2014 at 6:42 AM
Advertisement
Avatar
MCASDORPH
  • MEMBER
  • 30 POSTS
Well This has officially been 2 years old now, my mom had the car and it went down recently and we ended up getting it back, I had to replace head gaskets on it and decided to troubleshoot the windows again, so I opened the master switch and found the big black wires terminal had broke, so I fixed that using a 4 inch donor black wire with a good terminal out of a 01 Taurus that had the same switch, that fixed the black wire problem, then I found the LT BLUE/Black wire was broken in at the hinge area, I got them back together and found two other wires (Pink/Yellow, I can't remember the others colors) that were cracked but not yet broken I fixed those aswell to avoid having to get back into it later if they broke, I did check for more cracks or breaks and didn't see any, I put it back together and now the rear windows on both sides work, but still the front windows do not, what else would cause only the fronts to not work? I tried to check the passenger door wiring for breaks but couldn't tell anything.
May 2, 2016 at 12:29 PM
Avatar
CARADIODOC
  • CERTIFIED EXPERT
  • 34,306 POSTS
Well, we're making progress. If the rear windows work from the driver's switch, but the driver's window doesn't, that rules out a wiring problem, at least for the driver's window. The first suspect is a problem inside the driver's switch. The next would be a defective motor. You'd find that by measuring the voltage between the motor's two terminals. Depending on how the meter leads are connected, you should find 12 volts with the switch pressed one way and minus 12 volts with the switch pressed the other way. Of course test lights don't have a polarity so it should light up either way.

If you don't find 12 volts at the motor, move the meter's ground lead to the body, then measure on either motor wire. When the switch is pressed one way, if you find 0 volts on both motor wires, a contact is bad in the switch. If you find 12 volts on both wires, a different switch contact is bad. For these symptoms you'll find the opposite when the switch is pressed in the other direction. This assumes you do have 12 volts feeding the switch and a good ground circuit. That should be the case because that is needed for the rear windows to work.

To add one clinker to the story, this is about the time the brilliant engineers started adding an unnecessary computer to some window circuits. I never memorized any of those circuits, but they usually involve an "auto-down" feature. If you have something like that, and it only applies to the front windows, that computer would be a good suspect.
May 2, 2016 at 6:42 PM
Avatar
MCASDORPH
  • MEMBER
  • 30 POSTS
You mentioned possible bad contacts on the switch, I actually originally suspected the switch when I had no working windows, I have a 01 taurus with the same exact master switch (just different color to match taurus interior) and I swapped the master switch and it done the same thing, the switch was a good switch as it worked the taurus windows fine, so technically that rules the master switch out as a problem.
May 2, 2016 at 7:59 PM
Avatar
MCASDORPH
  • MEMBER
  • 30 POSTS
I can hear the auto down relay click with the down button on driver side window, so the relay is getting the power, it appears to be somewhere after the relay correct?
May 2, 2016 at 8:01 PM
Avatar
CARADIODOC
  • CERTIFIED EXPERT
  • 34,306 POSTS
Is that relay built into the switch?
May 2, 2016 at 8:17 PM
Avatar
MCASDORPH
  • MEMBER
  • 30 POSTS
no, the relay is at the fuse panel... I found out why the fronts didn't work, I guess the last time I had the panels off, I left the connectors unhooked from the motors..lmao, I hooked up both and both fronts work, all four windows are working fine..
May 3, 2016 at 11:23 AM
Avatar
CARADIODOC
  • CERTIFIED EXPERT
  • 34,306 POSTS
Dandy!. It would have taken me a while to figure that out.
May 3, 2016 at 4:40 PM