ac not working

2000 MERCEDES BENZ S430
94,000 MILES • V8 • 2WD
Avatar
THOMASHJ2
  • MEMBER
  • 1 POST
ac not blowing cold air in my 2000 s430 compressor is running freon level is correct pressures are correct but ac off light stays on
Jul 16, 2011 at 5:58 PM
Advertisement
Avatar
STRAILER
  • CERTIFIED EXPERT
  • 53,855 POSTS
Hello,

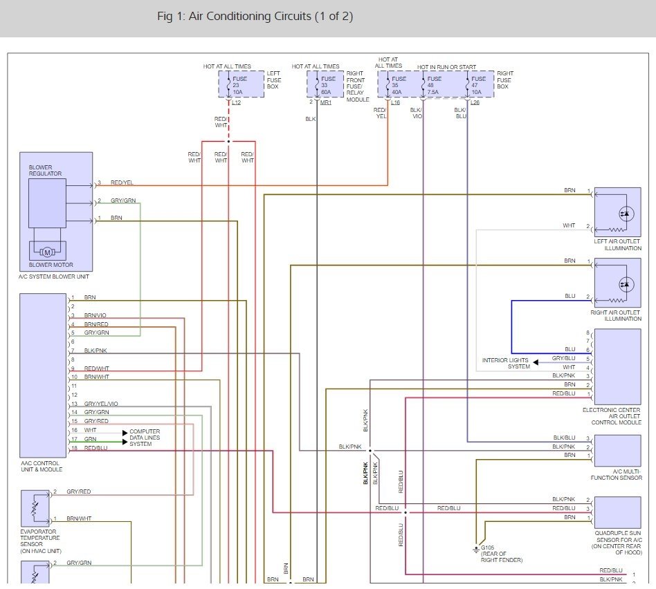
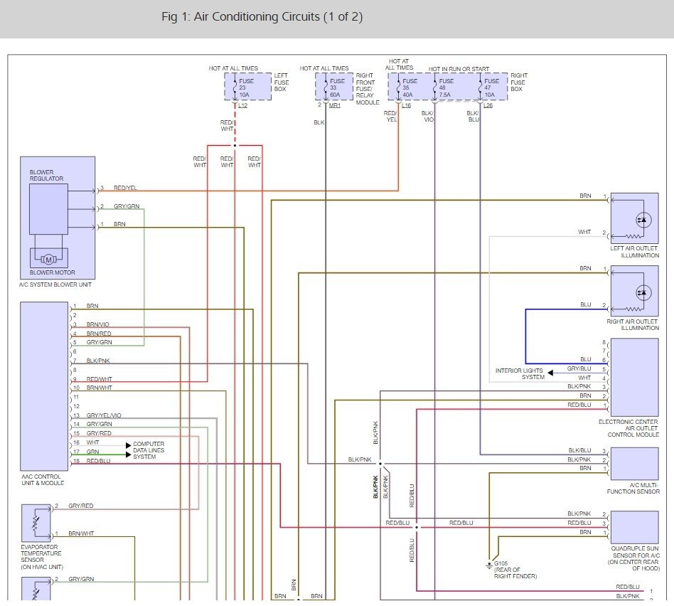
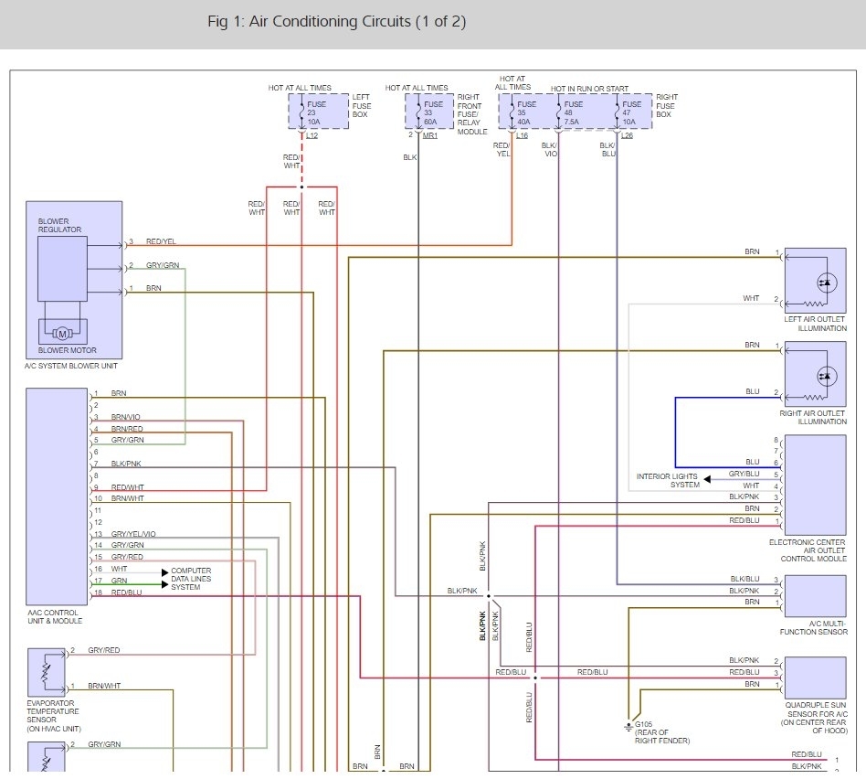
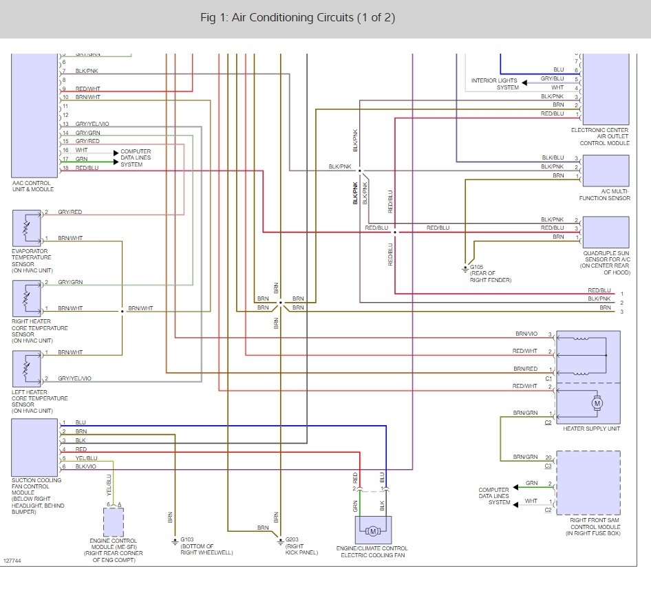
It looks like you have 5 fuses running the system, lets start by checking those. Here is a guide that will help you with diagrams (below) on what to do on your car.

https://www.2carpros.com/articles/how-to-check-a-car-fuse

and

https://www.2carpros.com/articles/how-to-use-a-test-light-circuit-tester

Check for power and ground for the controller.

Please run some tests and get back to us we are interested to see what it is.

Cheers, Ken
Jul 13, 2017 at 6:46 PM