flasher location please

2000 LINCOLN NAVIGATOR
200,000 MILES
Avatar
BUDDY WRIGHT
  • MEMBER
  • 1 POST
no blinkers where is the flasher for the blinkers located?
Jan 7, 2012 at 11:12 PM
Advertisement
Avatar
WRENCHTECH
  • CERTIFIED EXPERT
  • 20,761 POSTS
It's under the dash near the steering column.
Jan 8, 2012 at 12:05 AM
Avatar
MIKE SUP
  • MEMBER
  • 1 POST
Turn signals do not work I was told it could be either a fuse or the flasher relay Any other suggestions if that does not work
Jul 28, 2019 at 11:47 AM (Merged)
Advertisement
Avatar
KENSMO
  • MEMBER
  • 1 POST
Electrical problem V8 Four Wheel Drive Automatic 109000 miles
----------------------------------------------------------------
All of my turn signals just stopped working. Is there a fuse for this and if so, where exactly is it located in the fuse box? If it's not the fuse, what could be the problem?
Jul 28, 2019 at 11:47 AM (Merged)
Avatar
2CARPRO JACK
  • CERTIFIED EXPERT
  • 11,533 POSTS
Hello,

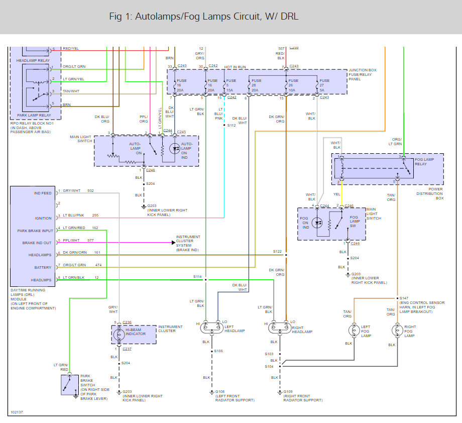
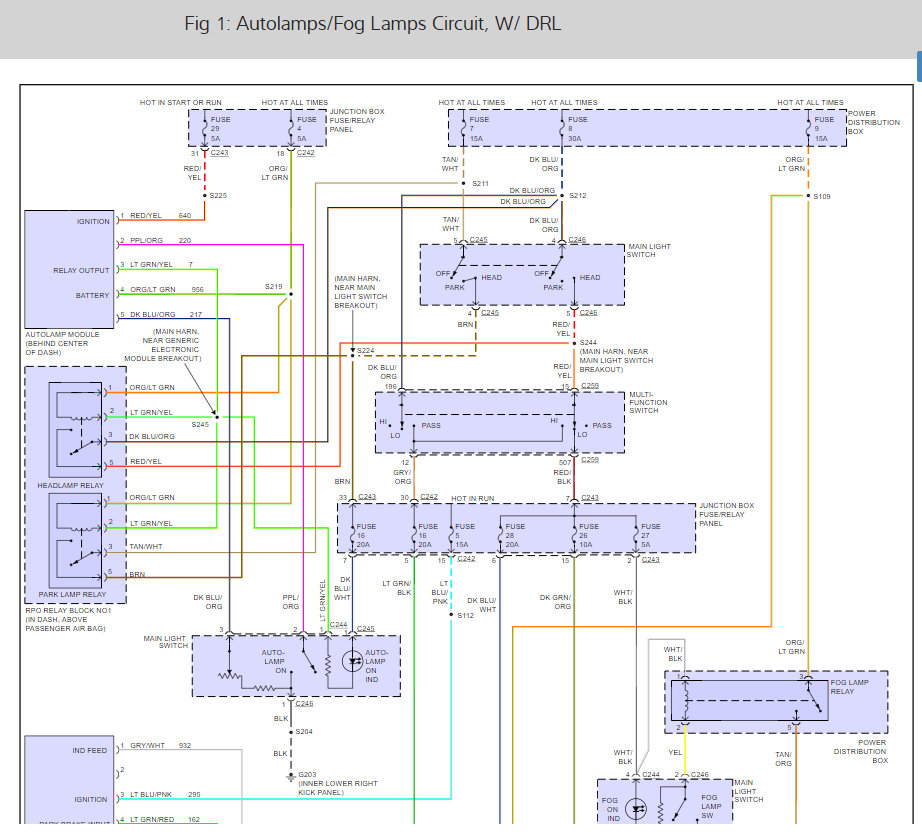
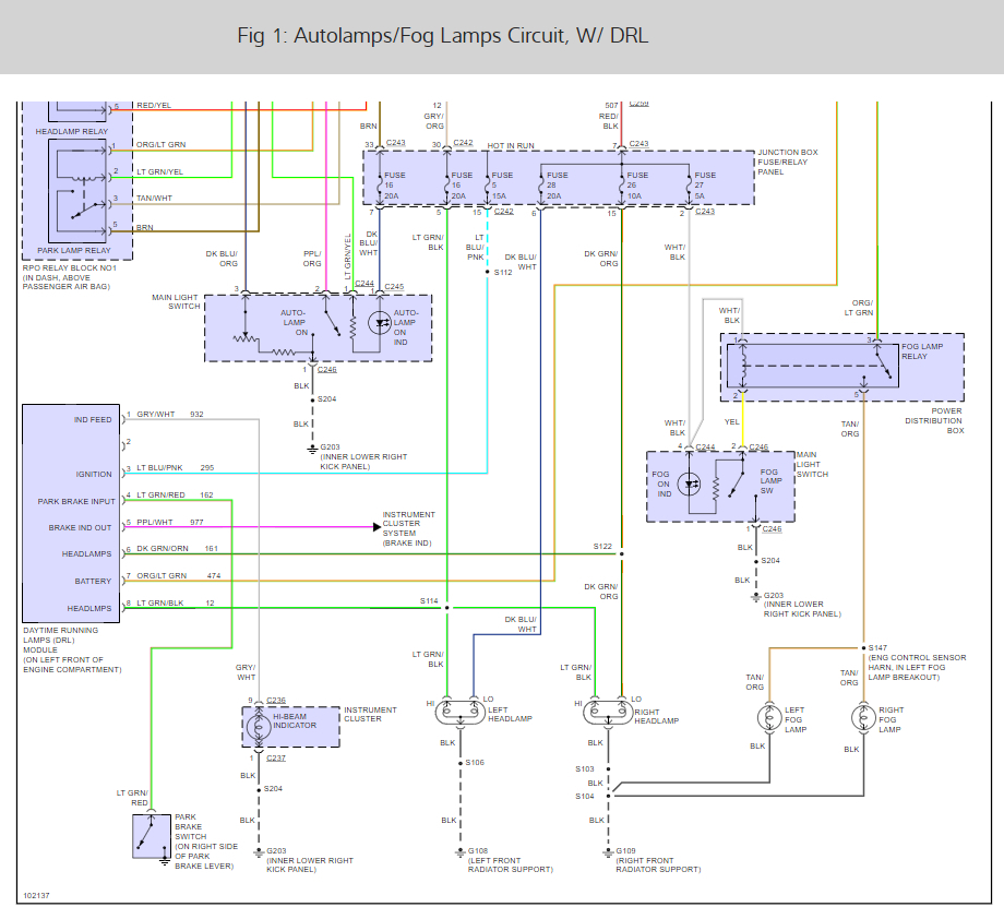
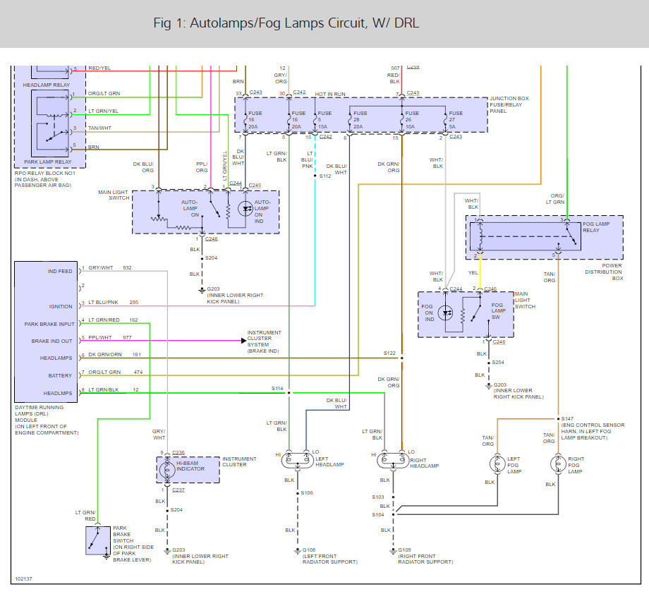
There is a relay and fuses that need to be checked to see whats going on. Here are guides the headlight wiring diagrams and fuse locations to help you get the job done.

https://www.2carpros.com/articles/how-to-check-a-car-fuse

and

https://www.2carpros.com/articles/how-to-check-an-electrical-relay-and-wiring-control-circuit

Check out the diagrams (Below)

Please run some tests and get back to us.

Cheers
Jul 28, 2019 at 11:47 AM (Merged)
Avatar
KENSMO
  • MEMBER
  • 1 POST
It was the relay thanks for your help saved me cash for sure I love this site.
Jul 28, 2019 at 11:47 AM (Merged)
Avatar
MHERRINGTON1983
  • MEMBER
  • 1 POST
Vehicle: 1999 Lincoln navigator

original problem: turn signal intermittent problems. Would turn it on and it would blink a few times and either stop all together or "stick" on.

Action: I replaced the multi-function switch.

Current problem: after replacing the multifunction switch, there are now a couple problems. The rear flasher (only the rear) constantly blink. They do stop blinking when I either 1) hit the brakes 2) turn the right or left turn signal on. When I turn the left turn signal on, it works fine. When I turn the right signal on, it only works find as long as I do hit the brakes. As soon as I hit the brakes, it "sticks" on

action: I replaced the turn signal flasher (relay). This didn't make a difference. I still have the same problem.

Any thoughts?
Jul 28, 2019 at 11:47 AM (Merged)
Avatar
HMAC300
  • CERTIFIED EXPERT
  • 48,601 POSTS
a local guy would have tolook at this it may be a problem with the switch you installed or I fyou have a trailer wiring it may be in there.
Jul 28, 2019 at 11:47 AM (Merged)