af sensor code p1130 ?

2000 LEXUS ES
FWD • AUTOMATIC
Avatar
1COOLCARL
  • MEMBER
  • 1 POST
What is a af sensor code p1130
Jan 23, 2011 at 10:26 PM
Advertisement
Avatar
SQM
  • CERTIFIED EXPERT
  • 6,383 POSTS
Hello,

The code:
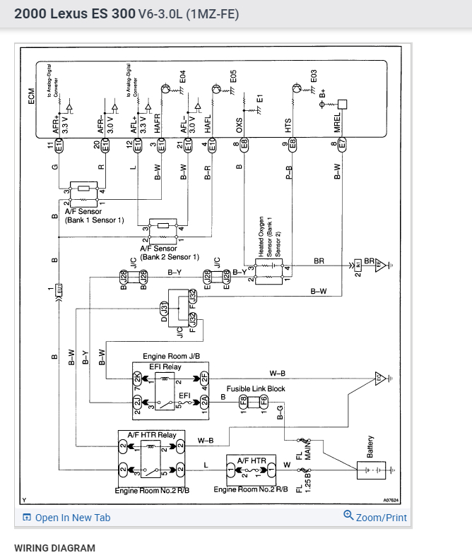
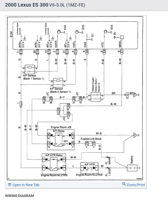
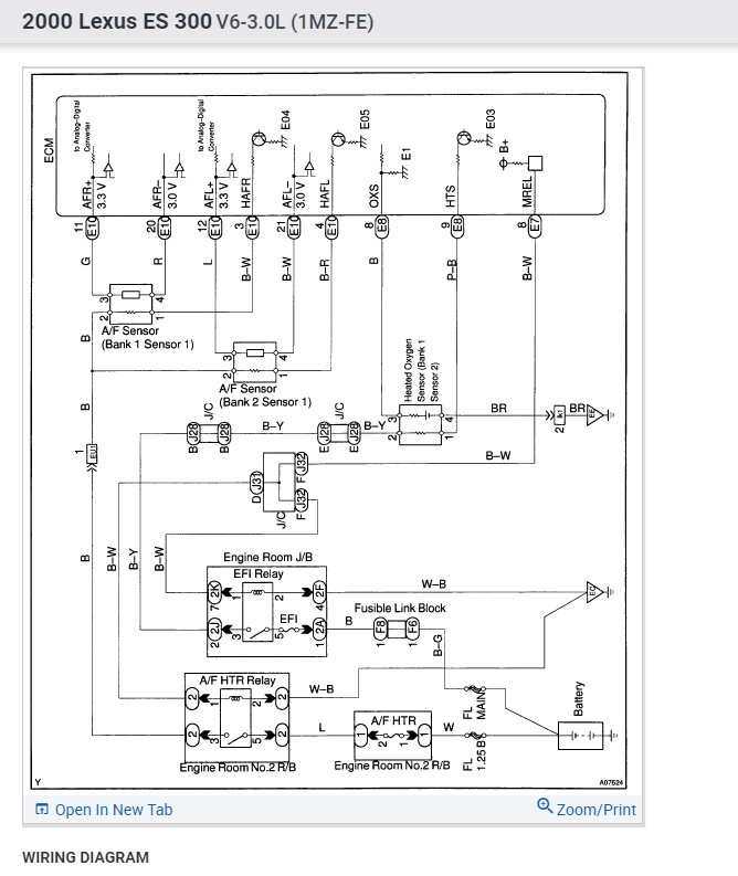
P1130 - A/F (air / fuel ratio) sensor circuit range / performance malfunction (bank 1 sensor 1).

The A/F sensor or the air / fuel ratio sensor is the oxygen sensor that is located before the catalytic converter on this vehicle.

This code can be due to a bad oxygen sensor or faulty harness for the sensor.

https://www.2carpros.com/articles/how-to-test-an-oxygen-sensor-02-sensor
https://www.2carpros.com/articles/how-to-replace-an-oxygen-sensor

I have attached the troubleshooting guide for the code P1130. This can help you determine the issue.

Please let me know of any questions.
Thank you.
Nov 22, 2021 at 3:09 PM