how do I clean out leaves out of my vents

2000 HONDA PASSPORT
90,000 MILES
Avatar
HARRYS99
  • MEMBER
  • 1 POST
In a 2000 honda passport it was not used for 8 months
Feb 5, 2012 at 2:10 PM
Advertisement
Avatar
HMAC300
  • CERTIFIED EXPERT
  • 48,601 POSTS
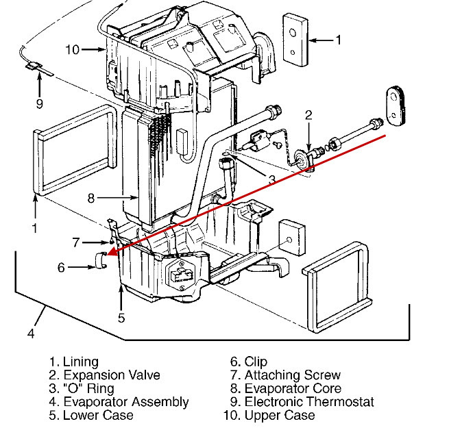
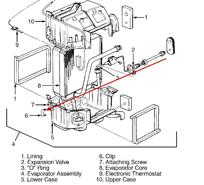
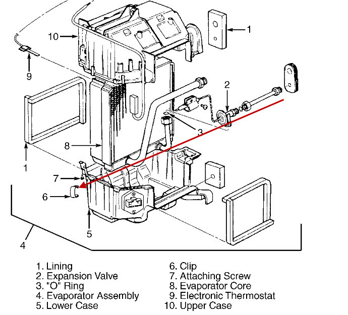
try popping out a vent on the dash usually a screwdriver putting a little pressure on it and stick a vacuum hose down there. other wise you'll have to take the blower out to get to them. if it's the vent in front of windshield it shold have clips or screws holding it in you can take those out lift up the vent and vacuum them out.you might also be able to remove the clips that i have pointed out in a red arrow and drop that area to reach up to get eht leaves out.
Feb 5, 2012 at 11:47 PM