The windows on my 2000 Honda Odyssey EX were unfortnately left down two nights ago and, of course, it rained. Yesterday morning I tried putting the power windows up but only the driver's side responded. Neither the master switch nor the passenger switch enabled the passenger side power window to be raised.
Here's what I've done so far to diagnose the problem:
1. Checked 20 amp Fuses for both driver and passenger PWs (Fuse # 15 & 8) located on passenger side kick panel.
2. Bought used Master and Passenger switches from junk yard. Same result: only driver PW on master worked.
3. Checked passenger PW motor via jumper from battery. Was able raise the window successfully so the motor is good.
4. Replaced PW Relay located behind fuse box on passenger side. I tried the switches and still have same result: only driver PW works via master switch.
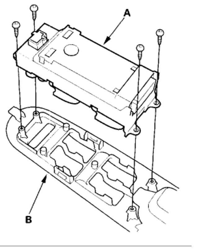
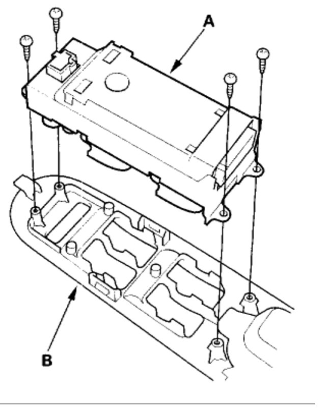
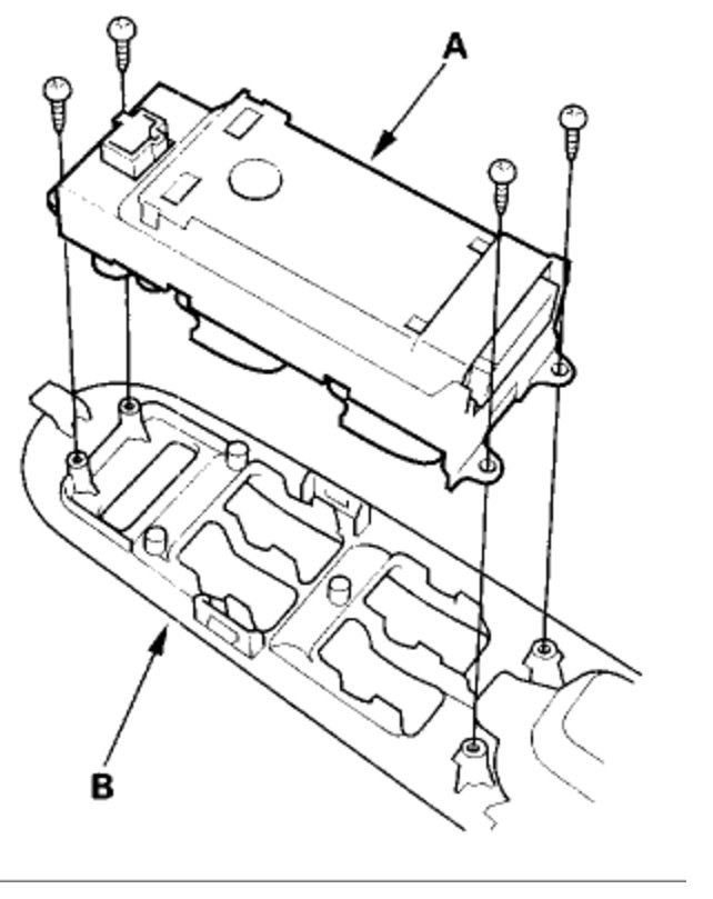
My thought now is that the Passenger Multiplex Control Unit is the cause of the problem. Could it have gone bad in the rainstorm even though its location did not get wet? I'd like to check it but am not too handy with a multi-meter. Can you explain the meter settings I need to discover whether it is good or bad?
I hope you have enough info to point me in the right direction as I'd rather not buy a new Multiplex Control Unit before knowing if the old one's fried.
Thanks in advance for your collective guidance.
Jimmer24
Here's what I've done so far to diagnose the problem:
1. Checked 20 amp Fuses for both driver and passenger PWs (Fuse # 15 & 8) located on passenger side kick panel.
2. Bought used Master and Passenger switches from junk yard. Same result: only driver PW on master worked.
3. Checked passenger PW motor via jumper from battery. Was able raise the window successfully so the motor is good.
4. Replaced PW Relay located behind fuse box on passenger side. I tried the switches and still have same result: only driver PW works via master switch.
My thought now is that the Passenger Multiplex Control Unit is the cause of the problem. Could it have gone bad in the rainstorm even though its location did not get wet? I'd like to check it but am not too handy with a multi-meter. Can you explain the meter settings I need to discover whether it is good or bad?
I hope you have enough info to point me in the right direction as I'd rather not buy a new Multiplex Control Unit before knowing if the old one's fried.
Thanks in advance for your collective guidance.
Jimmer24
Jul 10, 2012 at 7:02 PM


