Charging problems?

2000 GMC SIERRA
100,000 MILES • V8 • 4WD • AUTOMATIC
Avatar
GANJAROME
  • MEMBER
  • 1 POST
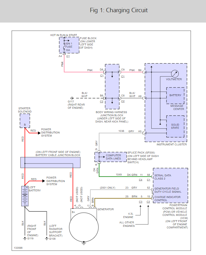
Test at main alternator wire reveals output of approx. 15 volts while disconnected but only battery voltage (12.5 v) when connected. Found partial short to ground on main power wire to fuse/relay block in engine compartment. This partial ground fault disappears when gauge cluster fuse pulled out but charging also does not occur with these conditions. Further, if fuse is replaced, alt. main wire disconnected, then touched to alt. post, a large spark is produced and alternator output voltage returns. Unfortunately, with main alt. wire reconnected, the no charge condition returns. The dash light for no charge(battery) also does not light up and the gauge reads only battery voltage which is confirmed by voltmeter. There also appears to be a partial ground fault in the heater circuit. Do I need to check for excite voltage at the other alt. connector? And what to do if there isn't? Is the gauge cluster voltmeter faulty? I notice there is a parallel resistor in the gauge in a diagram I found on this site from another post about a '99 model.
Jan 11, 2011 at 11:31 PM
Advertisement
Avatar
STRAILER
  • CERTIFIED EXPERT
  • 53,854 POSTS
Hello,

When a battery has a problem it will not allow itself it charge or the alternator you have is defective and not able to produce the voltage needed. Here are a couple of guide that will help you get the problem fixed and the alternator wiring diagrams below so you can see how the system works below.

https://www.2carpros.com/articles/how-to-check-a-car-alternator

and

https://www.2carpros.com/articles/how-to-replace-an-alternator

and

https://www.2carpros.com/articles/car-battery-load-test


Here is an ACDelco alternator from Amazon for $116.00

https://www.amazon.com/gp/product/B007QBR5TA/ref=as_li_qf_asin_il_tl?ie=UTF8&tag=2carprcom-20&creative=9325&linkCode=as2&creativeASIN=B007QBR5TA&linkId=dc85cdc5d9dce41970437579bd36706d

Please run some tests and get back to us we are interested to see what it is.
Jul 7, 2017 at 4:10 PM
Avatar
PAPAWNMAMAW
  • MEMBER
  • 7 POSTS
1988 GMC 4X4 Truck, there was a loud snapping noise for just a few seconds under the dash. then the truck started not charging and all of the gauges quite working. I found one fuse blown that goes to the gauges, and replaced the fuse. and the truck still does not charge, and all of the gauges still do not work. any help would be appreciated.
Jul 7, 2017 at 4:11 PM (Merged)
Advertisement
Avatar
HMAC300
  • CERTIFIED EXPERT
  • 48,601 POSTS
checkto see if there is abroken wire under the dash. the snapping was probably elctricity shorting out. it may have fried the alternator as well. most auto parts stores check them for free but you need to take it in
Jul 7, 2017 at 4:11 PM (Merged)
Avatar
PAPAWNMAMAW
  • MEMBER
  • 7 POSTS
just had a new alternator put on and put a new fuse in ,it blowed that fuse also , now the 4 wheel drive well not work ,and it was working fine before this all happened. so the problem has went from bad to worse
Jul 7, 2017 at 4:11 PM (Merged)
Avatar
HMAC300
  • CERTIFIED EXPERT
  • 48,601 POSTS
check for borken or chafed wires where yo heard the snapping sound you have a 23 yr old truck and wires can go bad after that period of time.
Jul 7, 2017 at 4:11 PM (Merged)
Avatar
PAPAWNMAMAW
  • MEMBER
  • 7 POSTS
my husband has checked the wiring, everything seems fine. we just don't know what could have happened . he was driving his truck and it just made a snapping noise,and then it quit charging, then the gauges quit working. he then bought the alternator and put it on and the fuse blow again. He then put another fuse in and it blow And know the 4 wheel drive well not work and the other fuse blow. do you think that the 4 wheel drive has anything to do with the fuses? or do you think it might be some kind of relay switch? the truck is in good condition with only 85,000 miles
Jul 7, 2017 at 4:11 PM (Merged)
Avatar
HMAC300
  • CERTIFIED EXPERT
  • 48,601 POSTS
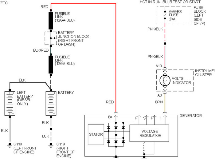
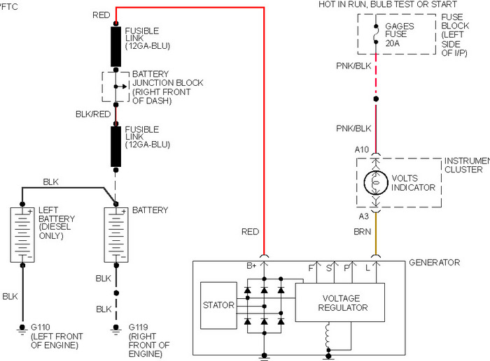
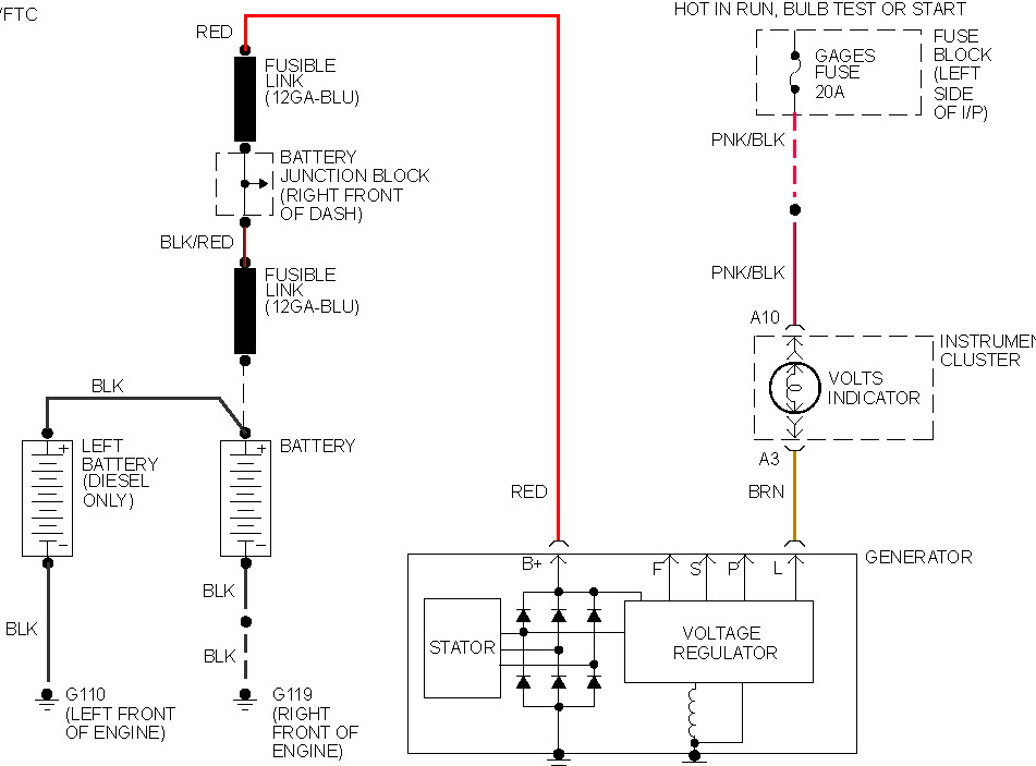
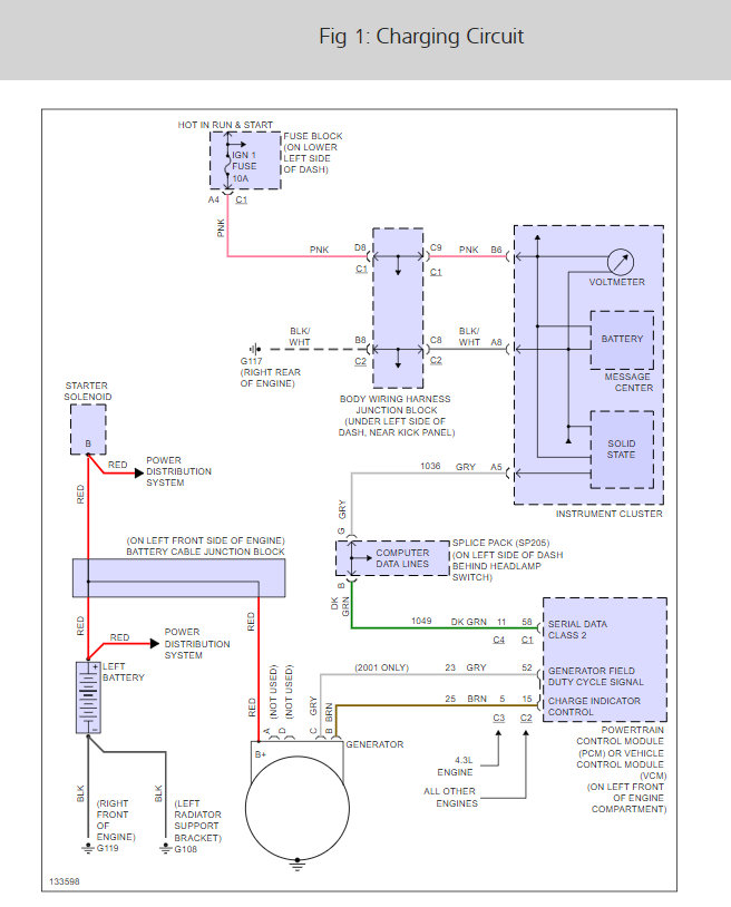
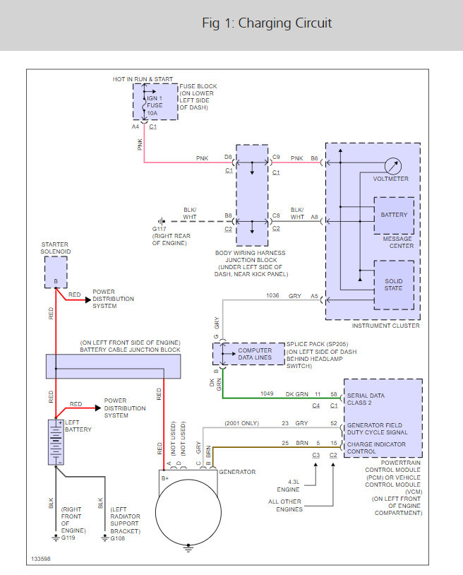
check and see if your htr/ac fusei s ok that also powers up the 4 wheel dirve. then take a test light and see if the brown wire on the alternator is getting power. also the large red one. this should really be looked at by aprofessional as the lourd snap was an electrical short it sounds like. hard telling what has been damaged. also look very carefully at this diagram and check the fusiblelinks as if they are burnt and there is great possiblity there is power the alternator. you can either use a test lightor volt ohm meter to check. but my bet is one of these if not both of the fusible links are burnt up. you'll have to follow the harness to find them. if you dont' get an y power on the red wire at the alternator then that is your alternator problem. the 4 wheel drive will have to be checked further.
Jul 7, 2017 at 4:11 PM (Merged)
Avatar
PAPAWNMAMAW
  • MEMBER
  • 7 POSTS
Thanks for all the information,He has checked out everything you said check.Now he is down to one point, everything on the truck works perfect, except when you put it in 4wheel drive high or low,it shoots the gauge fuse and won't go in 4 wheel drive.Do you think it could be a relay or is the actuator bad? It works fine in 2 wheel drive ,He can take the truck anywhere and it is ok.Thanks again for all your help!
Jul 7, 2017 at 4:11 PM (Merged)
Avatar
KRKISKE
  • MEMBER
  • 1 POST
Engine Mechanical problem
1979 GMC Sierra V8 Four Wheel Drive Automatic 96000 miles

I have installed a new altenator b/c the original Alt. tested "Bad" by the local shop. Belt is also snug (no slippage).
The battery is also a new battery and does take a charge from the trickle charger.

The truck will start a few times after charging on the trickle charger but soon runs down.

Headlamps also stoped working on rough road a few months ago. Any corelation?

Any suggestions?
Jul 7, 2017 at 4:11 PM (Merged)
Avatar
RASMATAZ
  • CERTIFIED EXPERT
  • 75,992 POSTS
Behind the alternator there's a D-hole stick a thin screwdriver in it to ground the regulator-if its charging while grounding the regulator-replace the regulator-
Jul 7, 2017 at 4:11 PM (Merged)
Avatar
  • MEMBER
  • 2 POSTS
Electrical problem
2003 GMC Sierra V8 Four Wheel Drive Automatic 100000 miles

My 03 2500 Sierra has been acting up...Battery not charging display comes up, needle for the charging system guage has sunk (all the way down past 19V and stays there). When idling the lights will dim/brighten. This happened about a year ago but after a day or so corrected.....not this time. My mechanic is not strong on electrical and I don't really want to take it to anyone else, can anyone help? I checked the battery and replaced the alternator already.
Jul 7, 2017 at 4:11 PM (Merged)
Avatar
JDL
  • CERTIFIED EXPERT
  • 16,098 POSTS
Welcome to the forum, check for trouble codes. There are charging system trouble codes. Around here some of the national brand autostores check some codes for free. You can use a digital volt meter on the alternator bat terminal, engine running, what is the reading?
Jul 7, 2017 at 4:11 PM (Merged)
Avatar
  • MEMBER
  • 2 POSTS
I checked the charge from the alternator and it is running 17.50 to 18.6 range. Doesn't that make sense? What troubles me is the Battery not Charging light usually comes on when the revs go up around 3000, shouldn't that be when it is charging at peak?
Thanks for your post, I will take my truck somewhere for diagnostic first of the week.......just thought someone may have come across this problem before.
Jul 7, 2017 at 4:11 PM (Merged)
Avatar
JDL
  • CERTIFIED EXPERT
  • 16,098 POSTS
Sounds like your overcharging for some reason? If the output is less than 11 volts or over 16volts, the charge indicator lite should come on.
Jul 7, 2017 at 4:11 PM (Merged)