when cold it stalls, loss of power till it warms up. then runs fine.
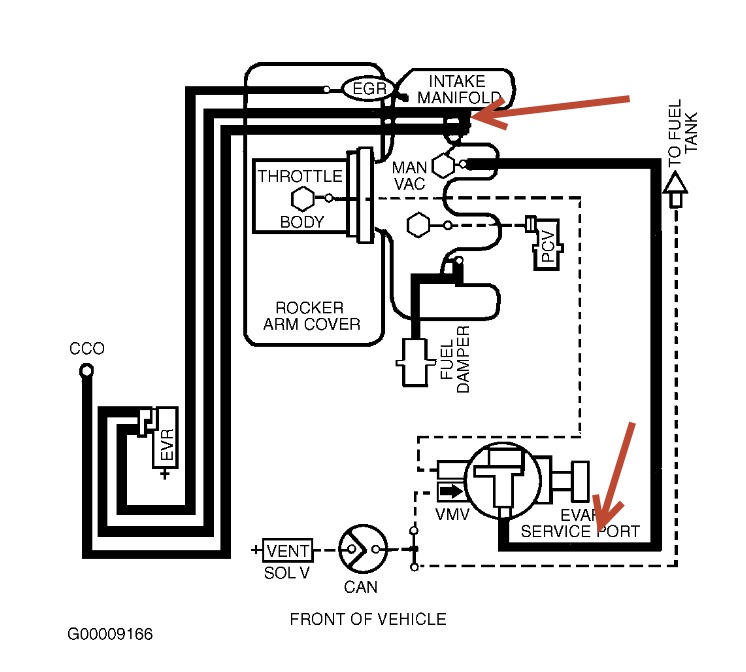
no codes or pending codes. STFT is 21.0 and LTFT is at 3.1. Cant find a vacumm leak
anywhere. Any ideas? new maf , iac, tps, plugs and wires
no codes or pending codes. STFT is 21.0 and LTFT is at 3.1. Cant find a vacumm leak
anywhere. Any ideas? new maf , iac, tps, plugs and wires
Nov 24, 2013 at 9:45 PM
